2023年镶贴工实地操作比赛试题.docx

上传人:p** 文档编号:604051 上传时间:2023-12-01 格式:DOCX 页数:4 大小:79.38KB
下载 相关 举报
2023年镶贴工实地操作比赛试题.docx_第1页
第1页 / 共4页
2023年镶贴工实地操作比赛试题.docx_第2页
第2页 / 共4页
2023年镶贴工实地操作比赛试题.docx_第3页
第3页 / 共4页
2023年镶贴工实地操作比赛试题.docx_第4页
第4页 / 共4页
亲,该文档总共4页,全部预览完了,如果喜欢就下载吧!
资源描述

《2023年镶贴工实地操作比赛试题.docx》由会员分享,可在线阅读,更多相关《2023年镶贴工实地操作比赛试题.docx(4页珍藏版)》请在第壹文秘上搜索。

1、2023年镶贴工实地操作比赛试题一、题目参照下图在规定时间内完成施工图上的内容。(施工图附后)完成时限:150分钟比赛要求:各参赛选手独立完成镶贴实地操作作业,不得影响、干扰其他选手,完成后及时向裁判报告封样。镶贴操作要求:观感洁净、无裂缝、缺损;照图施工,尺寸准确;平整度、直线度、高低差、接缝宽度符合规范允许要求;下料准确,节约材料无浪费;工艺流程步骤完整,扬尘及安全措施到位;工完场清,作业区域整洁不凌乱。二、举办方提供以下工具和材料:1 .每位选手提供镶贴施工工位1个;2 .每个工位配置电源、插座及水源1个;3.每个工位配发瓷豉:颜色尺寸mm数量/块备注白色800*8004深灰色800*8

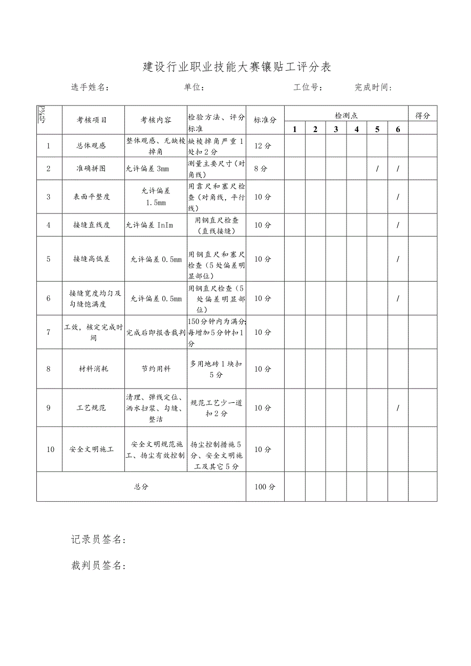
2、0044 .提供拌制好的干拌砂浆、水泥,施工图纸一份;5 .铁锹1把、灰桶1个、水桶1个。三、参赛选手注意事项报名参赛选手大小工各一名(携带身份证或其他有效身份证证明,如有冒名顶替者或为携带身份证件者取消参赛资格),其余人员不得进入施工场地参与、干扰(如有严重违反者予以额外扣分处理);参赛选手根据比赛项目需要自备相关施工机具。(不得使用美缝剂)。建设行业职业技能大赛镶贴工评分表选手姓名:单位:工位号:完成时间:P号考核项目考核内容检验方法、评分标准标准分检测点得分1234561总体观感整体观感、无缺棱掉角缺棱掉角严重1处扣2分12分2准确拼图允许偏差3mm测量主要尺寸(对角线)8分/3表面平整

3、度允许偏差1.5mm用靠尺和塞尺检查(对角线,平行线)10分/4接缝直线度允许偏差InIm用钢直尺检查(直线接缝)10分/5接缝高低差允许偏差0.5mm用钢直尺和塞尺检查(5处偏差明显部位)10分/6接缝宽度均匀及勾缝饱满度允许偏差0.5mm用钢直尺检查(5处偏差明显部位)10分/7工效,核定完成时间完成后即报告裁判150分钟内为满分;每增加5分钟扣1分10分8材料消耗节约用料多用地砖1块扣5分10分9工艺规范清理、弹线定位、洒水扫浆、勾缝、整洁规范工艺少一道扣2分10分/10安全文明施工安全文明规范施工、扬尘有效控制扬尘控制措施5分、安全文明施工及其它5分10分总分100分记录员签名:裁判员

4、签名:举办方比赛准备1 .带有标线的镶贴施工工位16个;2 .就近配置的电源插座及水源16套;3 .需提供比赛用瓷砖:颜色尺寸/mm数量/块备注白色800*8004X16=64块另行准备损耗备用砖每色5片深灰色800*8004X16=64块4.干拌砂浆(提前拌制,不少于0.5*16=8立方;水泥1*16=16袋。需提供备料)5 .铁锹16把、灰桶16个、水桶16个;6 .裁判工具:5米卷尺3把、2米水平靠塞尺1套、1米钢板尺2套、水性记号笔5支、铅笔5支、笔记本5本7 .比赛用施工图纸:A3打印,图一、图二及说明各16套。图一图二说明:1、本设计标注尺寸均为毫米;2、水泥勾缝;3、因现场加工,容许铺贴尺寸与图示尺寸存在误差;4、缝宽3毫米(含)以内;5、因缝宽未固定尺寸,故图示总宽度仅做参考。

展开阅读全文
相关资源
猜你喜欢
相关搜索

当前位置:首页 > 汽车/机械/制造 > 机械理论及资料

copyright@ 2008-2023 1wenmi网站版权所有

经营许可证编号:宁ICP备2022001189号-1

本站为文档C2C交易模式,即用户上传的文档直接被用户下载,本站只是中间服务平台,本站所有文档下载所得的收益归上传人(含作者)所有。第壹文秘仅提供信息存储空间,仅对用户上传内容的表现方式做保护处理,对上载内容本身不做任何修改或编辑。若文档所含内容侵犯了您的版权或隐私,请立即通知第壹文秘网,我们立即给予删除!