汽油氧化安定性测定仪(诱导期法)准规范实验报告.docx

上传人:p** 文档编号:607201 上传时间:2023-12-01 格式:DOCX 页数:8 大小:49.59KB
下载 相关 举报
汽油氧化安定性测定仪(诱导期法)准规范实验报告.docx_第1页
第1页 / 共8页
汽油氧化安定性测定仪(诱导期法)准规范实验报告.docx_第2页
第2页 / 共8页
汽油氧化安定性测定仪(诱导期法)准规范实验报告.docx_第3页
第3页 / 共8页
汽油氧化安定性测定仪(诱导期法)准规范实验报告.docx_第4页
第4页 / 共8页
汽油氧化安定性测定仪(诱导期法)准规范实验报告.docx_第5页
第5页 / 共8页
汽油氧化安定性测定仪(诱导期法)准规范实验报告.docx_第6页
第6页 / 共8页
汽油氧化安定性测定仪(诱导期法)准规范实验报告.docx_第7页
第7页 / 共8页
汽油氧化安定性测定仪(诱导期法)准规范实验报告.docx_第8页
第8页 / 共8页
亲,该文档总共8页,全部预览完了,如果喜欢就下载吧!
资源描述

《汽油氧化安定性测定仪(诱导期法)准规范实验报告.docx》由会员分享,可在线阅读,更多相关《汽油氧化安定性测定仪(诱导期法)准规范实验报告.docx(8页珍藏版)》请在第壹文秘上搜索。

1、附件4汽油氧化安定性测定仪(诱导期法)校准规范试验报告一、实验目的规范起草小组在参考相关的技术标准和各生产厂技术说明书的基础上,为了确认本规范规定的计量性能指标和校准方法是否合理。二、实验项目依据校准规范,按照规范上的方法步骤,对校准项目进行多次实验,并对实验结果进行统计分析,以获得对校准项目方法可靠性的验证。三、实验结果为了验证校准规范的可行性,特挑选典型的使用范围比较广的液体浴和固体浴汽油氧化安定性测定仪各3台进行校准,并给出实验报告。在6台汽油氧化安定性测定仪校准试验中,结果均在制定的计量特性指标范围内。根据试验结果,本校准规范规定的计量特性要求和校准方法能够符合汽油氧化安定性测定仪的校

2、准要求,各项要求充分、合理,校准方法严谨、可行,规范具备了科学性、合理性和可行性,适用于现场校准工作。验证试验结果汇总如下,试验原始数据见附件:1、液体浴汽油氧化安定性测定仪实验结果汇总序号生产厂家仪器型号温度示值误差C温度均匀性C温度波动度C压力示值误差kPa压力回程误差kPa1长沙卡顿海克尔仪器有限公司KD-R20310.10.20.21.40.22湖南加法仪器仪表有限公司JF8018-10.10.20.1-0.80.23上海旭风科学仪器有限公司XF8018Z0.10.10.1-2.00.42、固体浴汽油氧化安定性测定仪试验结果汇总序号生产厂家仪器型号升温时间min温度示值误差温度波动度压

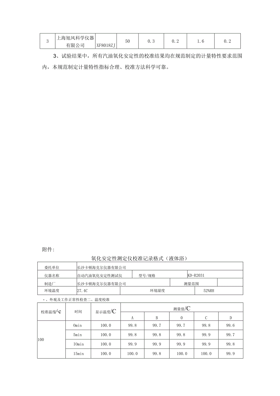
3、力示值误差kPa压力回程误差kPa1长沙卡顿海克尔仪器有限公司KD-R2032500.40.41.60.42湖南加法仪器仪表有限公司JF8018-2500.30.21.40.23上海旭风科学仪器有限公司XF8018ZJ500.30.21.60.23、试验结果中,所有汽油氧化安定性的校准结果均在规范制定的计量特性要求范围内,本规范制定计量特性指标合理、校准方法科学可靠。附件:氧化安定性测定仪校准记录格式(液体浴)委托单位长沙卡顿海克尔仪器有限公司仪器名称自动汽油氧化安定性测试仪型号/规格KD-R2031制造厂长沙卡顿海克尔仪器有限公司测量范围环境温度27.4C环境湿度52%RH、外观及工作正常性

4、检查二、温度校准校准温度c时间显示温度/C测量值/CAB0CD100Omin100.099.899.799.799.899.65min100.099.899.899.899.999.7IOmin100.099.999.999.999.999.815min100.0100.099.8100.0100.099.920min100.099.999.7100.199.899.925min100.099.899.7100.099.799.830min100.099.799.699.899.899.7平均1t,c100.099.899.799.999.899.7示值误差/cC0.1温度均匀性c0.2温度波

5、动性/C0.2三、压力校准校准点/kPa035070012501600标准值/kPa0350.0700.01250.01600.0显示值/kPa上行程0351.2699.81251.31599.9下行程0351.4699.71251.21599.9示值误差/kPa1.4回程误差/kPa0.2扩展不确定度/kPa(A=2)校准:周仁发核验:周雄校准日期:2023年8月14日氧化安定性测定仪校准记录格式(液体浴)委托单位湖南加法仪器仪表有限公司仪器名称自动汽油氧化安定性测试仪型号/规格JF8018-1制造厂湖南加法仪器仪表有限公司测量范围环境温度28.3C环境湿度54%RH一、外观及工作正常性检查

6、二、温度校准校准温度,c时间显示温度/C测量值/ABOCD100Omin100.0100.2100.3100.1100.3100.25min100.0100.3100.3100.2100.2100.3IOmin100.0100.2100.4100.1100.2100.315min100.0100.1100.3100.0100.1100.220min100.0100.1100.2100.1100.2100.325min100.0100.2100.1100.2100.3100.430min100.0100.2100.2100.1100.2100.3平均1直/C100.0100.2100.3100.

7、1100.2100.3示值误差/匕0.1温度均匀性tc0.2温度波动性/C0.1三、压力校准校准点/kPa035070012501600标准值/kPa0350.0700.01250.01600.0显示值/kPa上行程0349.2699.51249.51599.2下行程0349.3699.71249.81599.2示值误差/kPa-0.8回程误差/kPa0.2扩展不确定度/kPa(A=2)校准:周仁发核验:周雄校准日期:2023年8月23日氧化安定性测定仪校准记录格式(液体浴)委托单位上海旭风科学仪器有限公司仪器名称自动汽油氧化安定性测试仪型号/规格XF8018Z制造厂上海旭风科学仪器有限公司测

8、量范围环境温度27.6环境湿度53%RH一、外观及工作正常性检查二、温度校准校准温度,c时间显示温度,c测量值CABOCD100Omin100.0100.1100.1100.0100.2100.25min100.0100.1100.2100.1100.2100.2IOmin100.0100.2100.2100.1100.3100.215min100.0100.2100.1100.0100.2100.320min100.0100.2100.1100.1100.2100.225min100.0100.1100.0100.1100.1100.230min100.0100.0100.1100.2100

9、.1100.1平均直/C100.0100.1100.1100.1100.2100.2示值误差/C0.1温度均匀性tc0.1温度波动性/C0.1三、压力校准校准点/kPa035070012501600标准值/kPa0350.0700.01250.01600.0显示值/kPa上行程0349.0701.01248.01601.0下行程0349.2701.41248.31601.0示值误差/kPa-2.0回程误差/kPa0.4扩展不确定度/kPa(A=2)校准:周仁发核验:周雄校准日期:2023年9月7E氧化安定性测定仪校准记录格式(金属浴)委托单位长沙卡顿海克尔仪器有限公司仪器名称自动汽油氧化安定性

10、测试仪型号/规格KD-R2032制造厂长沙卡顿海克尔仪器有限公司测量范围环境温度27.8C环境湿度52%RH一、外观及工作正常性检查二、升温时间校准测量时间min0510152025303540455060测量温度/C2632455973.586.593.2959697.398.399三、温度校准测量时间min60657075808590温度平均值温度示值笈差:温度波动性显示温度100.0100.0100.0100.0100.0100.0100.0100.00.40.4rc测量温度*c9999.599.799.799.899.899.899.6四、压力校准校准点/kPa035070012501

11、600标准值/kPa0350.0700.01250.01600.0显示值/kPa上行程0351.3699.81251.41600.0下行程0351.6699.41251.01600.0示值误差/kPa1.6回程误差/kPa0.4扩展不确定度/kPa(A=2)校准:周仁发核验:周雄校准日期:2023年9月24日氧化安定性测定仪校准记录格式(金属浴)委托单位湖南加法仪器仪表有限公司仪器名称自动汽油氧化安定性测试仪型号/规格JF8018-2制造厂湖南加法仪器仪表有限公司测量范围环境温度27.8r环境湿度52%RH一、外观及工作正常性检查二、升温时间校准测量时间min0510152025303540455060测量温度/C25.231.544617487.294.595.196.397.898.899.6三、温度校准测量时间min60657075808590温度平均值温度示值误差温度波动性显示温度c100.0100.0100.0100.0100.0100.0100.0100.00.20.4测量温度*c99.699.799.799.799.899.999.999.7四、压力校准校准点/kPa035070012501600标准值/kPa0350.0700.01250.01600.0显示值/kPa上行程0351.3699.81251.41600.0下行程0351.1699.6125

展开阅读全文
相关资源
猜你喜欢
相关搜索

当前位置:首页 > 行业资料 > 国内外标准规范

copyright@ 2008-2023 1wenmi网站版权所有

经营许可证编号:宁ICP备2022001189号-1

本站为文档C2C交易模式,即用户上传的文档直接被用户下载,本站只是中间服务平台,本站所有文档下载所得的收益归上传人(含作者)所有。第壹文秘仅提供信息存储空间,仅对用户上传内容的表现方式做保护处理,对上载内容本身不做任何修改或编辑。若文档所含内容侵犯了您的版权或隐私,请立即通知第壹文秘网,我们立即给予删除!