颚式破碎机操作规程.docx

上传人:p** 文档编号:612819 上传时间:2023-12-03 格式:DOCX 页数:3 大小:45.50KB
下载 相关 举报
颚式破碎机操作规程.docx_第1页
第1页 / 共3页
颚式破碎机操作规程.docx_第2页
第2页 / 共3页
颚式破碎机操作规程.docx_第3页
第3页 / 共3页
亲,该文档总共3页,全部预览完了,如果喜欢就下载吧!
资源描述

《颚式破碎机操作规程.docx》由会员分享,可在线阅读,更多相关《颚式破碎机操作规程.docx(3页珍藏版)》请在第壹文秘上搜索。

1、颗式破碎机操作规程-、设备的基础信息。本操作规程适用于本操作规程使用于PVC公司一工厂乙快分厂电石颖式破碎机,破碎机生产厂家为XX建设路桥,型号PE500X750一级款式破碎机,PEX250X1200二级额式破碎机。二、设备结构示意.三、设备工作原理.嵌式破碎机又作鄂式破碎机,简称鄂破,主要用于时各种矿石与大块物料的中等粒度破碎,广泛运用于矿山、冶炼、建材、公路、铁路、水利和化工等行业。被破碎物料的最高抗压强度为320MPa。性能特点为破碎比大,产品粒度均匀,结构简单,性能可靠,维修简便,运营费用低。单摆颖式破原理动额悬挂在心轴上,可作左右摆动。偏心轴旋转时,连杆做上下往复运动,带动两块推力板

2、也做往复运动,从而推动动额做左右往复运动,实现破碎和卸料。此种破碎机采用曲柄双连杆机构,虽然动额上受有很大的破碎反力,而其偏心轴和连杆却受力不大,所以工业上多制成大型机和中型机,用来破碎坚硬的物料。此外,这种破碎机工作时,动款上每点的运动轨迹都是以心轴为中心的圆弧,圆弧半径等于该点至轴心的距离,上端圆弧小,下端圆弧大,破碎效率较低,其破碎比一般为3-6.由于运动轨迹简单,故称简单摆动飘式破碎机。简摆我式破碎机结构紧凑简单,偏心轴等传动件受力较小;由于动额垂直位移较小,加工时物料较少有过度破碎的现象,动额额板的磨损较小。复摆额式破原理动颖上端直接悬挂在偏心轴上,作为曲柄连杆机构的连杆,由偏心轴的

3、偏心直接驱动,动额的下端较连着推力板支撑到机架的后壁上。当偏心轴旋转时,动我上各点的运动轨迹是由悬挂点的圆周线(半径等于偏心距),逐渐向下变成椭圆形,越向下部,椭圆形越偏,直到下部与推力板连接点轨迹为圆弧线。由于这种机械中动款上各点的运动轨迹比较复杂,故称为复杂摆动式飘式破碎机。复摆式款式破碎机与简摆式相比较,其优点是:质量较轻,构件较少,结构更紧凑,破碎腔内充满程度较好,所装物料块受到均匀破碎,加以动领下端强制性推出成品卸料,故生产率较高,比同规格的简摆额式破碎机的生产率高出20-30%;物料块在动额下部有较大的上下翻滚运动,容易呈立方体的形状卸出,减少了像简摆式产品中那样的片状成分,产品质

4、量较好。四、设备盘车方法.1、应仔细检杳轴承的润滑情况是否良好,轴承内肘板连接处是否有足够的润滑脂。2、应仔细检杳所有的紧固件是否完全紧固.3,防护装置是否良好,发现不安全现象,应立即消除之。4、检查破碎腔内有无矿石或其他杂物,如有则应立即消除。五、设备开车步骤.1、做好开车前的准备工作:破碎机开车前,必须对破碎机进行全面的检查;备连接螺栓有无松动现象;拉紧弹簧的松紧是否合适;各轮滑系统有无缺油失效现象;破碎腔内不得有任何物料;注意衬板的磨损情况。2,按照规定调整好下料口,检查各种有关电器设备及其安全防护措施。3,破碎机必须空载启动,空转1-2分钟,运行正常后方可给料。4,破碎机工作运转中,必

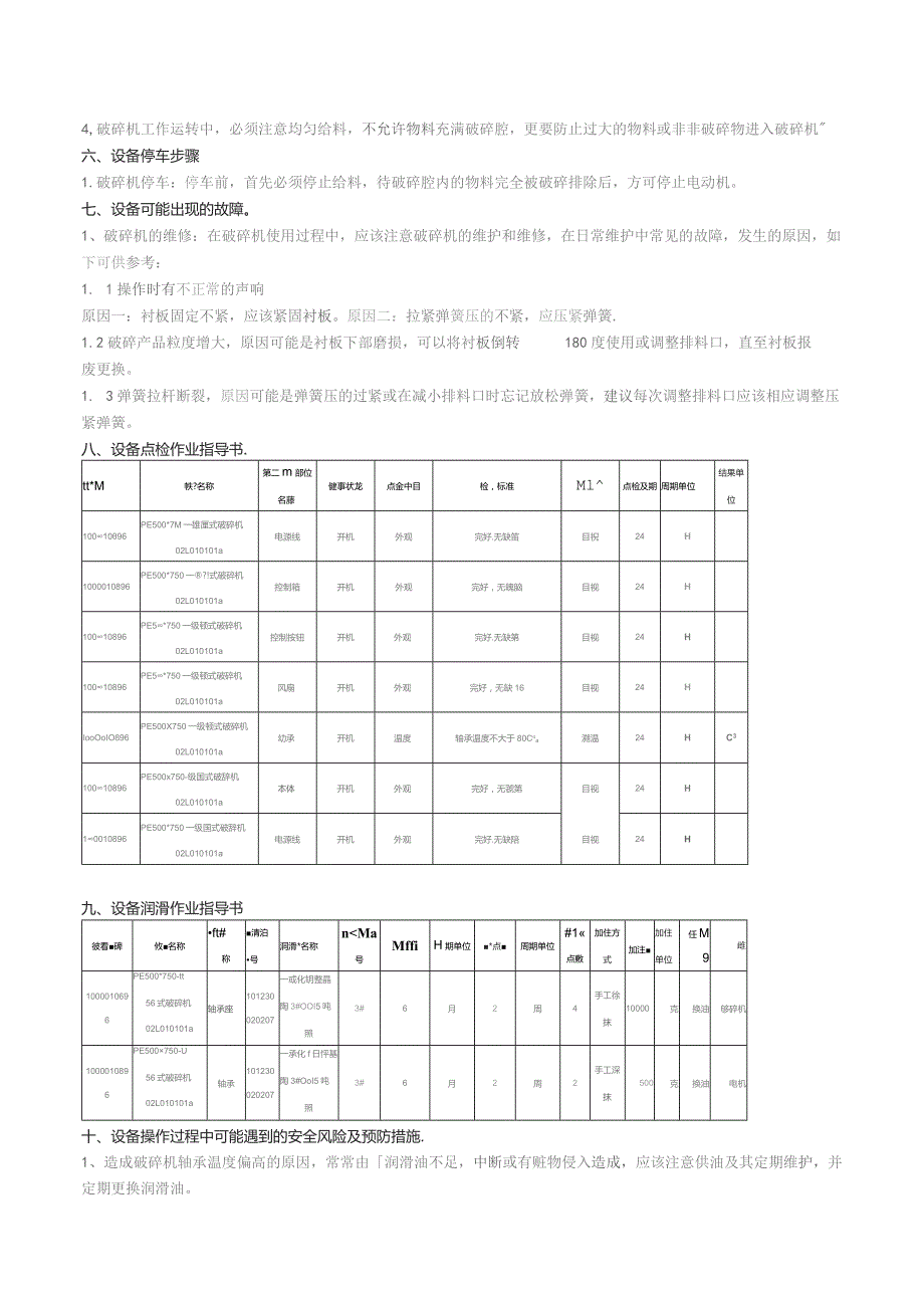
5、须注意均匀给料,不允许物料充满破碎腔,更要防止过大的物料或非非破碎物进入破碎机六、设备停车步骤1.破碎机停车:停车前,首先必须停止给料,待破碎腔内的物料完全被破碎排除后,方可停止电动机。七、设备可能出现的故障。1、破碎机的维修:在破碎机使用过程中,应该注意破碎机的维护和维修,在日常维护中常见的故障,发生的原因,如下可供参考:1. 1操作时有不正常的声响原因一:衬板固定不紧,应该紧固衬板。原因二:拉紧弹簧压的不紧,应压紧弹簧.1.2破碎产品粒度增大,原因可能是衬板下部磨损,可以将衬板倒转180度使用或调整排料口,直至衬板报废更换。1. 3弹簧拉杆断裂,原因可能是弹簧压的过紧或在减小排料口时忘记放

6、松弹簧,建议每次调整排料口应该相应调整压紧弹簧。八、设备点检作业指导书.tt*M帙?名称第二m部位名藤健事状龙点金中目检,标准Ml点检及期周期单位结果单位1001096PE500*7M一雄厘式破碎机02L010101a电源线开机外观完好.无缺笛目祝24H1000010896PE500*750一?!式破碎机02L010101a控制箱开机外观完好,无魄脑目视24H10010896PE5*750一级顿式破碎机02L010101a控制按钮开机外观完好.无缺第目视24H10010896PE5*750一级顿式破碎机02L010101a风扇开机外观完好,无缺16目视24HIooOoIO896PE500750

7、一级顿式破碎机02L010101a幼承开机温度轴承温度不大于80Coa溯温24HC310010896PE500x750-级国式破辞机02L010101a本体开机外观完好,无虢第目视24H10010896PE500*750一级国式破辞机02L010101a电源线开机外观完好.无缺陪目视24H九、设备润滑作业指导书彼看碑攸名称ft#称清泊号洞滑*名称nMa号MffiH期单位*点周期单位#1点敷加住方式加注加住单位任M9雌1000010696PE500*750-tt56式破碎机02L010101a轴承座101230020207一或化钥整晶陶3#OOI5吨照3#6月2周4手工徐抹10000克换油够碎机

8、1000010896PE500750-U56式破碎机02L010101a轴承101230020207一承化f日怦基陶3#OoI5吨照3#6月2周2手工深抹500克换油电机十、设备操作过程中可能遇到的安全风险及预防措施.1、造成破碎机轴承温度偏高的原因,常常由润滑油不足,中断或有赃物侵入造成,应该注意供油及其定期维护,并定期更换润滑油。2、设备运转时,绝对禁止去校正破碎腔中大块物料的位置或从中取出,以免3,破碎机停车:停车前,首先必须停止给料,待破碎腔内的物料完全被破碎排除后,方可停止电动机.4、为取保设备连续正常运转,应该搞好计划检修,并且储存一定量的易损备品备件。十一、破碎机注意事项。(一)

9、号页式破碎机的维护和使用1、破碎机正常运转后,方可投料。2,待破碎材料应均匀地加入破碎腔内,并应避免侧面加料,防止负荷突变或单边突摺。3,在正常工作情况下,轴承的温升不应超过35C,最高温度不得超过70C,否则应立即停车,查明原因加以消除。4,停车前,应先停止加料,待破碎腔内被破碎物料完全排空后,方可关闭电机。(二)颗式破碎机的润滑1、经常注意及时做好磨擦面的润滑工作,可保证机器的正常运转和延长使用寿命。2、本机采用的润滑脂,应根据使用地点、气温等条件来决定,一般可采用钙基、钠基或钙钠基润滑脂。3,加入轴承座的润滑脂为其容积的50-70%,每三个月必须更换一次;换新油时必须用干净的汽油或电石渣

10、油清洗轴承与轴承座内污物。4,肘板与肘板垫接触处在机器开动前,必须加入润滑脂。十二、额式破碎机的维修规则和保养额式破碎机的维修,无论什么机器维修保养都是很重要的。1 .款式破碎机润滑(1)经常注意并及时做好摩擦面得润滑工作,可确保机器的正常运转和延长其使用寿命。(2)款式破碎机所采用润滑脂应根据使用的地点、气温条件下而定,一般情况下采用钙基、钠基和钙那基润滑脂。(3)加入轴承座内的润滑脂为其空间容积的50%左右、每3飞个月更换一次。换油时应用洁净的汽油或电石渣油清洗滚柱轴承的滚道。(4)颗式破碎机开动前,推力板与推力板支座之间应注入适量的润滑脂。2 .预式破碎机维修为保证颗式破碎机的正常工作,

11、处正确操作外,必须进行计划性维修,其中包括日常维护检查,小修、中修和大修。(1)小修主要内容包括检查并修更调整装置,调整排料口间隙,对磨损的衬板调头或更换。检查传动部分、润滑系统及时跟换润滑油等。小修的周期为广3个月左右。(2)中修处进行小修的工作外,还包括更换推力板、衬板、检查并修复轴瓦等。中修的周期一般为广2年左右。(3)大修处进行中修的工作外,还包括和更换车削偏心轴和鄂心轴,浇铸连杆头上部的巴氏合金,更换或修复个磨损件大修的周期一般为5年左右。3.在额破的日常工作中要做到定期检查机器,在开关机的时候,要注意定期关额破机,看看机器内部是不是磨损了,主要关注的有中心入料管、锥帽、叶轮上、下流道衬板、圆周护板、耐磨块是否磨损以及磨损程度,要做到及时更换磨损较严重的部件,更换时一定要注意该部件的尺寸与型;要定期检查额式破碎机传动带,传动带是一个重要的部分,它能带动机器,在检查传送带时应该注意什么问题呢?传送带是否过松或者过紧、受力时候均匀等问题。

展开阅读全文
相关资源
猜你喜欢
相关搜索

当前位置:首页 > 行业资料 > 国内外标准规范

copyright@ 2008-2023 1wenmi网站版权所有

经营许可证编号:宁ICP备2022001189号-1

本站为文档C2C交易模式,即用户上传的文档直接被用户下载,本站只是中间服务平台,本站所有文档下载所得的收益归上传人(含作者)所有。第壹文秘仅提供信息存储空间,仅对用户上传内容的表现方式做保护处理,对上载内容本身不做任何修改或编辑。若文档所含内容侵犯了您的版权或隐私,请立即通知第壹文秘网,我们立即给予删除!