采用α=β配合控制的有环流V—M可逆调速系统设计.docx

上传人:p** 文档编号:65102 上传时间:2022-12-12 格式:DOCX 页数:33 大小:325.59KB
下载 相关 举报
采用α=β配合控制的有环流V—M可逆调速系统设计.docx_第1页
第1页 / 共33页
采用α=β配合控制的有环流V—M可逆调速系统设计.docx_第2页
第2页 / 共33页
采用α=β配合控制的有环流V—M可逆调速系统设计.docx_第3页
第3页 / 共33页
采用α=β配合控制的有环流V—M可逆调速系统设计.docx_第4页
第4页 / 共33页
采用α=β配合控制的有环流V—M可逆调速系统设计.docx_第5页
第5页 / 共33页
采用α=β配合控制的有环流V—M可逆调速系统设计.docx_第6页
第6页 / 共33页
采用α=β配合控制的有环流V—M可逆调速系统设计.docx_第7页
第7页 / 共33页
采用α=β配合控制的有环流V—M可逆调速系统设计.docx_第8页
第8页 / 共33页
采用α=β配合控制的有环流V—M可逆调速系统设计.docx_第9页
第9页 / 共33页
采用α=β配合控制的有环流V—M可逆调速系统设计.docx_第10页
第10页 / 共33页
亲,该文档总共33页,到这儿已超出免费预览范围,如果喜欢就下载吧!
资源描述

《采用α=β配合控制的有环流V—M可逆调速系统设计.docx》由会员分享,可在线阅读,更多相关《采用α=β配合控制的有环流V—M可逆调速系统设计.docx(33页珍藏版)》请在第壹文秘上搜索。

1、目录第1章设计要求2第2章控制系统整体方案设计 3第3章主回路设计73.1 主回路参数计算及元器件选择 71. 1.1整流变压器的参数计算 73. 1.2晶闸管的选择84. 1.3电抗器的设计83.2 回路参数计算及元器件选择 101. 2. 1交流侧过压,过流保护 103. 2. 2直流侧过压,过流保护 124. 2.3晶闸管过压,过流保护 133. 3触发回路设计 143. 4励磁回路设计 16第4章控制回路设计174. 1电流环设计(ACR) 174. 2转速环设计(ASR) 204. 3反馈回路设计264.3. 1电流反馈2643 2转速反馈27第5章辅助回路设计285. 1直流稳压电

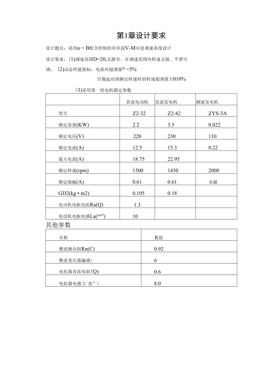
2、源 285. 2接触器操作回路 295. 3反相器295. 4限幅电路305. 5给定电路31第6章设计感想32参考文献 33第1章设计要求设计题目:采用 = B配合控制的有环流V-M可逆调速系统设计设计要求:(1)调速范围D=20,无静差。在调速范围内转速无级、平滑可调; (2)动态性能指标:电流环超调量i 5%空载起动到额定转速时的转速超调量万010%(3)采用第一组电机额定参数直流电动机直流发电机测速发电机型号Z2-32Z2-42ZYS-3A额定容量(KW)2.23.50.022额定电压(V)220230110额定电流(A)12.515.30.22最大电流(A)18.7522.95额定转

3、速(rpm)150014502000额定励磁(A)0.610.61永磁GD2(kg m2)0.1050.18电动机电枢电阻Ra(Q)1.3电动机电枢电感La(zw)10其他参数名称数值整流侧内阻Rn(C)0.92整流变压器漏感)6电抗器直流电阻(Q)0.6电抗器电感力加”)8.0第2章控制系统整体方案设计L由于Q = 8配合控制的有环流V-M可逆调速系统采用转速、电流双闭环 控制,先对此控制简要说明:图27调速系统启动过程的电流和转速波形(a)带电流截止负反馈的单闭环调速系统(b)理想的快速起动过程带电流截止负反馈的单闭环直流调速系统起动过程如图a所示,理想 起动过程波形如图b所示,能获得的最

4、快的起动过程。为了实现在允许条件下的最快起动,采用电流负反馈能够得到近似的恒 流过程,为了实现转速和电流两种负反馈分别起作用,可在系统中设置两 个调节器,分别调节转速和电流,即分别引入转速负反馈和电流负反馈。二 者之间实行嵌套(或称串级)联接如图22所示。图2-2转速、电流双闭环直流调速系统结构图由两个调节器的输出都是带限幅作用的。转速调节器ASR的输出限 幅电压0;决定了电流给定电压的最大值;电流调节器ACR的输出限幅电 压UE限制了电力电子变换器的最大输出电压U加,2.接下来介绍 = 配合控制的有环流V-M可逆调速系统:较大功率的可逆直流调速系统多采用晶闸管电动机系统。由于晶闸管 的单向导

5、电性,需要可逆运行时经常采用两组晶闸管可控整流装置反并联的 可逆线路,如下图所示。但是,如果两组装置的整流电压同时出现,便会产生不流过负载而直接 在两组晶闸管之间流通的短路电流,称作环流。一般地说,这样的环流对负 载无益,徒然加重晶闸管和变压器的负担,消耗功率,环流太大时会导致晶 闸管损坏,因此应该予以抑制或消除。在不同情况下,会出现下列不同性质的环流:(1)静态环流。两组可逆线路在定控制角下稳定工作时出现的环流, 其中又有两类:直流平均环流:由晶闸管装置输出的直流平均电压所产生的环流称作直 流平均环流。瞬时脉动环流:两组品闸管输出的直流平均电压差为零,但因电压波形 不同,瞬时电压差仍会产生脉

6、动的环流,称作瞬时脉动环流。(2)动态环流。仅在可逆V-M系统处于过渡过程中出现的环流。为了防止产生直流平均环流,应该当正组VF处于整流状态时,强迫让 反组VR处于逆变状态,且控制其幅值与之相等,用逆变电压把整流电 压口的顶住,则直流平均环流为零。于是Udor - IJdof且UdOJ = Uch max COS CtfUdOy = UdO max COS CCr其中W和分别为VF和VR的控制角。由于两组晶闸管装置相同,两组的最大输出电压”。皿是一样的,因 此,当直流平均环流为零时,应有COSCtr =-cos0?或af + r = 80如果反组的控制用逆变角加表示,则Olf = r由此可见,

7、按照上式来控制就可以消除直流平均环流,这称作 二/配合控制。为了更可靠地消除直流平均环流,可采用 af r如下图2-4,为 二/配合控制的有环流V-M可逆调速系统的原理框图,图中,主电路由两组三相桥式晶闸管全控型整流器反并联组成,并共用 同一路三相电压。由于采用a = 配合控制方式,在两组整流器之间没有直 流环流,但还存在瞬时脉动环流,为了抑制瞬时脉动环流,在主电路中串入 了四个均衡电抗器乙1乙4,用于抑制瞬时脉动环流。平波电抗器起到滤 平电流波形的作用。控制电路采用转速和电流的双闭环控制。由于可逆调速电流的反馈信号 不仅要反映电枢电流的大小,还需要反映电枢电流的方向,图中的电流互感 器TA采

8、用了霍尔变换器来满足这一要求。第3章主回路设计3.1 主回路参数计算及元器件选择(一)3.1.1 整流变压器的参数计算般情况下,晶闸管变流装置所要求的交流供电电压与电网电压是不一 致的,所以需要整流变压器,通过变压器进行电压变换,并使装置与电网隔 离,减少电网与晶闸管变流装置的互相干扰。1.整流变压器二次相电压的计算当整流线路采用三相桥式整流,并采用速度调节系统时,对可逆系统:S = (1.05 1.1)x5/百=133.4 139.7 V 因此变压器的变比近似为:U i 380 C -K = 2.79U 2中 1362.整流变压器一、二次侧相电流的计算 (1)二次侧相电流/2的计算取 136

9、V式中Il = K !V IdNK”-二次侧相电流计算系数,Kv=O. 816IdN整流器额定直流电流(A) , /.=12.5Ii =0.816x12.5 = 10.2 力一次侧相电流心的计算式中 KlLldN 八 L1 = 1.05KKil次相电流计算系数K变压器的变压比变压器的变比近似为: tl 380 r”K = 2.79U 2136/i = 1.050.816 125/2.79/=3.8443.变压器的容量计算变压器二次侧容量Sz =O变压器一次侧容量Sl= mUii O一次相电压有效值取决于电网电压,所以变流变压器的平均容量 为S = ;(S1 + S1已知 w = W2 = 3所

10、以S = y(S1 + S2) = (mU i + m2U2I2)l=(3380 3.84 3136 10.2)2(K) = 4269 .6(P)设计时留取一定的裕量,可以取容量为4.3KP4的整流变压器。3.1.2 .晶闸管的选择1 .晶闸管额定电压UG的选择本设计采用的是三相桥式整流电路,在阻感负载中晶闸管承受的最大电 压 Un, = 6t2 = 2.45 136 = 333.2 ,而考虑到电网电压的波动和操作 过电压等因素,还要放宽23倍的安全系数,则晶闸管额定电压U7计算 结果:S=(23)U“=(23)x2.45xl36=66649996P 取 WOOK2 .晶闸管额定电流晶闸管额定

11、电流/7W)的有效值大于流过元件实际电流的最大有效值。 一般取按此原则所得计算结果的1. 52倍。已知 I = 12.5, It 流过品闸管的最大电流有效值可得晶闸管的额定电流。计算结果:。M = (I52)昌= 11.915.9 力取 16A额定电压:Un 1000V 额定电流: /T(Ay) 16A经查阅资料本设计选用晶闸管的型号为KP20-103.1.3 电抗器的设计1 .平波电抗器的设计为了限制整流电流的脉动、保持整流电流连续,通常在变流器的直流输 出侧接入带有气隙的电抗器,称作平波电抗器。电动机电枢电感以(mH)Ll = IOmH整流变压器漏感心 (mH)Lt = G mH电抗器的电

12、感(mH)a.保证电流连续所需电抗器的电感值LI = KTUiId min为了使输出电流在最小负载电流时仍能连续,所需的临界电感值式中 KL-临界计算系数,三相全控桥取0. 693Zmin-电动机最小工作电流,取电动机额定电流的10%所以1 = 0.6931361250.1= 75.4mH实际串联的电抗器的电感值= L乙一27 = 75.4 10 2x6 = 53.4加b.限制电流脉动所需电抗器的电感值将输出电流的脉动量限制在要求的范围内需要的最小电感量乙2 (mH) 按下式计算2碗 SiId查表后计算得= 53. WZr 0.461000136Q X 2xx300 0.05 12.5实际串联

13、的电抗器的电感值LH = L2-La-2L = 53-0-26 = 31mH因为 Li LI所以平波电抗器LH取53 AmH 02 .均衡电抗器的选择限制环流所需的电抗器的电感值心=K伫Ir式中 KR一计算系数,三相全控桥取0.693“一环流平均值,取额定电流的10% 所以Lz 0.6931360.1x12.5=7 5 AmH实际所需的均衡电感量LR = L3 2L = 75.4-26 = 63.4mH3.2主回路参数计算及元器件选择(二)3.2.1 交流侧过压,过流保护L交流侧过电压保护阻容吸收保护通常在变压器二次侧并接电阻R和电容C串联支路进行保 护。此种接法电容电阻的计算:cC6.k(M)U 2电容的耐压1.5U,“本系统 S=4.3 KV A U2=136VIem=3NUdi=ZNa.电容的计算4 3C6x3x = 418/ZF取 5所b.电阻的计算1 362 AR23 J- = 10.13取 114.2 V32.交流侧过电流保护交流一次侧过电流保护可通过断路器实现。交流二次侧过电流保护用快速熔断器实现。(1)快速熔断器的额定电压应大于线路正常工作电压的有效值,即Ufn Kut2Ui2.45x136235.6(2)快速熔断器熔体的额定电流应大于等于被保护晶闸管额定电流:Ifn It(AV) = 16A 则选型为RS3/20-200.322直流侧过压,过流保护1 .直流侧过

展开阅读全文
相关资源
猜你喜欢
相关搜索

当前位置:首页 > 高等教育 > 实验设计

copyright@ 2008-2023 1wenmi网站版权所有

经营许可证编号:宁ICP备2022001189号-1

本站为文档C2C交易模式,即用户上传的文档直接被用户下载,本站只是中间服务平台,本站所有文档下载所得的收益归上传人(含作者)所有。第壹文秘仅提供信息存储空间,仅对用户上传内容的表现方式做保护处理,对上载内容本身不做任何修改或编辑。若文档所含内容侵犯了您的版权或隐私,请立即通知第壹文秘网,我们立即给予删除!