质量管理部组织架构与职责.docx

上传人:p** 文档编号:712668 上传时间:2024-01-20 格式:DOCX 页数:1 大小:35.87KB
下载 相关 举报
质量管理部组织架构与职责.docx_第1页
第1页 / 共1页
亲,该文档总共1页,全部预览完了,如果喜欢就下载吧!
资源描述

《质量管理部组织架构与职责.docx》由会员分享,可在线阅读,更多相关《质量管理部组织架构与职责.docx(1页珍藏版)》请在第壹文秘上搜索。

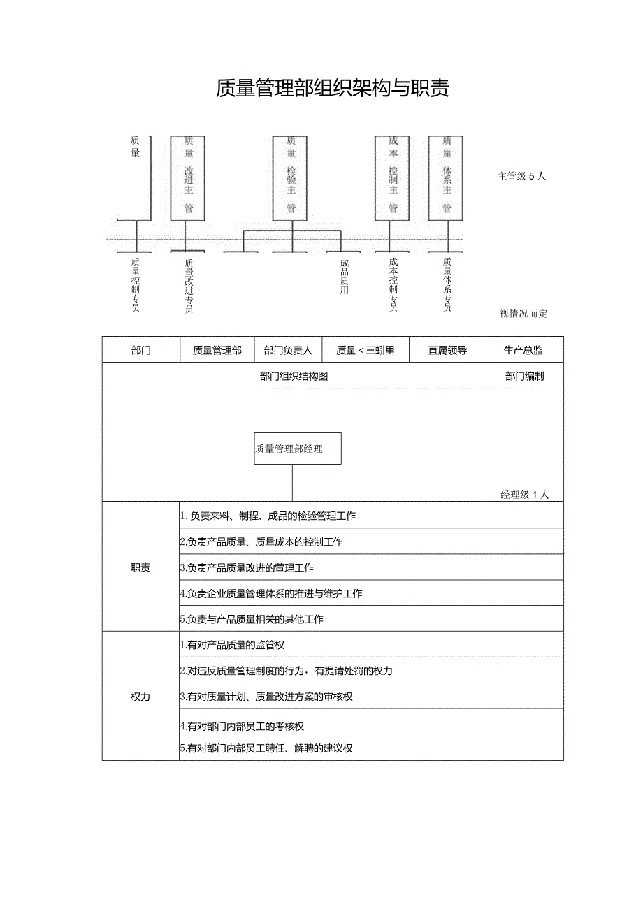
质量管理部组织架构与职责主管级5人质 量视情况而定质量体系专员成本控制专员成品质用质量改进专员质量控制专员部门质量管理部部门负责人质量三蚓里直属领导生产总监部门组织结构图部门编制经理级1人质量管理部经理职责1.负责来料、制程、成品的检验管理工作2.负责产品质量、质量成本的控制工作3.负责产品质量改进的萱理工作4.负责企业质量管理体系的推进与维护工作5.负责与产品质量相关的其他工作权力1.有对产品质量的监管权2.对违反质量管理制度的行为,有提请处罚的权力3.有对质量计划、质量改进方案的审核权4.有对部门内部员工的考核权5.有对部门内部员工聘任、解聘的建议权

展开阅读全文
相关资源
猜你喜欢
相关搜索

当前位置:首页 > 管理/人力资源 > 质量管理

copyright@ 2008-2023 1wenmi网站版权所有

经营许可证编号:宁ICP备2022001189号-1

本站为文档C2C交易模式,即用户上传的文档直接被用户下载,本站只是中间服务平台,本站所有文档下载所得的收益归上传人(含作者)所有。第壹文秘仅提供信息存储空间,仅对用户上传内容的表现方式做保护处理,对上载内容本身不做任何修改或编辑。若文档所含内容侵犯了您的版权或隐私,请立即通知第壹文秘网,我们立即给予删除!