LNG工厂操作规程.docx

上传人:p** 文档编号:726872 上传时间:2024-01-29 格式:DOCX 页数:67 大小:719.42KB
下载 相关 举报
LNG工厂操作规程.docx_第1页
第1页 / 共67页
LNG工厂操作规程.docx_第2页
第2页 / 共67页
LNG工厂操作规程.docx_第3页
第3页 / 共67页
LNG工厂操作规程.docx_第4页
第4页 / 共67页
LNG工厂操作规程.docx_第5页
第5页 / 共67页
LNG工厂操作规程.docx_第6页
第6页 / 共67页
LNG工厂操作规程.docx_第7页
第7页 / 共67页
LNG工厂操作规程.docx_第8页
第8页 / 共67页
LNG工厂操作规程.docx_第9页
第9页 / 共67页
LNG工厂操作规程.docx_第10页
第10页 / 共67页
亲,该文档总共67页,到这儿已超出免费预览范围,如果喜欢就下载吧!
资源描述

《LNG工厂操作规程.docx》由会员分享,可在线阅读,更多相关《LNG工厂操作规程.docx(67页珍藏版)》请在第壹文秘上搜索。

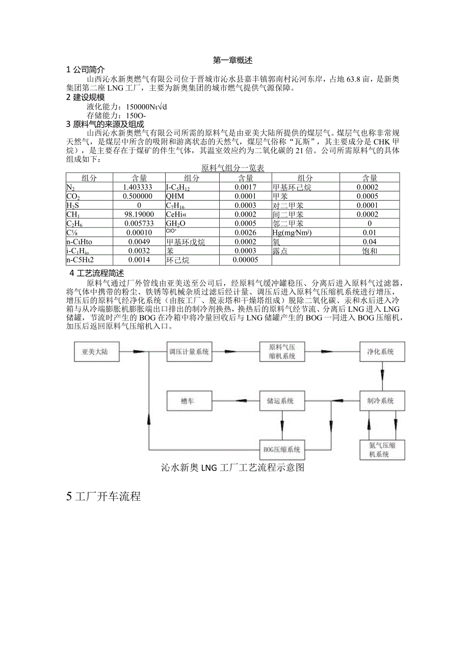
1、第一章概述1公司简介山西沁水新奥燃气有限公司位于晋城市沁水县嘉丰镇郭南村沁河东岸,占地63.8亩,是新奥集团第二座LNG工厂,主要为新奥集团的城市燃气提供气源保障。2建设规模液化能力:150000Nd存储能力:150O-3原料气的来源及组成山西沁水新奥燃气有限公司所需的原料气是由亚美大陆所提供的煤层气。煤层气也称非常规天然气,是煤层中所含的吸附和游离状态的天然气,煤层气俗称“瓦斯”,其主要成分是CHK甲烷),是主要存在于煤矿的伴生气体,其温室效应约为二氧化碳的21倍。公司所需原料气的具体组成如下:原料气组分一览表组分含量组分含量组分含量N21.403333I-C5H120.0017甲基环己烷0

2、.0002CO20.500000QHM0.0001甲苯0.0005H2S0C7H160.0003对二甲苯0.0001CH198.19000CeHi0.0002间二甲苯0.0002C2H60.005733GH2O0.0005邻二甲苯0C0.00010ClO+0.0026Hg(mgNmj)0.01n-CHto0.0049甲基环戊烷0.0002氧0.04i-C1Hio0.0032苯0.0003露点饱和n-C5H20.0014环己烷0.000054工艺流程简述原料气通过厂外管线由亚美送至公司后,经原料气缓冲罐稳压、分离后进入原料气过滤器,将气体中携带的粉尘、铁锈等机械杂质过滤后经计量、调压后进入原料气

3、压缩机系统进行增压,增压后的原料气经净化系统(由胺工厂、脱汞塔和干燥塔组成)脱除二氧化碳、汞和水后进入冷箱与从冷端膨胀机膨胀端出口排出的制冷剂换热,换热后的原料气经节流、分离后LNG进入LNG储罐,节流时产生的BOG在冷箱中将冷量回收后与LNG储罐产生的BOG一同进入BOG压缩机,加压后返回原料气压缩机入口。沁水新奥LNG工厂工艺流程示意图5工厂开车流程沁水新奥LNG工厂开车流程图密封气切换20min后,回收密封气,膨眠机吹除阀继续保持开启状态。随着密封气压力的增加,油箱压力也会增加,整及时调整油箱的压力,防止超压。切换密封气时要注意瑟压机的差值变化.沁水新奥LNG工厂停车流程图必要时可降低膨

4、胀机油箱压力1系统功能第二章主体设备操作规程第一节调压计量系统调压计量系统为后续工段提供压力稳定的气源,并对原料气进行计量。2工艺流程商介原料气经厂外管线由亚美大陆集气站送至调压计量系统后,进入原料气缓冲罐进行稳压和初步分离,然后进入原料气过滤器,过滤器共有2台,一开一备。原料气经原料气过滤器过滤,除去气体中携带的机械杂质和粉尘后,3工艺参数原料气压力:原料气温度:常温原料气流量:6250Nm7h经流量计计量和调压器调压进入原料气压缩机系统。O.4MPa4主要设备序号名称位号数量技术参数主要设备一览表1原料气缓冲罐VOlOl1容积:8.78m类别:一类最高工作压力:0.7MPa2过滤器F010

5、1A/B2精度:10Unl类别:一类设讦压力:LOMPa确认设备地脚螺栓牢靠,各连接点无泄露,仪表显示正常,安全设施完好有效; 打开紧急切断阀;(3)打开人口手阀:导通流程将原料气过滤器、流量计、调压阀投用,并将调压阀设为自动,压力设定为04MPa5.2停车关闭系统进出口阀门。5.3过滤器切换以F-OlolA切入,FTHOIB切出为例,其步骤如下: 缓慢打开F-OlOlA的出口阀和进口阀,直至全开; 缓慢关闭F-OlOIB的进出口阀门,直至全关。5.4流量计切入、切出5.4.1 切出缓慢打开流量计的旁通阀,直至全开; 缓慢关闭流量计出口阀和进口阀,直至全关。5.4.2 切入缓慢开启流量计的入1

6、1阀门,直至全开:缓慢开启流量计的出11阀门,直至全开;缓慢关闭旁通阀直至全关。5. 5调压阀的切入、切出6. 5.1切出缓慢开启调压阀的旁通阀,同时缓慢关闭调压阀的入11阀,确保阀后压力稳定,直至入口阀关闭;调整旁通阀的开度,使阀后压力稳定在调节阀切出前的要求:缓慢关闭调节阀的出11阀。5.5.2切入确认调节阀处于全关状态;缓慢打开调节阀的进出11阀门:将调节阀的出口压力设定为当前的阀后压力,并将调节阀打至自动状态:缓慢关闭旁通阀直至全关,调节阀将自动根据阀后压力调整阀门的开度,5.6紧急操作如装置发生爆炸、火灾、泄漏等事故,需要切断和外界的联系时,中控室启用ESD系统,关闭原料气入I I紧

7、急切断阀;如装置发生原料气入口压力超过7bar,安全阀无法满足卸压要求时,操作人员现场紧急打开原料气 缓冲罐和管路上的安全阀旁通阀进行卸压操作。6运行期间的监控在系统投运过程中,应加强对系统内各设备的监护,发现偏离正常运行的情况及时进行调整,以确保 系统处于最佳运行状态。55.1开车计量调压系统主要监控项目一览表序号检查项目衡量标准检食频率备注1入口压力(MPa)0.35随时2入口温度常温随时3过滤器压差(KPa)152h7调压计量系统故障排除表项目故障情形可能发生原因排除方法一紧急切断阀无法打开1.阀门断电2.仪表风压力不足1 .检查仪表接线2 .提高仪衣风压力二过滤器压差大滤芯阻塞清洗滤芯

8、三调压阀故障1 .程控系统信号无输出2 .程控系统设置不正确3 .仪表空气气源阀未开启1.阀门定位器设置不正确5 .阀芯位置过高过低6 .调节阀薄膜损坏I.检食程控系统程序及接线2 .设置正确的给定值3 .开启仪表空气源阀,1.调整阀门定位器设备5 .调整阀芯位置6 .更换薄膜第二节原料气压缩机系统山西沁水新奥燃气有限公司的原料气压缩系统有三台同型号的往复活塞式压缩机组成,其中两台运行台备用,均为异步电机驱动,电动机通过联轴器带动压缩机曲轴进行工作,电机转向为逆时针(从压缩机非驱动端看)。压缩机型号为DWT2.78/4-31.8型,二列二级对称平衡D型,气缸均为双作用,气缸、填料均为无油润滑结

9、构,气阀采用网状阀结构,并采用水冷。压缩机气缸布置如下:1系统功能原料气压缩机系统用来提高原料气的压力,以满足后续工段的工艺要求。2工艺流程筒介来自入口计量系统(SKID1#)的原料气经过压缩机入口过滤器(F-0201)过滤后进入压缩机级缸进行一级压缩。一级压缩后的原料气经一级冷却器(E-0201)冷却后进入一级气液分离器(V-0201)进行气液分离,分离后的原料气进入二级缸进行二级压缩。二级压缩后的原料气经二级冷却器(E-0202)冷却后进入二级气液分离器(V-0202),分离后的原料气经篮式过滤器(F-0299)过游后送入下工段。在经每级压缩时,均进入进、排气缓冲罐(SVBDVB),用以减

10、小气流脉动。3工艺参数进口压力(MPa)进口温度CC)出口压力(MPa)出口温度CC)冷却后温度(C)一级0.4211.2310040二级1.23403.311640额定排气压力:3.18MPa卸荷压力:3.3MPa复位压力:2.7MPa额定压比范围:2.56-2.76.56-77.29)4主要设备主要设备一览表序号名称位号数量技术参数功能1原料气压缩机C-02013型号:D030流量:12.78msmin出口压力:3.18MPa给原料气进行增压2三项异步电动机M-02013型号:YB710-12转速:485rpm功率:355KW额定电流:30.4A为压缩机提供动力3一级冷却器E-02013B

11、IU400-1.41/0.58-22-2.5/19-2冷却一级出II原料气4一级分离器V-02013类别:一类容积:0.212m3设计压力:1.55Mpa最高工作压力:1.22Mpa分离原料气中的游离液体5二级冷却器E-02023BIU350-3.7/0.58-20.1-3.5/19-2II冷却一级出口原料气6二级分离器V-02023类别:二类容积:0.135m3设计压力:3.6Mpa最高工作压力:3.18Mpa分离原料气中的游离液体7蓝式过滤器F-02991型号:KAL-7600过滤精度:C级工作压力:4.OMPa分离原料气中的润滑油8入口过滤器F-02013设计压力:1.0MPa容积:0.

12、15mJ过滤原料气中夹杂的杂质、粉尘9涧滑油箱V0-2031存储压缩机润滑油10涧滑油冷却器E-02031型号:GLC3-4换热面积:4m2公称压力:1.6MPa冷却系统返回的润滑油11润滑油过滤器F-02022过滤润滑油中夹杂的杂质12润滑油辅油泵P-02011CBTKo-F423LP-为润滑油提供动力13涧滑油电加热器H-02012型号:HX-O防爆等级:EXd11CT4功章:3KW电压:380V为润滑油提供热量5原料气压缩机操作规程5.1开机前准备检查压缩机主要螺纹连接部位、地脚螺栓是否牢靠:检查压缩机电气、仪表线路是否连接正确、牢匏,各仪表能否正常工作;打开卸荷阀的控制气源仪表风,确认

13、出口阀门和放空阀为关闭状态(若检修完毕时需置换);(4)确认小控制室面板各参数与中控室显示一致;(5)确认“二回一”、“一回一”旁通阀门、为全开状态,入口阀门V0201排气阀门V0202,放散阀门V0203为关闭状态;(6)确认人口过滤器排液阀、一级、二级油气分离器排液阀,一级、二级排气缓冲罐排液阀为关闭状态:确认两级接筒排污阀为全开状态;(8)确认现场操作柱转换开关在“手动”状态;(9)若电机更换或维修后,检查电机的转向(面向电机风扇顺时针)是否正确;检查油箱油位,液位应控制在液位计的35%75%;将油温控制在30C以上;OD若压缩机停机超过1个月,检查主电机的绝缘电阻是否合格;(13调整好压缩机的气、水、油的安全保护系统;打开冷却水的各排气阀,确认有水流出;04)启动辅油泵(见5.6)对运动机构进行润滑(油泵长时间未运行需开启油路排气阀排气直至有油排出,若无油排出,打开主油泵旁通阀,进行排气),同时观察油箱油位,如油量低于液位计所标最低液位应及时补加:(15)按压缩机转向手动盘车23转,确认运动部件无刮、卡现象。5.2压缩机启动(0确认准备工作完毕:缓慢打开入口阀门V0201直至系统压力稳定;通知运营电工送电至现场操作柱;按下现场操作柱的“主机启动”按钮,观察仪表柜上油压表,

展开阅读全文
相关资源
猜你喜欢
相关搜索

当前位置:首页 > 行业资料 > 国内外标准规范

copyright@ 2008-2023 1wenmi网站版权所有

经营许可证编号:宁ICP备2022001189号-1

本站为文档C2C交易模式,即用户上传的文档直接被用户下载,本站只是中间服务平台,本站所有文档下载所得的收益归上传人(含作者)所有。第壹文秘仅提供信息存储空间,仅对用户上传内容的表现方式做保护处理,对上载内容本身不做任何修改或编辑。若文档所含内容侵犯了您的版权或隐私,请立即通知第壹文秘网,我们立即给予删除!