石毅大道建设工程-涵洞设计说明.docx

上传人:p** 文档编号:729218 上传时间:2024-01-29 格式:DOCX 页数:6 大小:26.50KB
下载 相关 举报
石毅大道建设工程-涵洞设计说明.docx_第1页
第1页 / 共6页
石毅大道建设工程-涵洞设计说明.docx_第2页
第2页 / 共6页
石毅大道建设工程-涵洞设计说明.docx_第3页
第3页 / 共6页
石毅大道建设工程-涵洞设计说明.docx_第4页
第4页 / 共6页
石毅大道建设工程-涵洞设计说明.docx_第5页
第5页 / 共6页
石毅大道建设工程-涵洞设计说明.docx_第6页
第6页 / 共6页
亲,该文档总共6页,全部预览完了,如果喜欢就下载吧!
资源描述

《石毅大道建设工程-涵洞设计说明.docx》由会员分享,可在线阅读,更多相关《石毅大道建设工程-涵洞设计说明.docx(6页珍藏版)》请在第壹文秘上搜索。

1、基础设计规范(JTG3363-2019)的有关规定进行深度修正所得。5、当涵底地基承载力基本容许值fao不满足要求时,应根据设计要求并结合实际情况采用适当的方法进行处理。二、设计规范1、城市道路交通工程项目规范(GB55011-2021)2、公路工程技术标准(JTGB01-2014)3、公路桥涵设计通用规范(JTGD60-2015)4、公路钢筋混凝土及预应力混凝土桥涵设计规范(JTG3362-2018)5、公路桥涵地基与基础设计规范(JTG3363-2019)6、公路涵洞设计规范(JTG/T3365-02-2020)7、公路桥涵施工技术规范(JTG/T3650-2020)8、公路工程混凝土结构

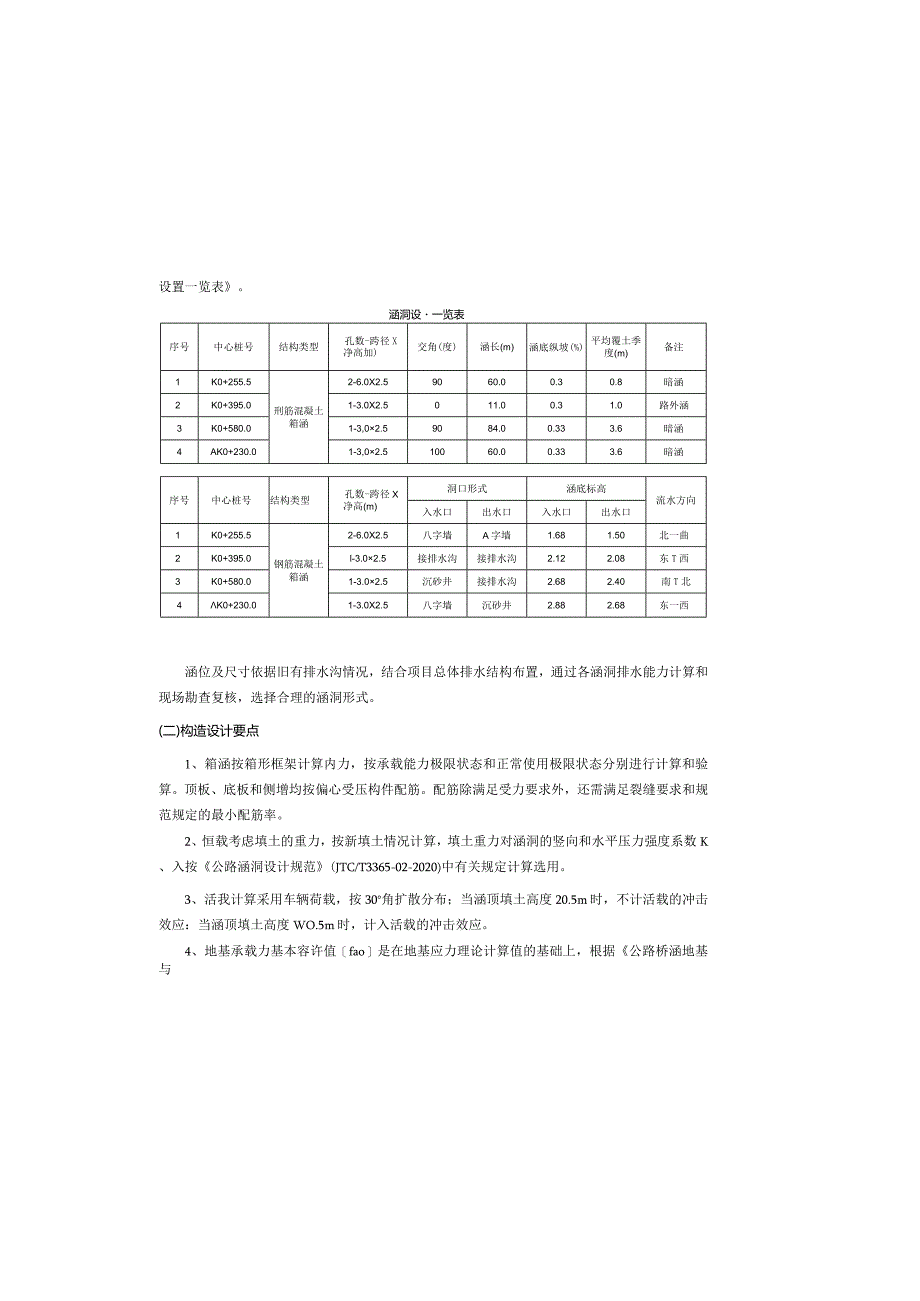
2、耐久性设计规范(JTG/T3310-2019)9、城市道路工程设计规范(CJJ37-2012)(2021版)10、城市桥梁设计规范(CJJ11-2011)(2021年版)11、混凝土结构耐久性设计标准(GB/T50476-2019)12、城市道路交通设施设计规范(GB50688-2011)(2021年版)及其他相关国家颁布的技术规范。三、技术标准1、汽车荷载:城-A级2、桥涵设计洪水频率:1/1003、设计安全等级:二级4、涵洞结构设计工作年限:50年5、环境类别:I类6、环境作用等级:I-C类一、概况本次设计新建涵洞共计4道,均为过水涵洞(钢筋混凝上箱涵)。具体信息详见本说明涵洞设置一览表。

3、涵洞设一览表序号中心桩号结构类型孔数-跨径X净高加)交角(度)涵长(m)涵底纵坡(%)平均覆土季度(m)备注1K0+255.5刑筋混凝土箱涵2-6.0X2.59060.00.30.8暗涵2K0+395.01-3.0X2.5011.00.31.0路外涵3K0+580.01-3,02.59084.00.333.6暗涵4AK0+230.01-3,02.510060.00.333.6暗涵序号中心桩号结构类型孔数-跨径X净高(m)洞口形式涵底标高流水方向入水口出水口入水口出水口1K0+255.5钢筋混凝土箱涵2-6.0X2.5八字墙A字墙1.681.50北一曲2K0+395.0l-3.02.5接排水沟接

4、排水沟2.122.08东T西3K0+580.01-3.02.5沉砂井接排水沟2.682.40南T北4K0+230.01-3.0X2.5八字墙沉砂井2.882.68东一西涵位及尺寸依据旧有排水沟情况,结合项目总体排水结构布置,通过各涵洞排水能力计算和现场勘查复核,选择合理的涵洞形式。(二)构造设计要点1、箱涵按箱形框架计算内力,按承载能力极限状态和正常使用极限状态分别进行计算和验算。顶板、底板和侧增均按偏心受压构件配筋。配筋除满足受力要求外,还需满足裂缝要求和规范规定的最小配筋率。2、恒载考虑填土的重力,按新填土情况计算,填土重力对涵洞的竖向和水平压力强度系数K、入按公路涵洞设计规范(JTC/T

5、3365-02-2020)中有关规定计算选用。3、活我计算采用车辆荷载,按30角扩散分布;当涵顶填土高度20.5m时,不计活载的冲击效应:当涵顶填土高度WO.5m时,计入活载的冲击效应。4、地基承载力基本容许值fao是在地基应力理论计算值的基础上,根据公路桥涵地基与五、施工工艺和要求(一)、抛石基础换填抛石基础换填工艺适用于箱涵基础下方软基处理。设计中暂按50Cm厚换填量考虑,换填宽度与基坑底同宽,长度与涵长致。施工方法及要求如下:(1)换填石料应采用岩性均匀,无裂纹,遇水不软化崩解的硬质岩石,粒径不小于5cm,并不大于碾压层厚的2/3,浸水后抗压强度不得小于30MPa,软化系数大于0.8;(

6、2)抛填前应尽可能将基坑底部水抽干: 3)抛填应沿基坑中线向前抛填,再向两侧扩展: 4)先将大粒径的片石均匀分层抛投至软土面,然后将小粒径的片石推平嵌缝,并用较小石块填塞垫平; 5)为保证换填填料压实的均匀性和密实度,应整平面层后再进行压实,夯实顺序为由四周向中间进行。最终换填层地基承载力特征值应达到图纸相关路段的要求。(二)、钢筋制作及安装的技术要求 1)受力钢筋宜用自动对焊机对焊接长(焊口需经检验合格): 2)侧墙竖向钢筋、底板钢筋接头均需采用焊接搭接:3)钢筋只允许在其长度两头各(1514)L及后浇带处接驳:4)在任一搭接截面范围内,只允许50%钢筋接驳。接驳长度:单面焊IOd;双面焊5

7、d;冷驳长度按国家建筑标准设计图集06G112的表3.3.1332选用。钢筋锚固长度符合混凝土结构设计规范(GB5OOIO-2OIO)的规定;(5)梁、柱箍筋弯钩135,弯钩直段长度10d(d为箍筋直径);(6)若图纸未表示顶板及底板的构造支撑筋,则按Cl61000xl(X)0布置:(7)若图纸未表示侧墙水平拉筋,则按A85OOX5OO布置;8)钢筋遇孔洞时应尽量绕过,不得截断。如必须截断时,应与孔洞口加固环筋焊接锚固。四、主要材料(一)、混凝土1、C35防水混凝土:箱涵涵身。2、C20混凝土:垫层、八字墙身、八字墙基础、帽石。具体要求:D水泥:水泥应采用品质稳定的普通硅酸盐水泥或硅酸盐水泥,

8、碱含量不宜大于0.60%,熟料中C3A含量不应大于8.0%o其余技术要求应符合公路工程集料试验规程(JTGE42-2005)的规定,不应使用其它品种水泥。2)细骨料:细骨料应采用硬质洁净的天然中粗河砂,也可使用经专门机组生产、并经试验确认的机制砂,其细度模数宜为2.63.2,含泥量不应大于2.0%,泥块含量不应大于0.5%(高性能混凝土),其余技术要求应符合公路工程集料试验规程(JTGE42-2005)的规定。3)粗骨料:粗骨料应采用坚硬耐久的碎石或卵石,空隙率宜小于40%,压碎指标宜小于20%,粗骨料母岩的抗压强度与混凝土设计强度之比应不小于1.5,含泥量不应大于1.0%,泥块含量不应大于0

9、.5%,针片状含量宜小于10%粒径宜为5mm-20三,连续线配,最大粒径不大于钢筋最小净距的3/4。其余技术要求应符合公路工程集料试验规程(JTGE42-2005)的规定。4)混凝土矿物掺和料应采用性能稳定的粉煤灰,粉煤灰氯离子含量不宜大于0.02%,其余性能应符合用于水泥和混凝土中的粉煤灰GB/T1596-2017中I级粉煤灰的规定。5)外加剂应采用品质稳定、且与胶凝材料具有良好相容性的产品。减水剂宜采用高效聚毅酸高性能减水剂,性能指标应符合混凝土外加剂(GB8076-2008)的规定,减水剂掺量以及与水泥的适用性应由试验确定。(二)、普通钢筋钢筋:普通钢筋采用HRB400钢筋和HPB300

10、钢筋,钢筋应符合钢筋混凝土用钢第I部分:热轧光圆钢筋(GB/T1499.1-2017)和钢筋混凝土用钢第2部分:热轧带肋钢筋(GB/T1499.2-2018)的规定。(三)、其它本项目所有材料质量的要求应符合公路桥涵施工技术规范(JTGfT3650-2020)的规定,并符合相应的国家标准。所有材料及标准件产品均采用通过国家级或部级鉴定的产品,并应按国标、部标要求进行抽样检验。10、浇混凝土垫层时应随浇随找平,要求表面平整光滑,不要出现露石子和坑槽,不平整处用砂浆抹平,以防戳破或压破防水层。IK未尽事宜,应符合交通部部颁公路桥涵施工技术规范(JTG/T3650-2020)的要求。七、耐久性设计施

11、工前研究确定施工工艺和选用材料,进行碎最佳配合比设计与实验,确保混凝土密实性和匀质性。碎粗骨料粒径不宜大于20mm。六、施工要点及注意事项有关涵洞的施工工艺、材料要求及质量标准,除按公路桥涵施工技术规范(JTG/T3650-2020)有关条文办理外,还应特别注意以下事项:施工前应全面仔细阅读整套设计图舐,领会设计意图.本章节内容仅概括说明施工方案及重点注意事项,施工时除按图纸及本说明要求执行外,还应严格按照公路桥涵施工技术规范(JTG/T3650-2020),公路工程施工安全技术规范(JTGF90-2015)以及其它相关国家标准或规范的相应条款执行。涵洞施工时应注意以下事项;1、箱涵基坑应按基

12、坑挖土组织设计步骤分层开挖,为保持坑底上体的原状结构,应根据I:体情况和挖土机械类型,在坑底以上保留2030Cm土层由人工挖除。2、箱涵采用就地浇筑工艺。全箱可分为二次浇筑。第一次浇至底板内壁以上30cm,第二次浇筑剩余部分。两次浇筑的接缝处应有良好的衔接面(粗糙、干净并不得有堆落的混凝土、砂浆等)。3、翼墙、侧墙背后填土,应在涵身混凝土强度达到100%设计强度时方可进行,要求分层压实,不得采用大型机械推土筑高一次压实法,也不得只在一侧压填,必须两侧对称进行。4、为了减少过路箱涵两侧填土的沉降量、改善涵顶两侧路面的平顺性,涵背回填材料应压实稔定,再整体恢复路面层。本项目部分箱涵顶部覆土厚度较小

13、,施工前务必认真阅读相关设计图纸中的布置说明,核实各部分高程均满足施工要求后精确放样、施工。5、箱涵作为闭合框架的主要受力,钢筋拟采用绑扎接头,当条件具备时应尽量采用焊接接头,此时按焊接搭接长度将图中有关钢筋作以修改。6、施工前应认真做好施工现场的排水及原有沟渠的临时贯通等准备工作,特别是基坑开挖后,要注意防排水,保证地基的稳定,以减少因地基泡水软化后引起大量的换填砂砾(级配碎石)数量。7、箱涵施工应与其它专业图纸配合使用,例如结合交通疏解规划分段开挖区间、结合排水工程确定箱涵与新建排水系统的接口并合理布置沉降缝等。8、箱涵结构每隔15m25m设置一道沉降缝(根据实际需要进行适当调整,箱涵检查井、排水管沟接入点5m范围内不得设缝,9、箱涵施工期间临时排水措施根据实际需要布设,本工程按照,1个箱涵施工工点同时施工考虑,设抽水台班数量按1倍集箱体积计算抽水量;临时围堰的布设以封堵箱涵进、出水口为准,布设长度参照基坑两侧底宽进行设置,数量表中每处围堰以(基坑底宽+2)m计量。

展开阅读全文
相关资源
猜你喜欢
相关搜索

当前位置:首页 > 建筑/环境 > 设计及方案

copyright@ 2008-2023 1wenmi网站版权所有

经营许可证编号:宁ICP备2022001189号-1

本站为文档C2C交易模式,即用户上传的文档直接被用户下载,本站只是中间服务平台,本站所有文档下载所得的收益归上传人(含作者)所有。第壹文秘仅提供信息存储空间,仅对用户上传内容的表现方式做保护处理,对上载内容本身不做任何修改或编辑。若文档所含内容侵犯了您的版权或隐私,请立即通知第壹文秘网,我们立即给予删除!