表137配筋砌体检验批质量验收记录.docx

上传人:p** 文档编号:803839 上传时间:2024-03-04 格式:DOCX 页数:3 大小:18.93KB
下载 相关 举报
表137配筋砌体检验批质量验收记录.docx_第1页
第1页 / 共3页
表137配筋砌体检验批质量验收记录.docx_第2页
第2页 / 共3页
表137配筋砌体检验批质量验收记录.docx_第3页
第3页 / 共3页
亲,该文档总共3页,全部预览完了,如果喜欢就下载吧!
资源描述

《表137配筋砌体检验批质量验收记录.docx》由会员分享,可在线阅读,更多相关《表137配筋砌体检验批质量验收记录.docx(3页珍藏版)》请在第壹文秘上搜索。

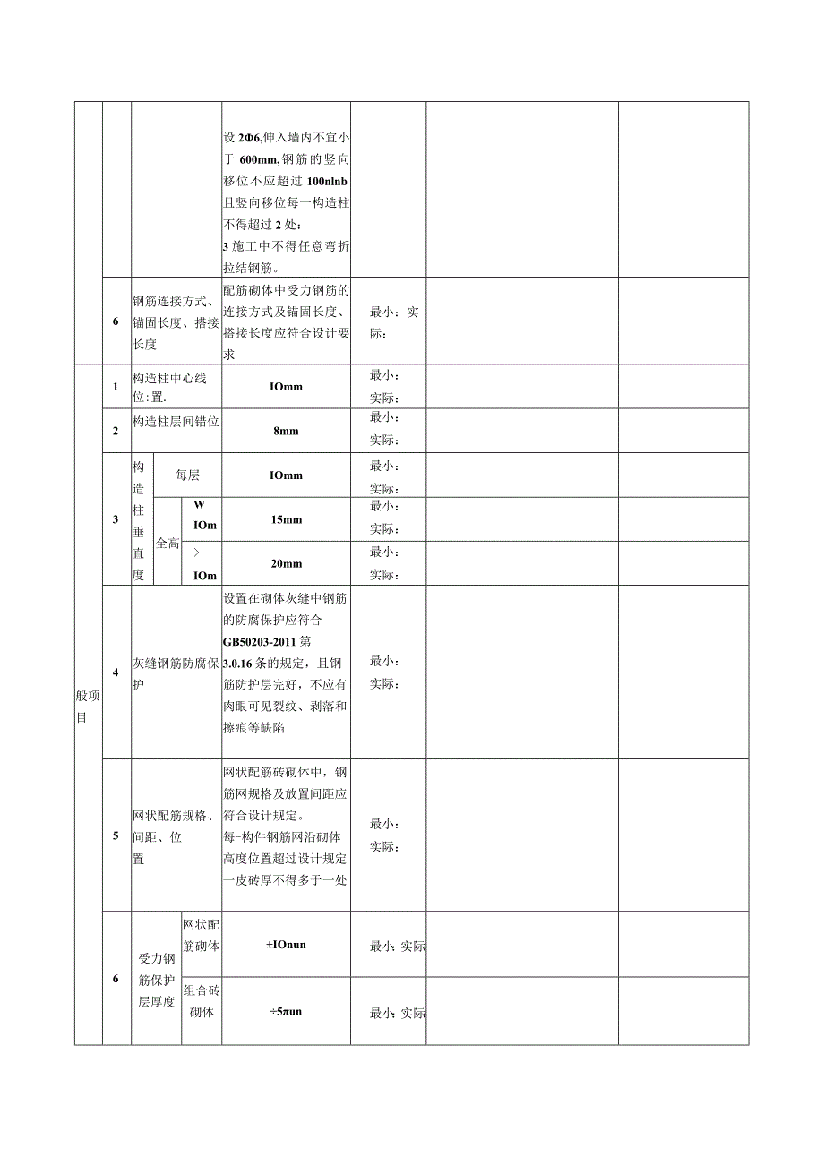
1、表137配筋砌体检验批质量验收记录编号:单位(子单位)工程名称分部(子分部)工程名称分项工程名称施工单位项目经理检验批容量分包单位分包单位项目经理检验批部位施工依据砌体结构工程施工规范GB50924-2014验收依据砌体结构工程施工质量验收规范GB50203-2011验收项目设计要求及规范规定最小/实际抽样数量检查记录检查结果主控项目1钢筋品种、规格、数量和设置部位设计要求:最小:实际:2混凝土强度等级构造柱、芯柱、组合砌体构件、配筋砌体剪力墙构件的混凝土强度等级应符合设计要求最小:实际:3砂浆强度等级构造柱、芯柱、组合砌体构件、配筋砌体剪力墙构件的砂浆强度等级应符合设计要求最小:实际:4块材

2、强度食设计要求:最小:实际:5构造柱与墙体的连接构造柱与墙体的连接应符合下列规定:1墙体应砌成马牙槎,马牙槎凹凸尺寸不宜小于60mm,高度不应超过300mm,马牙槎应先退后进,对称砌筑;马牙槎尺寸偏差每一构造柱不应超过2处:2预留拉结钢筋的规格、尺寸、数量及位置应正确,拉结钢筋应沿墙高每隔500mm最小:实际:设26,伸入墙内不宜小于600mm,钢筋的竖向移位不应超过100nlnb且竖向移位每一构造柱不得超过2处:3施工中不得任意弯折拉结钢筋。6钢筋连接方式、锚固长度、搭接长度配筋砌体中受力钢筋的连接方式及锚固长度、搭接长度应符合设计要求最小:实际:般项目1构造柱中心线位:置.IOmm最小:实

3、际:2构造柱层间错位8mm最小:实际:3构造柱垂直度每层IOmm最小:实际:全高WIOm15mm最小:实际:IOm20mm最小:实际:4灰缝钢筋防腐保护设置在砌体灰缝中钢筋的防腐保护应符合GB50203-2011第3.0.16条的规定,且钢筋防护层完好,不应有肉眼可见裂纹、剥落和擦痕等缺陷最小:实际:5网状配筋规格、间距、位置网状配筋砖砌体中,钢筋网规格及放置间距应符合设计规定。每-构件钢筋网沿砌体高度位置超过设计规定一皮砖厚不得多于一处最小:实际:6受力钢筋保护层厚度网状配筋砌体IOnun最小:实际:组合砖砌体5un最小:实际:配筋小砌块砌体IOnun最小:实际:7配筋小砌块砌体墙凹槽中水平钢筋间距IOmm最小:实际:施工单位检查结果班组长:分包单位项目质检员:项目部质检员:年月日监理单位验收结论专业监理工程师:年月日填表说明1、检验批容量填写:同一检验批内的体积数。2、最小/实际检查数量栏中,最小数量填写:5。3、表头中“施工依据”栏目应依照实际的施工操作依据填写,如施工企业的操作规程、工法、施工工艺标准等。

展开阅读全文
相关资源
猜你喜欢
相关搜索

当前位置:首页 > 办公文档 > 统计图表

copyright@ 2008-2023 1wenmi网站版权所有

经营许可证编号:宁ICP备2022001189号-1

本站为文档C2C交易模式,即用户上传的文档直接被用户下载,本站只是中间服务平台,本站所有文档下载所得的收益归上传人(含作者)所有。第壹文秘仅提供信息存储空间,仅对用户上传内容的表现方式做保护处理,对上载内容本身不做任何修改或编辑。若文档所含内容侵犯了您的版权或隐私,请立即通知第壹文秘网,我们立即给予删除!