D1600泵站支护井计算书.docx

上传人:p** 文档编号:828717 上传时间:2024-03-15 格式:DOCX 页数:5 大小:77.63KB
下载 相关 举报
D1600泵站支护井计算书.docx_第1页
第1页 / 共5页
D1600泵站支护井计算书.docx_第2页
第2页 / 共5页
D1600泵站支护井计算书.docx_第3页
第3页 / 共5页
D1600泵站支护井计算书.docx_第4页
第4页 / 共5页
D1600泵站支护井计算书.docx_第5页
第5页 / 共5页
亲,该文档总共5页,全部预览完了,如果喜欢就下载吧!
资源描述

《D1600泵站支护井计算书.docx》由会员分享,可在线阅读,更多相关《D1600泵站支护井计算书.docx(5页珍藏版)》请在第壹文秘上搜索。

1、二、D1600泵站支护井计算书本工程D1600泵站支护井,最大基坑深度约4.85米,支护井为封闭圆形钢筋混凝土结构,采用逆作法进行施工对基坑土体进行支护。计算条件一、支护井净空直径D=3.Om,采用C30混凝土进行浇筑;二、荷载计算:支护井基坑深度约4.85米(按5米进行后续计算),施工过程中应做好地下水相关监测工作,若施工时遇有地下水,应采取必要的降水措施,将地下水位降至基坑以下不小于0.5m处,并采取措施,防止其他水源进入基坑。按土层容重为21kNr,综合内摩擦角力=30进行土压力计算;地面堆载q=10kNm2,邻近道路车辆荷载=30kN,该支护井逆作法分段现浇碎护壁时,受力最大处位于井底

2、部,现取工作井最下部一截1米高度作为计算单元进行荷载计算。(a)主动土压力系数Ku=ta112(45-30/2)=0.3333;(b)地面堆载和邻近道路车辆荷载二者取大值,则q=30kNm2,(c)支护井护壁最大侧向主动土压力P=rhK+qKn=21x5x0.3333+30x0.3333=45kN/m2,综上,工作井护壁的最大侧压力P偏安全的按50kN进行后续计算。三、根据建筑施工手册(第五版)第10.4.5.8条,混凝土护壁厚度t可按下式计算:T吟或O嘴式中L护壁厚度(m);N作用在混凝土护壁截面上的压力(N11),NpD2iK-安全系数,一般取K=L65,混凝土轴心抗压强度(MPa);P-

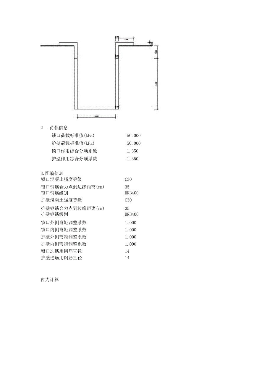
3、土和地下水对护壁的最大侧压力(MPa)。井壁计算时考虑混凝土达到轴心抗压强度设计值需要一定的龄期,此处计算时考虑龄期的影响,fc按0.2倍规范取值进行后续计算,即fc=0.2x14.3=2.86Nmm2则混凝土护壁厚度tl.65x50x3.0(2x2.86)/1000=0.05m;最终设计取值为t=250mm,满足计算要求,井壁按混凝土护壁计算配筋。四、按混凝土护壁进行计算配筋原始条件:1 .尺寸信息孔洞形状圆形内径D(In)3.000是否存在护壁锁口长度Ll(m)1.000护壁长度L2(m)4.000锁口厚bl(m)0.250护壁厚b2(m)0.250锁口顶端细部尺寸al(m)0.250锁口

4、顶端细部尺寸a2(m)1.200锁口顶端细部尺寸hl(m)0.001锁口顶端细部尺寸h2(m)0.2502 .荷载信息锁口荷载标准值(kPa)50.000护壁荷载标准值(kPa)50.000锁口作用综合分项系数1.350护壁作用综合分项系数1.3503.配筋信息锁口混凝土强度等级C30锁口钢筋合力点到边缘距离(mm)35锁口钢筋级别HRB400护壁混凝土强度等级C30护壁钢筋合力点到边缘距离(mm)35护壁钢筋级别HRB400锁口外侧弯矩调整系数1.000锁口内侧弯矩调整系数1.000护壁外侧弯矩调整系数1.000护壁内侧弯矩调整系数1.000锁口选筋用钢筋直径14护壁选筋用钢筋直径14内力计

5、算锁口计算50,000锁口轴力图(单他N)锁口最大弯矩=O.OkNm锁口最大剪力=0.OkN锁口最大轴力=-81.250kN护壁计算50,000-81.250狞壁轴力图(单他N)护壁最大弯矩=O.OkN-m护壁最大剪力=0.OkN护壁最大轴力=-81.250kN混凝土抗剪计算锁口锁口厚度:h=0.250(m)剪力最大值:V皿=0.000(kN)锁口作用综合分项系数:k=1.350剪力设计值:V=0.000(kN)V=0.7flbho=0.71.431000.000215.000=215215(N)=215.215(kN)混凝土抗剪满足要求护壁护壁厚度:h=0.250(m)剪力最大值:Vx=0.

6、000(kN)护壁作用综合分项系数:ks=1.350剪力设计值:V=0.000(kN)V=0.7flbh0=0.71.43X1000.000X215.000=215215(N)=215.215(kN)混凝土抗剪满足要求配筋计算锁口配筋取单位宽度(b=1000mm)计算锁口截面厚度h=250(mm)支座弯矩最大值:Mnw=0.000(kNm)跨中弯矩最大值:MnaX2=0.000(kNm)锁口作用综合分项系数:ks=1.350外侧弯矩调整系数:k1=1.000外侧弯矩设计值:M=0.000(kNm)内侧弯矩调整系数:k2=1.000内侧弯矩设计值:M=ksk2Mnax2=0.000(kNm)外侧钢筋计算面积:Asl=500(mm2)内侧钢筋计算面积:As2=500(mm2)护壁配筋取单位宽度(b=1000mm)计算锁口截面厚度h=250(mm)支座弯矩最大值:MeaXl=0.000(kNm)跨中弯矩最大值:MnE=0.000(kNm)护壁综合分项系数:k=1.350外侧弯矩调整系数:k1=1.000外侧弯矩设计值:M=kk1Mnail=0.000(kNm)内侧弯矩调整系数:k2=1.000内侧弯矩设计值:M=ksk2Max2=0.000(kNm)外侧钢筋计算面积:Asl=500(mm2)内侧钢筋计算面积:As2=500(mm2)

展开阅读全文
相关资源
猜你喜欢
相关搜索

当前位置:首页 > 建筑/环境 > 设计及方案

copyright@ 2008-2023 1wenmi网站版权所有

经营许可证编号:宁ICP备2022001189号-1

本站为文档C2C交易模式,即用户上传的文档直接被用户下载,本站只是中间服务平台,本站所有文档下载所得的收益归上传人(含作者)所有。第壹文秘仅提供信息存储空间,仅对用户上传内容的表现方式做保护处理,对上载内容本身不做任何修改或编辑。若文档所含内容侵犯了您的版权或隐私,请立即通知第壹文秘网,我们立即给予删除!