均压环、屏蔽环安装监理初检记录表.docx

上传人:p** 文档编号:834178 上传时间:2024-03-15 格式:DOCX 页数:1 大小:14.74KB
下载 相关 举报
均压环、屏蔽环安装监理初检记录表.docx_第1页
第1页 / 共1页
亲,该文档总共1页,全部预览完了,如果喜欢就下载吧!
资源描述

《均压环、屏蔽环安装监理初检记录表.docx》由会员分享,可在线阅读,更多相关《均压环、屏蔽环安装监理初检记录表.docx(1页珍藏版)》请在第壹文秘上搜索。

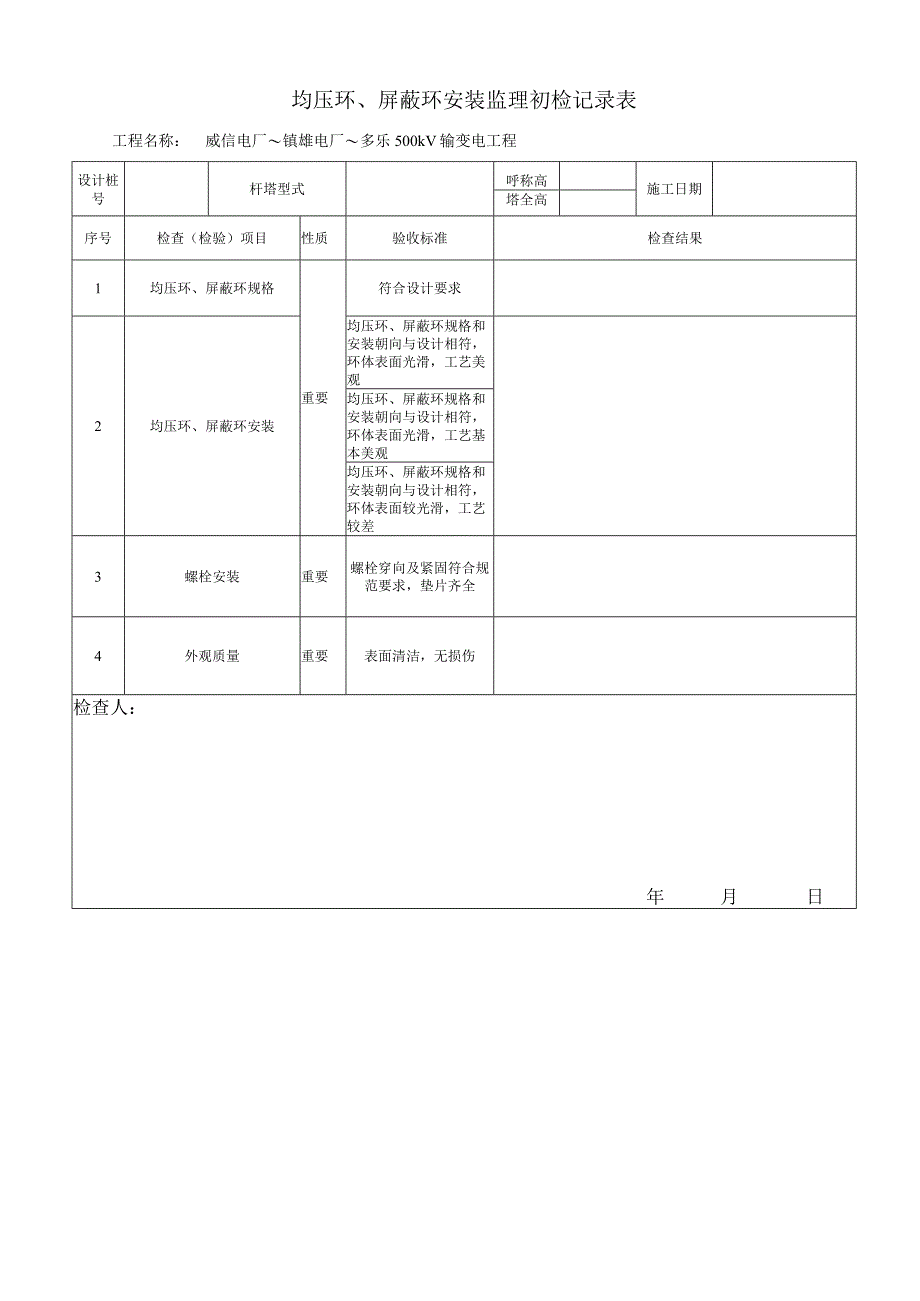
均压环、屏蔽环安装监理初检记录表工程名称:威信电厂镇雄电厂多乐500kV输变电工程设计桩号杆塔型式呼称高施工日期塔全高序号检查(检验)项目性质验收标准检查结果1均压环、屏蔽环规格重要符合设计要求2均压环、屏蔽环安装均压环、屏蔽环规格和安装朝向与设计相符,环体表面光滑,工艺美观均压环、屏蔽环规格和安装朝向与设计相符,环体表面光滑,工艺基本美观均压环、屏蔽环规格和安装朝向与设计相符,环体表面较光滑,工艺较差3螺栓安装重要螺栓穿向及紧固符合规范要求,垫片齐全4外观质量重要表面清洁,无损伤检查人:年月日

展开阅读全文
相关资源
猜你喜欢
相关搜索

当前位置:首页 > 建筑/环境 > 给排水/暖通与智能化

copyright@ 2008-2023 1wenmi网站版权所有

经营许可证编号:宁ICP备2022001189号-1

本站为文档C2C交易模式,即用户上传的文档直接被用户下载,本站只是中间服务平台,本站所有文档下载所得的收益归上传人(含作者)所有。第壹文秘仅提供信息存储空间,仅对用户上传内容的表现方式做保护处理,对上载内容本身不做任何修改或编辑。若文档所含内容侵犯了您的版权或隐私,请立即通知第壹文秘网,我们立即给予删除!