2024广西职业院校技能大赛高职组《新材料智能生产与检测》赛项样题第3套.docx

上传人:p** 文档编号:864824 上传时间:2024-03-24 格式:DOCX 页数:5 大小:30.72KB
下载 相关 举报
2024广西职业院校技能大赛高职组《新材料智能生产与检测》赛项样题第3套.docx_第1页
第1页 / 共5页
2024广西职业院校技能大赛高职组《新材料智能生产与检测》赛项样题第3套.docx_第2页
第2页 / 共5页
2024广西职业院校技能大赛高职组《新材料智能生产与检测》赛项样题第3套.docx_第3页
第3页 / 共5页
2024广西职业院校技能大赛高职组《新材料智能生产与检测》赛项样题第3套.docx_第4页
第4页 / 共5页
2024广西职业院校技能大赛高职组《新材料智能生产与检测》赛项样题第3套.docx_第5页
第5页 / 共5页
亲,该文档总共5页,全部预览完了,如果喜欢就下载吧!
资源描述

《2024广西职业院校技能大赛高职组《新材料智能生产与检测》赛项样题第3套.docx》由会员分享,可在线阅读,更多相关《2024广西职业院校技能大赛高职组《新材料智能生产与检测》赛项样题第3套.docx(5页珍藏版)》请在第壹文秘上搜索。

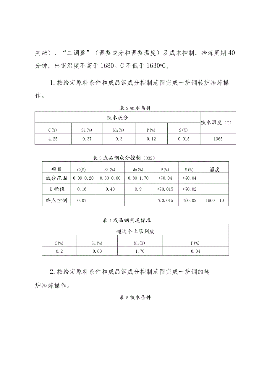
1、2024年广西职业院校技能大赛高职组新材料智能生产与检测赛项样题(第3套)一、竞赛须知1 .竞赛时间为7小时,分3个模块进行,各参赛队需完成全部任务。2 .提交的报告、电子文档等资料内容中不能填写与选手身份相关的信息,如院校、姓名。若出现上述信息,本模块成绩按照零分处理。二、竞赛内容与分值表1竞赛模块名称、时间、分值模块编号模块名称比赛时间分值模块一技能模块L5小时15分15分模块二理论机试L5小时30分模块三检测操作4小时40分合计7小时100分三、竞赛成果物提交参赛选手根据分配的账号登录系统,在竞赛结束前将模块一、模块二、模块三的成果提交到竞赛服务器。四、模块一:技能模块利用转炉炼钢智能操

2、作软件实现冶炼操作,共完成2炉钢的冶炼。任务包括“四脱”(脱碳、脱氧、脱磷和脱硫)、“二去“(去气和去夹杂)、“二调整”(调整成分和调整温度)及成本控制。冶炼周期40分钟,出钢温度不高于1680。C不低于1630oCo1.按给定原料条件和成品钢成分控制范围完成一炉钢转炉冶炼操作。表2铁水条件铁水成分铁水温度(T)C(%)Si(%)Mn(%)P(%)S(%)4.250.370.30.120.0151365表3成品钢成分控制(D32)项目C(%)Si(%)Mn(%)P(%)S(%)温度成分范围0.09-0.200.30-0.600.80-1.700.040.04目标值0.160.400.90.01

3、50.02终点控制0.070.0150.02166010表4成品钢判废标准超这个上限判废C(%)Si(%)Mn(%)P(%)0.20.601.700.042.按给定原料条件和成品钢成分控制范围完成一炉钢的转炉冶炼操作。表5铁水条件铁水成分铁水温度()C(%)Si(%)Mn(%)P(%)S(%)4.750.300.270.100.0161345前半程的原料配比、加料操作、枪位操作软件系统会自动按下表中给定的数据和时间完成,其它操作按正常流程进行。后半程选手根据炉况自行完成,操作得分视效果给予评分。操作要求:1)每次枪位调整幅度不得大于200mm;2)进入吹炼中期以后,矿石的加入量每批不超过800

4、kgo吹炼时间枪位nun加料本炉冶炼不允许加入萤石。表6原料配比铁水量t轻废钢t重废钢t120812石灰kg白云石kg镁球kg铁矿石kg第一批料200010008001000第二批料1000表7造渣材料数量表8操作要求吹炼时间枪位mm加料开吹200015秒加入第一批料2分0秒18003分0秒1600加入第二批料4分8秒起根据炉况自行操作表9成品钢成分控制(SS400)项目C(%)Si(%)Mn(%)P(%)S(%)温度成分范围0.15-0.170.17-0.230.67-0.730.0450.05目标值0.160.200.700.0250.035终点控制0.080.0250.035167010

5、表10成品钢判废标准超这个上限判废C(%)Si(%)Mn(%)P(%)0.220.350.90.045五、模块二:理论机试(见理论题库)六、模块三:检测操作利用电池容量测试仪、电池内阻测试仪,按照操作步骤需完成8支圆柱型锂离子电池容量、容量保持率和内阻的检测,并完成电池分类和检测报告,总时间240分钟。1、检查电池外观和测量尺寸;2、按给定测试条件完成8支圆柱型锂离子电池容量、容量保持率(放电容量与标称容量之比)和内阻的检测操作;3、操作步骤3.1测试条件设置(1)充电方式以LOC电流恒流充电至限制电压4.2V时,转变为恒压充电,截止电流为0.02C,最长充电时间不大于2h,停止充电。(2)搁置电池搁置时间5mino(3)放电方式以3。C电流放电至终止电压3.0V,最长放电时间不大于Iho(4)搁置电池搁置时间5mino3.2 安装电池。3.3 运行程序,测试记录数据。电池在满电状态下,完成8支电池的内阻检测操作。3.4 结果分析。根据电池测试结果,对8支电池进行A、B级分类。3.5 完成检测报告。

展开阅读全文
相关资源
猜你喜欢
相关搜索

当前位置:首页 > 中学教育 > 职业教育

copyright@ 2008-2023 1wenmi网站版权所有

经营许可证编号:宁ICP备2022001189号-1

本站为文档C2C交易模式,即用户上传的文档直接被用户下载,本站只是中间服务平台,本站所有文档下载所得的收益归上传人(含作者)所有。第壹文秘仅提供信息存储空间,仅对用户上传内容的表现方式做保护处理,对上载内容本身不做任何修改或编辑。若文档所含内容侵犯了您的版权或隐私,请立即通知第壹文秘网,我们立即给予删除!