基于案例分析的高层宾馆火灾蔓延特点研究.docx

上传人:p** 文档编号:887636 上传时间:2024-03-26 格式:DOCX 页数:4 大小:23.83KB
下载 相关 举报
基于案例分析的高层宾馆火灾蔓延特点研究.docx_第1页
第1页 / 共4页
基于案例分析的高层宾馆火灾蔓延特点研究.docx_第2页
第2页 / 共4页
基于案例分析的高层宾馆火灾蔓延特点研究.docx_第3页
第3页 / 共4页
基于案例分析的高层宾馆火灾蔓延特点研究.docx_第4页
第4页 / 共4页
亲,该文档总共4页,全部预览完了,如果喜欢就下载吧!
资源描述

《基于案例分析的高层宾馆火灾蔓延特点研究.docx》由会员分享,可在线阅读,更多相关《基于案例分析的高层宾馆火灾蔓延特点研究.docx(4页珍藏版)》请在第壹文秘上搜索。

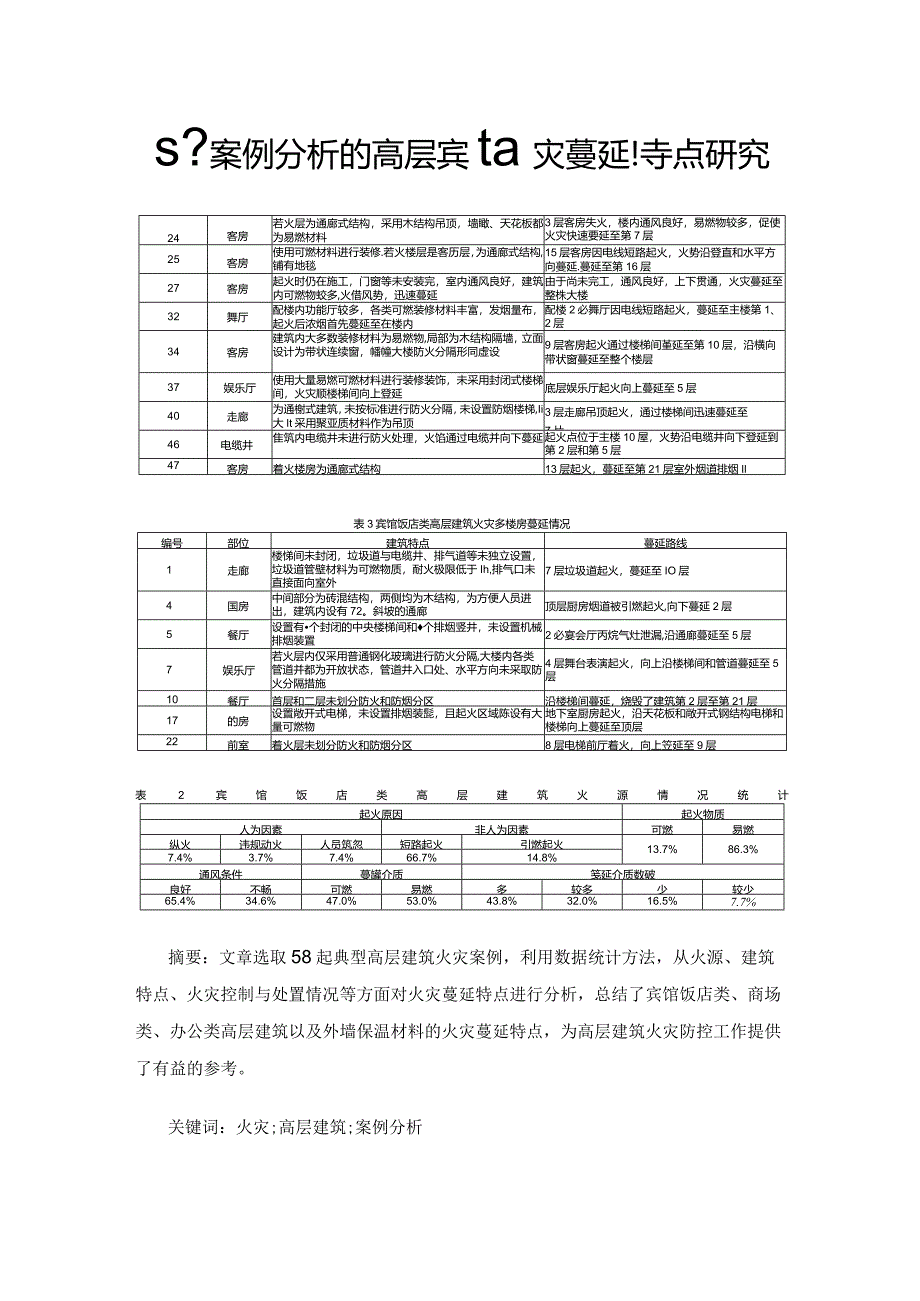
1、s?案例分析的高层宾ta灾蔓延!寺点研究24客房若火层为通廊式结构,采用木结构吊顶,墙瞰、天花板都为易燃材料3层客房失火,楼内通风良好,易燃物较多,促使火灾快速要延至第7层25客房使用可燃材料进行装修.若火楼层是客历层,为通廊式结构,铺有地毯15层客房因电线短路起火,火势沿登直和水平方向蔓延.蔓延至第16层27客房起火时仍在施工,门窗等未安装完,室内通风良好,建筑内可燃物蛟多,火借风势,迅速蔓延由于尚未完工,通风良好,上下贯通,火灾蔓延至整株大楼32舞厅配楼内功能厅较多,各类可燃装修材料丰富,发烟量布,起火后浓烟首先蔓延至在楼内配楼2必舞厅因电线短路起火,蔓延至主楼第1、2层34客房建筑内大多

2、数装修材料为易燃物,局部为木结构隔墙,立面设计为带状连续窗,幡幢大楼防火分隔形同虚设9层客房起火通过楼梯间堇延至第10层,沿横向带状窗蔓延至整个楼层37娱乐厅使用大量易燃可燃材料进行装修装饰,未采用封闭式楼梯间,火灾顺楼梯间向上登延底层娱乐厅起火向上蔓延至5层40走廊为通榭式建筑,未按标准进行防火分隔,未设置防烟楼梯,Ii大It采用聚亚质材料作为吊顶3层走廊吊顶起火,通过楼梯间迅速蔓延至7片46电缆井隹筑内电缆井未进行防火处理,火馅通过电缆并向下蔓延起火点位于主楼10屋,火势沿电缆井向下登延到第2层和第5层47客房着火楼房为通廊式结构13层起火,蔓延至第21层室外烟道排烟Il表3宾馆饭店类高层

3、建筑火灾多楼房蔓延情况编号部位建筑特点蔓延路线1走廊楼悌间未封闭,垃圾道与电缆井、排气道等未独立设置,垃圾道管壁材料为可燃物质,耐火极限低于Ih,排气口未直接面向室外7层垃圾道起火,蔓延至IO层4国房中间部分为砖混结构,两侧均为木结构,为方便人员进出,建筑内设有72。斜坡的通廊顶层厨房烟道被引燃起火,向下蔓延2层5餐厅设置有个封闭的中央楼梯间和个排烟竖井,未设置机械排烟装置2必宴会厅丙烷气灶泄漏,沿通廊蔓延至5层7娱乐厅若火层内仅采用普通钢化玻璃进行防火分隔,大楼内各类管道并都为开放状态,管道井入口处、水平方向未采取防火分隔措施4层舞台表演起火,向上沿楼梯间和管道蔓延至5层10餐厅首层和二层未

4、划分防火和防烟分区沿楼梯间蔓延,烧毁了建筑第2层至第21层17的房设置敞开式电梯,未设置排烟装髭,且起火区域陈设有大量可燃物地下室厨房起火,沿天花板和敞开式钢结构电梯和楼梯向上蔓延至顶层22前室着火层未划分防火和防烟分区8层电梯前厅着火,向上笠延至9层表2宾馆饭店类高层建筑火源情况统计起火原因起火物质人为因素非人为因素可燃易燃纵火违规动火人员筑忽短路起火引燃起火13.7%86.3%7.4%3.7%7.4%66.7%14.8%通风条件蔓罐介质笺延介质数破良好不畅可燃易燃多较多少较少65.4%34.6%47.0%53.0%43.8%32.0%16.5%7.7%摘要:文章选取58起典型高层建筑火灾案

5、例,利用数据统计方法,从火源、建筑特点、火灾控制与处置情况等方面对火灾蔓延特点进行分析,总结了宾馆饭店类、商场类、办公类高层建筑以及外墙保温材料的火灾蔓延特点,为高层建筑火灾防控工作提供了有益的参考。关键词:火灾;高层建筑;案例分析近年来,高层建筑火灾起数不断增多,火灾防控形势日益严峻。文章通过分析多起国内外高层建筑火灾典型案例,旨在总结归纳高层宾馆火灾蔓延的一般规律,力争为高层建筑火灾防控工作提供有益的借鉴。一、高层建筑火灾案例简介高层建筑种类多样,分布广泛,火灾对象差异性较大,应选取一定时间跨度内,能够体现出高层建筑特点的典型火灾案例进行分析。文章选取国内外WO起特大高层建筑火灾案例作为抽

6、样范围,确定了58起高层建筑火灾典型案例进行分析,如表1所示1-8:二、高层建筑火灾案例的统计与分析针对典型案例,主要对火灾案例中的火源情况、建筑特点、火灾蔓延情况、火灾控制及处置情况进行统计O对火源情况的统计主要包括起火原因、起火物质、蔓延介质及分布、通风条件等,其中起火原因按人为与非人为因素导致起火进行划分;起火物质和蔓延介质按可燃物、易燃物标准划分;通风条件按通风良好、通风不畅划分;蔓延介质分布按多、较多、少、较少的标准划分;对建筑特点与火灾蔓延情况的统计主要包括起火建筑的建筑特点与火灾蔓延路线。由案例分类可知,在发生火灾的高层建筑中,宾馆饭店类建筑所占比例最大,为39.66%,其次是商

7、场类和办公类建筑,各占25.86%,住宅类建筑和广播电视塔类建筑较少,分别占5.17%和3.45%。统计说明,宾馆饭店类高层建筑火灾发生概率高,人员伤亡大,主要原因是相比较其他类型高层建筑,这两类建筑火灾荷载更大,火灾危险部位多,火势蔓延比较迅速。同时,宾馆饭店作为人员密集场所,人员疏散压力大,疏散时间长,火灾易造成大量人员伤亡。下面对宾馆饭店类高层建筑火灾蔓延特点进行统计分析。三、宾馆饭店类高层建筑火灾蔓延特点(一)火源情况对宾馆饭店类高层建筑火灾中的火源情况统计如表2所示:根据统计数据,宾馆饭店类高层建筑起火原因主要是电线短路起火,人为因素引起的火灾较少;从火灾要延因素分析,起火物质多为易

8、燃物,意味着火源形成时间短;要延物质多为易燃物,数量较多,且火源区域通风情况良好,说明火灾篁延条件充分,意味着在较短时间内,火灾会迅速蔓延,易造成大面积的燃烧。(二)火灾蔓延情况宾馆饭店类高层建筑起火的部位主要集中在客房、餐厅、娱乐场所等处。从火灾蔓延范围来看,在单楼层蔓延的火灾占此类火灾总数的25.9%,多楼层矍延的火灾占此类火灾总数的74.1%。在多层蔓延的火灾中,通过楼梯间等通道进行蔓延的火灾占多层蔓延火灾总数的69.4%,通过外保温材料进行蔓延的火灾占多层蔓延火灾总数的17.2%,通过电梯井、电缆井、通风管等竖井进行蔓延的火灾占多层篁延火灾总数的13.4%。火灾蔓延的情况如表3所示:(

9、三)火灾控制和处置情况从火灾得到有效控制的时间来看:火势在Ih以下得到控制的火灾有4起,占此类火灾总数的17.4%,火势在12h内得到控制的有7起,占此类火灾总数的30.4%,火势在23h内得到控制的有6起,占此类火灾总数的26.1%;火势在3h以上得到控制的有6起,占此类火灾总数的26.1%0从火灾被扑灭的时间来看:在Ih以内被扑灭的火灾有4起,占此类火灾总数的17.4%;在12h内被扑灭的火灾有3起,占此类火灾总数的13%;23h内被扑灭的火灾有7起,占此类火灾总数的30.4%;3h以上被扑灭的火灾有9起,占此类火灾总数的39.2%。总体上,火势在2h以上得到控制的火灾占此类火灾总数的52

10、.2%,在2h以上被扑灭的火灾占总数的69.6%o四、结语通过上述分析可知,对于高层宾馆,火灾蔓延的部位多集中在建筑内娱乐场所、餐厅、客房等处。娱乐场所中电器设备多,设备运行时间长,用电载荷大,因电线短路引起火灾的概率很高,此外部分带电、带火的娱乐表演,也带来一定火灾危险性;餐厅起火主要是由于餐厅操作间因燃料泄漏或者操作不慎而引起的,前者引起的火灾呈爆炸式燃烧,火焰传播迅速,室内起火点多,易造成大面积的蔓延,后者主要通过引燃操作间内可燃物进行蔓延;客房内火灾的蔓延主要是通过室内的窗帘、床单等家居用品和室内家具、陈设进行蔓延,从火灾蔓延条件分析,客房内通风条件受限时,火灾主要受到燃料控制,在通风良好时,火灾蔓延受到通风和燃料双重控制。火灾的篁延路线主要集中在楼梯、走廊、竖井、电线穿管等处。对于在单层篁延的火灾,鱼延路线主要是走廊。当火灾的蔓延由单层转向多层时,火灾蔓延的主要通道是楼梯间和竖井,其中,将楼梯作为火灾篁延主要通道的火灾案例占案例总数的43.8%,竖井作为火灾蔓延主要通道的火灾案例占案例总数的45.6%0可见,对于处在全面发展阶段的多层火灾,楼梯作为层与层之间的连接通道,是火灾篁延的主要通道。对于设置有防烟前室且防火门常闭的楼梯间,火灾烟气的篁延受阻,主要通过建筑内竖直通道进行篁延。火焰在电线(缆)穿管中主要通过引燃穿管附近可燃物进行篁延。

展开阅读全文
相关资源
猜你喜欢
相关搜索

当前位置:首页 > 论文 > 毕业论文

copyright@ 2008-2023 1wenmi网站版权所有

经营许可证编号:宁ICP备2022001189号-1

本站为文档C2C交易模式,即用户上传的文档直接被用户下载,本站只是中间服务平台,本站所有文档下载所得的收益归上传人(含作者)所有。第壹文秘仅提供信息存储空间,仅对用户上传内容的表现方式做保护处理,对上载内容本身不做任何修改或编辑。若文档所含内容侵犯了您的版权或隐私,请立即通知第壹文秘网,我们立即给予删除!