光伏土建工程质量(土方开挖工程质量)验收通用标准.docx

上传人:p** 文档编号:903516 上传时间:2024-04-01 格式:DOCX 页数:1 大小:16.33KB
下载 相关 举报
光伏土建工程质量(土方开挖工程质量)验收通用标准.docx_第1页
第1页 / 共1页
亲,该文档总共1页,全部预览完了,如果喜欢就下载吧!
资源描述

《光伏土建工程质量(土方开挖工程质量)验收通用标准.docx》由会员分享,可在线阅读,更多相关《光伏土建工程质量(土方开挖工程质量)验收通用标准.docx(1页珍藏版)》请在第壹文秘上搜索。

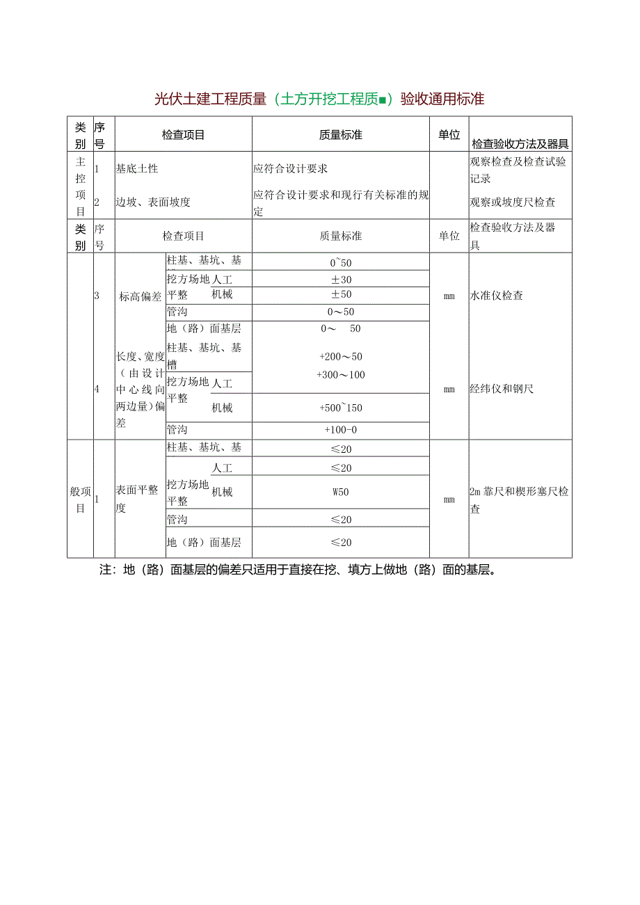
光伏土建工程质量(土方开挖工程质)验收通用标准类别序号检查项目质量标准单位检查验收方法及器具主控1基底土性应符合设计要求观察检查及检查试验记录项目2边坡、表面坡度应符合设计要求和现行有关标准的规定观察或坡度尺检查类别序号检查项目质量标准单位检查验收方法及器具3标高偏差柱基、基坑、基槽050mm水准仪检查挖方场地平整人工30机械50管沟050地(路)面基层0504长度、宽度(由设计中心线向两边量)偏差柱基、基坑、基槽+20050+300100mm经纬仪和钢尺挖方场地平整人工机械+500150管沟+100-0般项目1表面平整度柱基、基坑、基槽20mm2m靠尺和楔形塞尺检查挖方场地平整人工20机械W50管沟20地(路)面基层20注:地(路)面基层的偏差只适用于直接在挖、填方上做地(路)面的基层。

展开阅读全文
相关资源
猜你喜欢
相关搜索

当前位置:首页 > 建筑/环境 > 建筑规范

copyright@ 2008-2023 1wenmi网站版权所有

经营许可证编号:宁ICP备2022001189号-1

本站为文档C2C交易模式,即用户上传的文档直接被用户下载,本站只是中间服务平台,本站所有文档下载所得的收益归上传人(含作者)所有。第壹文秘仅提供信息存储空间,仅对用户上传内容的表现方式做保护处理,对上载内容本身不做任何修改或编辑。若文档所含内容侵犯了您的版权或隐私,请立即通知第壹文秘网,我们立即给予删除!