幕墙工程专项安全施工方案.doc

上传人:p** 文档编号:948026 上传时间:2024-05-14 格式:DOC 页数:7 大小:38.69KB
下载 相关 举报
幕墙工程专项安全施工方案.doc_第1页
第1页 / 共7页
幕墙工程专项安全施工方案.doc_第2页
第2页 / 共7页
幕墙工程专项安全施工方案.doc_第3页
第3页 / 共7页
幕墙工程专项安全施工方案.doc_第4页
第4页 / 共7页
幕墙工程专项安全施工方案.doc_第5页
第5页 / 共7页
幕墙工程专项安全施工方案.doc_第6页
第6页 / 共7页
幕墙工程专项安全施工方案.doc_第7页
第7页 / 共7页
亲,该文档总共7页,全部预览完了,如果喜欢就下载吧!
资源描述

《幕墙工程专项安全施工方案.doc》由会员分享,可在线阅读,更多相关《幕墙工程专项安全施工方案.doc(7页珍藏版)》请在第壹文秘上搜索。

1、某某区改造工程四期二标段幕墙工程方案编制人:审核人:编制单位:某某建设有限公司 编制时间:幕墙工程专项安全施工方案一、 编制依据1、中华人民共和国安全生产法2、建设工程项目管理规范3、建设领域安全生产行政责任规定4、广东省建设工程文明施工管理文件汇编5、建筑施工安全管理文件汇编6、建筑施工安全法规选编7、安全生产文明施工管理规定及办法及国家、省、市其它关于施工安全的强制性条文。8、建筑施工安全检查评分标准及其它建筑施工安全技术规范与标准。9、施工合同及有关图纸。10、报批审定的有关施工方案。11、项目部现行的安全文明施工管理的规章制度和岗位责任制等。二、 工程概况某某区改造工程四期二标段,位于

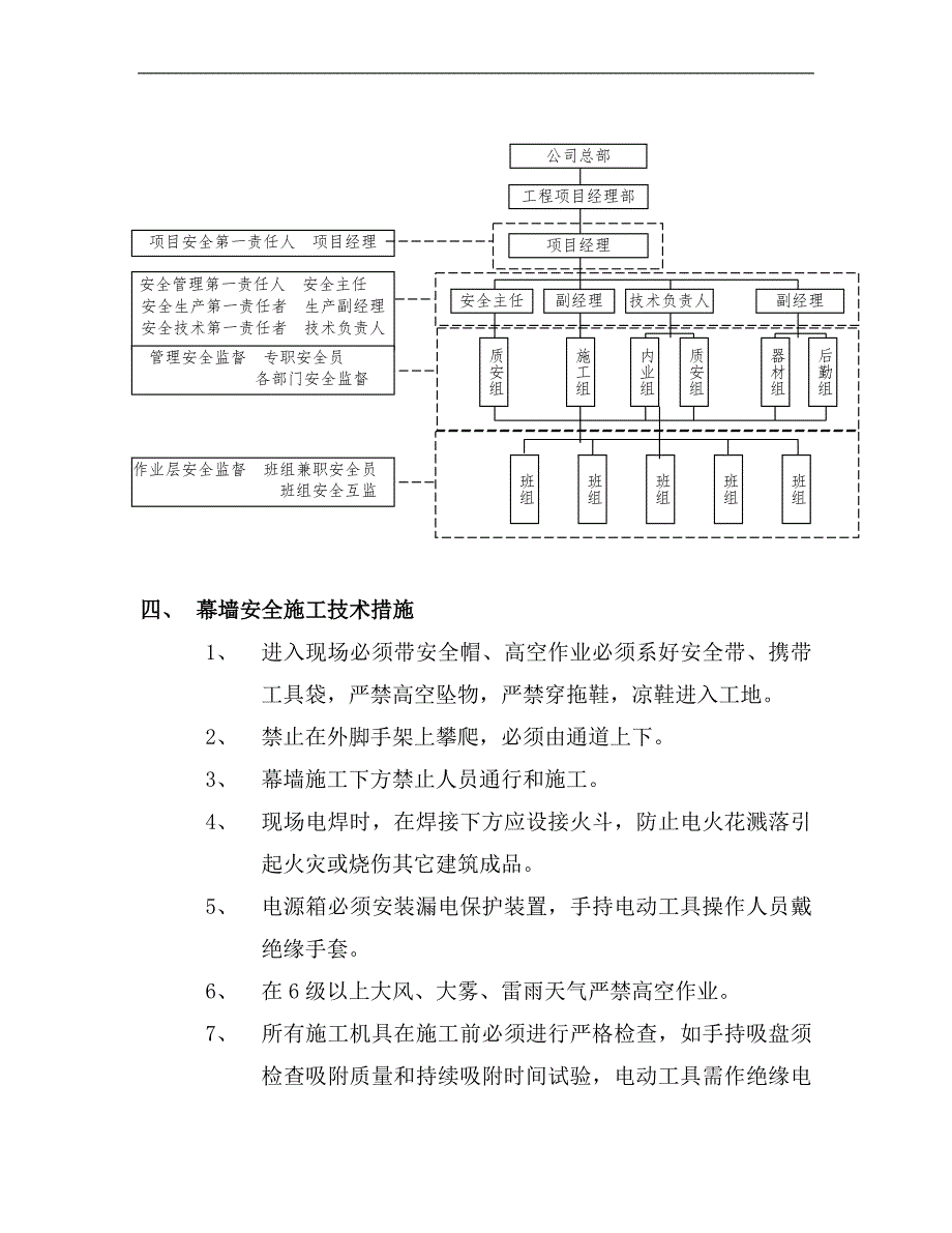
2、遂宁高级实验学校南,遂州北路东,由上海申联建筑设计有限公司设计,监理单位为遂宁广夏工程建设监理有限公司监理,2#楼为剪力墙结构24层,建筑面积18227。6#楼为框架3层结构,建筑面积750。三、安全生产管理机构:成立以项目经理为首的安全生产管理机构,按施工区域分别确定专职安全员,各生产班组设兼职安全员,建立一整套的安全生产管理体系。 安全管理机构如下图公司总部工程项目经理部项目安全第一责任人 项目经理项目经理安全管理第一责任人 安全主任 安全生产第一责任者 生产副经理安全技术第一责任者 技术负责人副经理技术负责人副经理安全主任管理安全监督 专职安全员 各部门安全监督后勤组器材组质安组内业组施

3、工组质安组作业层安全监督 班组兼职安全员 班组安全互监班组班组班组班组班组四、 幕墙安全施工技术措施1、 进入现场必须带安全帽、高空作业必须系好安全带、携带工具袋,严禁高空坠物,严禁穿拖鞋,凉鞋进入工地。2、 禁止在外脚手架上攀爬,必须由通道上下。3、 幕墙施工下方禁止人员通行和施工。4、 现场电焊时,在焊接下方应设接火斗,防止电火花溅落引起火灾或烧伤其它建筑成品。5、 电源箱必须安装漏电保护装置,手持电动工具操作人员戴绝缘手套。6、 在6级以上大风、大雾、雷雨天气严禁高空作业。7、 所有施工机具在施工前必须进行严格检查,如手持吸盘须检查吸附质量和持续吸附时间试验,电动工具需作绝缘电压试验。8

4、、 所有幕墙材料的吊运必须安全可靠,捆绑要牢固,吊运时要有专人指挥。9、 在高层幕墙安装施工与上部结构施工交叉作业时,结构施工层下方应架设防护网,并应搭设挑出6米的水平安全网。10、 施工前,项目经理、技术负责人要对工长及安全员进行技术交底,工长和安全员要对全体施工人员进行技术交底和安全教育,每道工序都要做好施工纪录和质量自检。五、安全管理、严格要求1、坚持“安全第一、预防为主”的方针,建立、健全安全保障体系,明确安全责任目标。对职工经常进行安全教育,定期开展安全活动,充分认识安全生产的重要性。2、落实安全责任、实施责任管理;针对本项目建立、完善以项目经理为首各通讯人员为成员的安全生产领导组织

5、,有组织、有领导的开展安全管理活动,明确各级人员的安全责任,承担组织、领导安全生产的责任。3、认真执行国家的安全生产法规,认真执行广州市有关建筑施工安全规程。同时结合本工程特点,制定安全生产制度和奖罚条例,并认真执行。4、走道板材质要符合规定,铺设牢靠,不得出现翘头。电焊作业台搭设力求平衡、安全、周围高级防护栏杆,所有设置在高空设备、机具,必须放置在指定地点,避免载荷过分集中。5、所有安全设施由专业班按规定统一设置,不得随便拆动,若需拆动要经过施工主管允许,事后要及时恢复。6、各种施工机械编挂操作规程和操作人员岗位责任制,专机专人使用保管,机操人员必须持证上岗。7、落实安全责任制,坚持“管生产

6、、必须管安全”的原则,并配置专职安全员,管理、监督安装过程的安全工作。8、安全教育:施工前完成三级安全教育,安全教育一月组织一次。9、坚持安全意识教育,实行班前安全交底,并履行签字手续。10、坚持安全教育制度,提高安全防护意识,使员工明了“三不”原则,即不伤害自己、不伤害别人、不被别人伤害。11、安全检查:建立定期安全检查、安全会议制度,及时消除隐患,做到“三定”即定人、定时间、定措施。六、施工用电安全措施1、保证有正确可靠的接地及接零保护措施。2、电气设备的装置、安全、防护、使用、操作及维修必须符合JGJ46-88施工现场临时用电安全技术规范规定要求。3、有醒目的电气安全标志,操作规程牌。4

7、、必须经常对现场的电气线路,各台设备进行安全检查。5、夜间施工应有足够的照明且有电工现场值班监护,以防发生意外。6、安装维修或拆除临进用电工作,必须由电工完成。7、机电工长主管现场电气的安全技术档案的建立与管理。8、室内配电必须采取绝缘导线,并采取防雨措施。9、所有电缆、用电设备的拆除、现场照明均专业电工担任,要使用的电动工具必须安装漏电保护器,值班电工要经常检查、维护用电线路及机具,认真执行5999标准,保持良好状态,保证用电安全万无一失。七、 防火安全措施l 安全防火措施:1、建立以工地负责人为队长的安全防火消防组。2、施工现场明确划分用火作业区,易燃可燃材料堆场、仓库、易燃废品集中站和生

8、活区域。3、施工现场应配备足够的消防器材,指定专人负责定期检查,保证完好。4、焊、割作业点与氧气瓶,瓶等危险品的距离不得小于10m,易燃易爆物品不得小于30m;乙炔发生器和氧气瓶的存放火之间距离不得小于2m使用时两者的距离不得小于5m。5、氧气瓶、乙炔瓶等焊割设备上的安全附件应完整有效,否则不准使用。6、严格执行动火审批制度,并采取有效的安全监护和隔离措施。7、电焊过程中,电焊工严格执行“十不烧”的规定。8、施工现场严禁吸烟。(五)文明施工及环境保护措施在施工过程中,做好现场文明施工管理,确保工程质量、施工安全,使工程按预期目标完成。为此必须做到:1、健全文明施工管理组织:施工现场成立以项目经

9、理为组长,施工主管、质量主管、施工队长、施工员、质检员、质量、安全、消防等管理人员为成员的施工现场文明施工管理组织。2、健全管理制度:设立个人岗位制度(项目经理是文明施工的第一责任人)、检查制度(工地每至少组织两次综合检查)、奖惩制度(制定奖、罚细则,坚持奖惩竞现)、会议制度(施工现场坚持文明施工会议制度,定期了解文明施工情况)等文明施工管理制度。3、健全管理资料;文明施工活动记录,拟定文明施工教育、培训、考核记录计划、资料,施工现场日志中应的文明施工内容。4、严格遵守广州市施工的有关规定,力争避免和消除对周围环境的影响与破坏,积极主动协调好与其它相关单位的关系。5、切实加强火源管理,现场禁止吸烟,电、气时焊接作业应清理周围的易燃物,消防工具要齐全,动火区域都要安放灭火器,并定期检查,加强噪声管理,控制噪声污染。6、施工现场及楼层内的建筑垃圾、废料及时清理到指定地点堆放,并及时清运出场,保证施工场地清洁和道路的畅通。7、做好已安装好的构件及待安构件的保护,减少污染。现场安装材料按有关保管规定,在规定的区域内整齐堆放,并做好标识,由专人管理。

展开阅读全文
相关资源
猜你喜欢
相关搜索

当前位置:首页 > 建筑/环境 > 设计及方案

copyright@ 2008-2023 1wenmi网站版权所有

经营许可证编号:宁ICP备2022001189号-1

本站为文档C2C交易模式,即用户上传的文档直接被用户下载,本站只是中间服务平台,本站所有文档下载所得的收益归上传人(含作者)所有。第壹文秘仅提供信息存储空间,仅对用户上传内容的表现方式做保护处理,对上载内容本身不做任何修改或编辑。若文档所含内容侵犯了您的版权或隐私,请立即通知第壹文秘网,我们立即给予删除!