落地式、卸料平台施工方案.doc

上传人:p** 文档编号:950486 上传时间:2024-05-20 格式:DOC 页数:16 大小:134.50KB
下载 相关 举报
落地式、卸料平台施工方案.doc_第1页
第1页 / 共16页
落地式、卸料平台施工方案.doc_第2页
第2页 / 共16页
落地式、卸料平台施工方案.doc_第3页
第3页 / 共16页
落地式、卸料平台施工方案.doc_第4页
第4页 / 共16页
落地式、卸料平台施工方案.doc_第5页
第5页 / 共16页
落地式、卸料平台施工方案.doc_第6页
第6页 / 共16页
落地式、卸料平台施工方案.doc_第7页
第7页 / 共16页
落地式、卸料平台施工方案.doc_第8页
第8页 / 共16页
落地式、卸料平台施工方案.doc_第9页
第9页 / 共16页
落地式、卸料平台施工方案.doc_第10页
第10页 / 共16页
亲,该文档总共16页,到这儿已超出免费预览范围,如果喜欢就下载吧!
资源描述

《落地式、卸料平台施工方案.doc》由会员分享,可在线阅读,更多相关《落地式、卸料平台施工方案.doc(16页珍藏版)》请在第壹文秘上搜索。

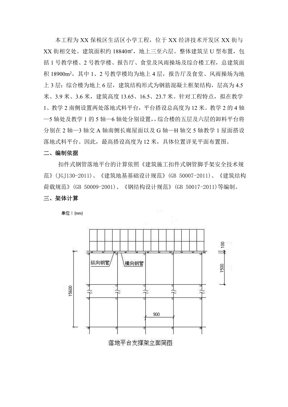
1、目 录一、工程概况.1二、编制依据.1三、架体计算.1四、施工技术.8五、技术质量保证措施.11六、安全技术措施.14一、工程概况本工程为XX保税区生活区小学工程,位于XX经济技术开发区XX街与XX街相交处。建筑面积约18840,地上三至六层。整体建筑呈U型布置,包括1号教学楼、2号教学楼、报告厅、食堂及风雨操场及综合楼工程,总建筑面积18900m2,其中1、2号教学楼均为地上4层,报告厅及食堂、风雨操场为地上3层;综合楼为地上6层,建筑结构形式为钢筋混凝土框架结构,层高为4.5米、3.9米、3.6米,建筑高度13.65、16.5、23.7米。针对工程特点,拟在教学1、教学2南侧设置两处落地式

2、料平台,平台搭设总高度为12米。教学2的4轴5轴处及教学1的5轴6轴处分别设置,综合楼的五层及六层的卸料平台将分别在2轴3轴交A轴南侧长廊屋面以及G轴H轴交5轴教学1屋面搭设落地式料平台。因此,最高搭设高度为12米,具体位置详见平面布置图。二、编制依据扣件式钢管落地平台的计算依照建筑施工扣件式钢管脚手架安全技术规范(JGJ130-2011)、建筑地基基础设计规范(GB 50007-2011)、建筑结构荷载规范(GB 50009-2001)、钢结构设计规范(GB 50017-2011)等编制。三、架体计算 1、参数信息:1.1基本参数立杆横向间距或排距la(m):1.10,立杆步距h(m):1.

3、50;立杆纵向间距lb(m):0.90,平台支架计算高度H(m):15.60;立杆上端伸出至模板支撑点的长度a(m):0.10,平台底钢管间距离(mm):300.00;钢管类型:483.2,扣件连接方式:双扣件,取扣件抗滑承载力系数:0.80;1.2荷载参数脚手板自重(kN/m2):0.300;栏杆自重(kN/m):0.150;材料堆放最大荷载(kN/m2):3.000;施工均布荷载(kN/m2):2.000;1.3地基参数地基土类型:素填土;地基承载力标准值(kPa):120.00;立杆基础底面面积(m2):0.25;地基承载力调整系数:1.00。2、纵向支撑钢管计算:纵向钢管按照均布荷载下

4、连续梁计算,截面几何参数为截面抵抗矩 W = 4.73 cm3;截面惯性矩 I = 11.36cm4; 纵向钢管计算简图2.1荷载的计算:(1)脚手板与栏杆自重(kN/m):q11 = 0.15 + 0.30.3 = 0.24 kN/m;(2)堆放材料的自重线荷载(kN/m):q12 = 30.3 = 0.9 kN/m;(3)活荷载为施工荷载标准值(kN/m):p1 = 20.3 = 0.6 kN/m2.2强度验算:依照建筑施工扣件式钢管脚手架安全技术规范(JGJ130-2001)5.2.4规定,纵向支撑钢管按三跨连续梁计算。最大弯矩考虑为静荷载与活荷载的计算值最不利分配的弯矩和;最大弯矩计算

5、公式如下: M = 0.1q1l2+0.117q2l2最大支座力计算公式如下: N = 1.1q1l + 1.2q2l均布荷载:q1 = 1.2 q11+ 1.2 q12 = 1.20.24+ 1.20.9 = 1.368 kN/m;均布活载:q2 = 1.40.6 = 0.84 kN/m;最大弯距 Mmax = 0.11.3680.92 + 0.117 0.840.92 = 0.19 kNm ;最大支座力 N = 1.11.3680.9 + 1.20.840.9 = 2.262 kN;最大应力 = Mmax / W = 0.19106 / (4730) = 40.257 N/mm2;纵向钢管

6、的抗压强度设计值 f=205 N/mm2;纵向钢管的计算应力 40.257 N/mm2 小于 纵向钢管的抗压设计强度 205 N/mm2,满足要求!2.3挠度验算:最大挠度考虑为三跨连续梁均布荷载作用下的挠度;计算公式如下: = 5ql4/384EI均布恒载: q = q11 + q12 = 1.14 kN/m;均布活载: p = 0.6 kN/m; = (0.677 1.14+0.9900.6)9004/(1002.06105113600)=0.383 mm;纵向钢管的最大挠度为 0.383 mm 小于 纵向钢管的最大容许挠度 1100/150与10 mm,满足要求!3、横向支撑钢管计算:

7、支撑钢管按照集中荷载作用下的三跨连续梁计算;集中荷载P取板底纵向支撑钢管传递力,P =2.262 kN; 支撑钢管计算简图 支撑钢管计算弯矩图(kNm) 支撑钢管计算变形图(mm) 支撑钢管计算剪力图(kN) 最大弯矩 Mmax = 0.543 kNm ;最大变形 max = 1.348 mm ;最大支座力 Qmax = 7.388 kN ;最大应力 = 114.778 N/mm2 ;横向钢管的计算应力 114.778 N/mm2 小于 横向钢管的抗压强度设计值 205 N/mm2,满足要求!支撑钢管的最大挠度为 1.348 mm 小于 支撑钢管的最大容许挠度 900/150与10 mm,满足

8、要求!4、扣件抗滑移的计算:按照建筑施工扣件式钢管脚手架安全技术规范培训讲座刘群主编,P96页,双扣件承载力设计值取16.00kN,按照扣件抗滑承载力系数0.80,该工程实际的旋转双扣件承载力取值为12.80kN 。R Rc其中 Rc - 扣件抗滑承载力设计值,取12.80 kN;纵向或横向水平杆传给立杆的竖向作用力设计值 R= 7.388 kN;R 12.80 kN,所以双扣件抗滑承载力的设计计算满足要求! 5、模板支架立杆荷载标准值(轴力)计算:作用于模板支架的荷载包括静荷载、活荷载和风荷载。5.1静荷载标准值包括以下内容:(1)脚手架的自重(kN):NG1 = 0.12915.6 = 2

9、.014 kN;(2)栏杆的自重(kN):NG2 = 0.151.1 = 0.165 kN;(3)脚手板自重(kN):NG3 = 0.30.91.1 = 0.297 kN;(4)堆放荷载(kN):NG4 = 30.91.1 = 2.97 kN; 经计算得到,静荷载标准值 NG = NG1+NG2+NG3+NG4 = 5.446 kN;5.2活荷载为施工荷载标准值产生的荷载。 经计算得到,活荷载标准值 NQ = 20.91.1 = 1.98 kN;5.3因不考虑风荷载,立杆的轴向压力设计值计算公式 N = 1.2NG + 1.4NQ = 1.25.446+ 1.41.98 = 9.307 kN;

10、6、立杆的稳定性验算:立杆的稳定性计算公式: = N/AKH f其中 N - 立杆的轴心压力设计值(kN) :N = 9.307 kN; - 轴心受压立杆的稳定系数,由长细比 Lo/i 查表得到; i - 计算立杆的截面回转半径(cm) :i = 1.59 cm; A - 立杆净截面面积(cm2):A = 4.5 cm2; W - 立杆净截面模量(抵抗矩)(cm3):W=4.73 cm3; - 钢管立杆最大应力计算值 (N/mm2); f - 钢管立杆抗压强度设计值 :f =205 N/mm2; KH -高度调整系数:KH=1/(1+0.005(15.6-4)=0.945; L0 - 计算长度

11、 (m);如果完全参照建筑施工扣件式钢管脚手架安全技术规范(JGJ130-2001),由公式(1)或(2)计算 l0 = k1h (1) l0 = h+2a (2) k1- 计算长度附加系数,取值为1.167; - 计算长度系数,参照建筑施工扣件式钢管脚手架安全技术规范(JGJ130-2001)表5.3.3;= 1.71; a - 立杆上端伸出顶层横杆中心线至模板支撑点的长度;a = 0.1 m;公式(1)的计算结果:立杆计算长度 L0 = k1h = 1.1671.711.5 = 2.993 m;L0/i = 2993.355 / 15.9 = 188 ;由长细比 l0/i 的结果查表得到轴

12、心受压立杆的稳定系数= 0.203 ;钢管立杆受压应力计算值 ; =9307.152 /( 0.203450 )= 101.885 N/mm2;钢管立杆稳定性验算 = 101.885 N/mm2 小于 钢管立杆抗压强度设计值 f = 205 N/mm2,满足要求!公式(2)的计算结果:L0/i = 1700 / 15.9 = 107 ;由长细比 l0/i 的结果查表得到轴心受压立杆的稳定系数= 0.537 ;钢管立杆受压应力计算值 ; =9307.152 /( 0.537450 )= 38.515 N/mm2;钢管立杆稳定性验算 = 38.515 N/mm2 小于 钢管立杆抗压强度设计值 f = 205 N/mm2,满足要求!如果考虑到高支撑架的安全因素,适宜由公式(3)计算l0 = k1k2(h+2a) (3)k2 - 计算长度附加系数,按照表2取值1.04

展开阅读全文
相关资源
猜你喜欢
相关搜索

当前位置:首页 > 高等教育 > 农学

copyright@ 2008-2023 1wenmi网站版权所有

经营许可证编号:宁ICP备2022001189号-1

本站为文档C2C交易模式,即用户上传的文档直接被用户下载,本站只是中间服务平台,本站所有文档下载所得的收益归上传人(含作者)所有。第壹文秘仅提供信息存储空间,仅对用户上传内容的表现方式做保护处理,对上载内容本身不做任何修改或编辑。若文档所含内容侵犯了您的版权或隐私,请立即通知第壹文秘网,我们立即给予删除!