填充墙砌体分项工程检验批质量验收记录模板.docx

上传人:p** 文档编号:1005844 上传时间:2024-06-15 格式:DOCX 页数:1 大小:11.03KB
下载 相关 举报
填充墙砌体分项工程检验批质量验收记录模板.docx_第1页
第1页 / 共1页
亲,该文档总共1页,全部预览完了,如果喜欢就下载吧!
资源描述

《填充墙砌体分项工程检验批质量验收记录模板.docx》由会员分享,可在线阅读,更多相关《填充墙砌体分项工程检验批质量验收记录模板.docx(1页珍藏版)》请在第壹文秘上搜索。

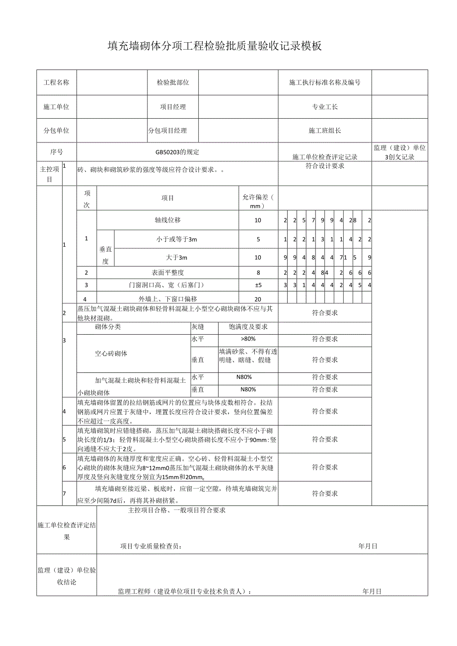
1、填充墙砌体分项工程检验批质量验收记录模板工程名称检验批部位施工执行标准名称及编号施工单位项目经理专业工长分包单位分包项目经理施工班组长序号GB50203的规定施工单位检查评定记录监理(建设)单位3创攵记录主控项目1砖、砌块和砌筑砂浆的强度等级应符合设计要求。符合设计要求1项次项目允许偏差(mm)1轴线位移102257994282垂直度小于或等于3m51221311422大于3m1099484471592表面平整度822248426663门窗洞口高、宽(后塞门)533144424544外墙上、下窗口偏移202蒸压加气混凝土砌块砌体和轻骨料混凝上小型空心砌块砌体不应与其他块材混砌。符合要求3砌体分

2、类灰缝饱满度及要求空心砖砌体水平80%符合要求垂直填满砂浆、不得有透明缝、瞎缝、假缝符合要求加气混凝土砌块和轻骨料混凝土小砌块砌体水平N80%符合要求垂直N80%符合要求4填充墙砌体留置的拉结钢筋或网片的位置应与块体皮数相符合。拉结钢筋或网片应置于灰缝中,埋置长度应符合设计要求,竖向位置偏差不应超过一皮高度。符合要求5填充墙砌筑时应错缝搭砌,蒸压加气混凝土砌块搭砌长度不应小于砌块长度的1/3;轻骨料混凝土小型空心砌块搭砌长度不应小于90mm:竖向通缝不应大于2皮。符合要求6填充墙砌体的灰缝厚度和宽度应正确。空心砖、轻骨料混凝土小型空心砌块的砌体灰缝应为812mm0蒸压加气混凝土砌块砌体的水平灰缝厚度及竖向灰缝宽度分别宜为15mm和20mmc符合要求7填充墙砌至接近梁、板底时,应留一定空隙,待填充墙砌筑完并应至少间隔7d后,再将其补砌挤紧。符合要求施工单位检查评定结果主控项目合格、一般项目符合要求项目专业质量检查员:年月日监理(建设)单位验收结论监理工程师(建设单位项目专业技术负责人):年月日

展开阅读全文
相关资源
猜你喜欢
相关搜索

当前位置:首页 > 建筑/环境 > 建筑资料

copyright@ 2008-2023 1wenmi网站版权所有

经营许可证编号:宁ICP备2022001189号-1

本站为文档C2C交易模式,即用户上传的文档直接被用户下载,本站只是中间服务平台,本站所有文档下载所得的收益归上传人(含作者)所有。第壹文秘仅提供信息存储空间,仅对用户上传内容的表现方式做保护处理,对上载内容本身不做任何修改或编辑。若文档所含内容侵犯了您的版权或隐私,请立即通知第壹文秘网,我们立即给予删除!