库房的耐火等级、层数和建筑面积表模板.docx

上传人:p** 文档编号:1019355 上传时间:2024-06-15 格式:DOCX 页数:2 大小:11.73KB
下载 相关 举报
库房的耐火等级、层数和建筑面积表模板.docx_第1页
第1页 / 共2页
库房的耐火等级、层数和建筑面积表模板.docx_第2页
第2页 / 共2页
亲,该文档总共2页,全部预览完了,如果喜欢就下载吧!
资源描述

《库房的耐火等级、层数和建筑面积表模板.docx》由会员分享,可在线阅读,更多相关《库房的耐火等级、层数和建筑面积表模板.docx(2页珍藏版)》请在第壹文秘上搜索。

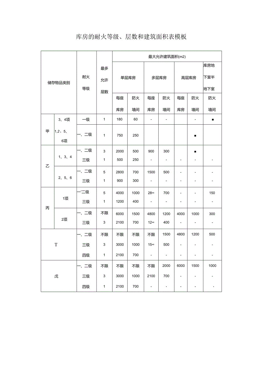
1、库房的耐火等级、层数和建筑面积表模板储存物品类别耐火等级最多允许层数最大允许建筑面积(m2)单层库房多层库房高层库房库房地下室半地下室每座库房防火墙间每座库房防火墙间每座库房防火墙间防火墙间3、4项一级118060-甲1,2、5、一、二级17502506项一、二级32000500900300乙1、3、4三级1500250-一、二级528007001500500-2、5、6三级1900300-一二级54000100028700-150丙1项三级11200400-一、二级不限6000150048001200400010003002项三级3210070012400-一、二级不限不限不限不限15004

2、8001200500T三级33000100015500-四级12100700-一、二级不限不限不限不限2000600015001000戊三级3300010002100700-四级12100700-注:高层库房、高架仓库和筒仓的耐火等级不应低于二级;二级耐火等级的筒仓可采用钢板仓。储存特殊贵重物品的库房,其耐火等级宜为一级。独立建造的硝酸铁库房、电石库房、聚乙烯库房、尿素库房、配煤库房以及车站、码头、机场内的中转仓库,其建筑面积可按本表的规定增加1.OO倍,但耐火等级不应低于二级。装有自动灭火设备的库房,其建筑面积可按本表及注的规定增加1.00倍。石油库内桶装油品库房面积可按现行的国家标准石油库设计规范)执行。煤均化库防火分区最大允许建筑面积可为12000m2,但耐火等级不应低于二级。本条和本规范有关条文中规定的“占地面积均指建筑面积。

展开阅读全文
相关资源
猜你喜欢
相关搜索

当前位置:首页 > 汽车/机械/制造 > PCB

copyright@ 2008-2023 1wenmi网站版权所有

经营许可证编号:宁ICP备2022001189号-1

本站为文档C2C交易模式,即用户上传的文档直接被用户下载,本站只是中间服务平台,本站所有文档下载所得的收益归上传人(含作者)所有。第壹文秘仅提供信息存储空间,仅对用户上传内容的表现方式做保护处理,对上载内容本身不做任何修改或编辑。若文档所含内容侵犯了您的版权或隐私,请立即通知第壹文秘网,我们立即给予删除!