机械回填土施工工艺标准模板.docx

上传人:p** 文档编号:1047190 上传时间:2024-06-18 格式:DOCX 页数:7 大小:20.31KB
下载 相关 举报
机械回填土施工工艺标准模板.docx_第1页
第1页 / 共7页
机械回填土施工工艺标准模板.docx_第2页
第2页 / 共7页
机械回填土施工工艺标准模板.docx_第3页
第3页 / 共7页
机械回填土施工工艺标准模板.docx_第4页
第4页 / 共7页
机械回填土施工工艺标准模板.docx_第5页
第5页 / 共7页
机械回填土施工工艺标准模板.docx_第6页
第6页 / 共7页
机械回填土施工工艺标准模板.docx_第7页
第7页 / 共7页
亲,该文档总共7页,全部预览完了,如果喜欢就下载吧!
资源描述

《机械回填土施工工艺标准模板.docx》由会员分享,可在线阅读,更多相关《机械回填土施工工艺标准模板.docx(7页珍藏版)》请在第壹文秘上搜索。

1、机械回填土施工工艺标准第1章适用范围本工艺标准适应于工业与民用建筑中基坑槽管沟等机械土方回填工程第2章原料准备第3章施工机具主要施工机具推土机铲运机自卸汽车碾压机械压路机压路碾第4章工艺流程第1节作业条件1 .基坑槽管沟等隐蔽工程已按要求通过验收同意回填2 .选择的填方土料符合设计要求3 .填土含水量已通过实验确定4 .依据施工方案已确定回填机械及碾压机械第2节工艺流程基坑槽或管沟基底处置分层回填夯实取样实验第3节基坑槽或管沟基底处置土方回填前应清除基底的渣滓树根等杂物去除积水淤泥如在松土上填方应在基底压实后再进行第4节分层回填夯实1 .一般规定1)填土应尽量采用同类土填筑并宜控制土的含水率在

2、最优含水量范围内当采用不同的土壤填筑时应按土类有规则的分层铺填将透水性大的土层置于透水性较小的土层之下不得混杂使用边坡不得用透水性较小的土封闭以利水分排除和基土稳定并避免在填方内形成水囊和发生滑动现象2)回填土从场地最低部分开头由一端向另端自下而上分层铺填铺土厚度和压实遍数见下表年层铺上厚度和压实遍数见卜表压实机具每层特土耳段m每层压实语Sl2003006-8羊足”2003508-16蛭式打夯机2002503-4振动螺601306-8振动乐蹄机120-15010推土机2003006Y拖拉机23008763)深浅坑槽相连时应先填深坑槽相平后与浅坑全面分层填夯若采用分段填夯交接处应填成阶梯形修筑1

3、2阶梯形边坡每台阶高为50Onml宽为100Omm碾迹重叠mm上下层错缝距离不应小于100Onlm接缝部位不得在基础墙角柱墩等重要部位2 .机械填土1)推土机填土a.填土应由下而上分层铺填大坡度堆填土不得居高临下不分层次一次堆填填程序宜采用纵向铺填顺序从挖土区至填土区段以4060m为宜b.推土机运土回填可采用分堆集中一次运送方法分段距离约为1015m以减少运土漏失量c.土方推至填方部位时应提起一次铲刀成堆卸土并向前行驶0.5Im使用推土机后退时将士刮平d.使用推土机来回行驶进行碾压履带应重叠一半3 .铲运机填土1)铲运机铺土铺填土区段长度不宜小于20m宽度不宜小于8m2)填土程序一般尽量采用横

4、向或纵向分层卸土以利行驶时初步压实4 .汽车填土1)自卸汽车成堆卸土须配以推土机推土摊平2)填土可使用汽车行驶作部分压实工作行车路线须均匀分布于填土层上汽车不能行驶于虚土上卸土推平和压实工作须采用分段交叉进行第5节机械压实方法1)碾压机械压实土方时应控制行驶速度一般平碾振动碾不超越2kmh羊足碾不超越3kmh并要控制压实遍数碾压机械与基础或管道应坚持肯定的距离防止将基础或管道压坏或位移2)用压路机进行填方压实应采用薄填慢驶多次的方法碾压方向应从两边逐渐向中间碾轮每次重叠宽度约15Omm25011m避免漏压边角边坡边缘压实不到之处应辅以人力夯或小型夯实机具夯实3)用羊足碾碾压时碾压方向应从填土区

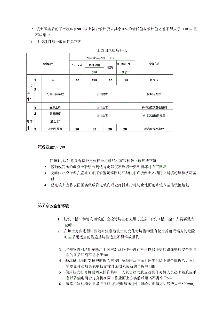
5、两边逐渐向中间碾轮每次重叠宽度约15OnIm200mm同时随时清除粘着于羊足之间的土料为提高上部土层密实度羊足碾压过后宜辅以拖式平碾或压路机补充压平压实第5章质量标准1.取样实验取样数量基坑和室内填每层按m2取样一组场地平整填方每层按400900m2取样一组基坑和管沟回填每2050m取样一组但每层均不少于一组取样部位在每层压实后的下半部灌砂法取样应为每层压实后的全部深度。2 .填土压实后的干密度应有90%以上符合设计要求其余10%的最低值与设计值之差不得大于0.08tm3且不应集中。3 .主控项目和一般项目见下表上方回填质后标也检查项目允讦偏洋或允仃勺nim;检查方法1:V,1(场地平整管沟地

6、(路而基项三机械主控俱111杯-4545-45-45水准仪2分层压实系数设计要求按规定方法般项111回康土科设计要求取样检查或在视鉴别2分层厚度及含水*设计要求水准仪及抽样检查3友而平整度20302020用靠尺或水准仪第6章成品保护1 .回填时,应注意妥善保护定位标准桩轴线桩高程桩防止碰坏或下沉2 .基础或管沟的混凝土砂浆应到达肯定强度不致填士受到损坏时方可回填3 .夜间作业应合理安置施工顺序设置足够照明严禁汽车直接倒土入槽防止铺填超厚和挤坏基础4 .已完填土应将表面压实做成肯定坡向或做好排水措施防止地面雨水流入基槽浸泡地基第7章安全和环境1 .基坑(槽)和管沟回填前,应检讨坑壁有无塌方迹象,

7、下坑(槽)操作人员要戴安全帽2 .在填土夯实进程中要随时注意边坡土的变化对坑槽沟壁有松土掉落或塌方的危险时应采用适当的措施基坑槽边上不得堆放重物3 .坑槽室内回填用车辆运土时应对跳板便桥进行检讨以保证交通路线畅通安全车与车的前后距离不得小于5m4 .基坑槽回填时支撑护的拆除应按回填顺序从下而上逐步拆除不得全部拆除后再回填以免使边坡失稳更换支撑时必须先装新的再拆除旧的5 .使用蛙式打夯机要两人操作其中一人负责移动胶皮线操作夯机人员必须戴胶皮手套以防触电两台打夯机在同一作业面上夯实前后距离不得小于5m6 .压路机制动器必须坚持良好,机械碾压运行中,碾轮边距填方边缘应大于500mm,以防发生溜坡倾倒

8、停车时应将制动器制动住禁止在坡道上停车第8章注意事项1 .基坑槽回填应在相对两侧或四周同时进行回填与夯实2 .土料含水量一般以手握成团落地开花为宜当含水量过大应采用翻松腺干风干换土回填搀入干土或其余吸水性原料等措施若土料过干则应预先洒水湿润3 .对有密实度要求的填方在夯实之后要对每层回填土的质量进行检验符合设计要求后才干填筑上层一般采用环刀法或灌砂法取样测定土的干密度求出土的密实度或用轻便触探仪直接通过锤击数来检验干密度和密实度4 .回填管沟时应用人工先在管子周围填土夯实并应从管道两边同时进行直至管顶0.5m以上在不损坏管道的情况下方可采用机械填土夯实5 .填土应预留肯定的下沉高度预留沉降量依

9、据工程性质填方高度填料种类压实系数和地基情况等因素确定采用机械分层夯实时预留下沉高度以填方高度的百分数计对砂土为1.5%粉质粘土为3%3.5%第9章质量记载本工艺标准应具备以下质量记载1 .土方回填工程检验批质量验收记载2 .回填土料实验报告3 .回填土含水量实验报告4 .回填土压实实验报告5 .土方回填施工记载施工现场安全施工注意事项1、施工人员进入施工现场前,必须要进行施工安全、消防知识的教育和考核工作,对考核不合格的职工,禁止进入施工现场参加施工。2、进入施工现场必须戴好安全帽,系好帽带,并正确使用个人劳动防护用品.3、严格执行操作规程,不得违章指挥和违章作业,对违章作业的指令有权拒绝并

10、有责任制止他人违章作业。4、施工作业时必须正确穿戴个人防护用品,进入施工现场必须戴安全帽。不许私自用火,严禁酒后操作。5、穿拖鞋、高跟鞋、赤脚或赤膊不准进入施工现场。6、穿硬底鞋不得进行登高作业。7、在高空、钢筋、结构上作业时,一定要穿防滑鞋.8、现场用电,一定要有专人管理,同时设专用配电箱,严禁乱接乱拉,采取用电挂牌制度,尤其杜绝违章作业,防止人身、线路,设备事故的发生。9、电钻、电锤、电焊机等电动机具用电、配电箱必须要有漏电保护装置和良好的接地保护地线,所有电动机具和线缆必须定期检查,保证绝缘良好,使用电动机具时应穿绝缘鞋,戴绝缘手套。10、工地施工照明用电,必须使用36伏以下安全电压,所

11、有电器机具在不使用时,必须随时切断电源,防止烧坏设备.11、在用喷灯、电焊机以及必要生火的地方,要填写用火申请登记和设专人看管,随带消防器材等,保证消防措施的落实。施焊时,特别注意检查下方有无易燃物,并做好相应的防护,用完后要检查,确认无火后再离开.12、未经安全教育培训合格不得上岗,非操作者严禁进入危险区域;特种作业必须持特种作业资格证上岗。13、凡2m以上的高处作业无安全设施,必须系好安全带;安全带必须先挂牢后再作业。14、高处作业材料和工具等物件不得上抛下掷.15、从事高空作业人员要定期体验。凡患有高血压、心脏病、贫血症、癫痫病以及不适于高空作业的人员,不得从事高空作业。16、机械设备、

12、机具使用,必须做到“定人、定机”制度;未经有关人员同意,非操作人员不得使用。17、电动机械设备,必须有漏电保护装置和可靠保护接零,方可启动使用.18、未经有关人员批准,不得随意拆除安全设施和安全装置;因作业需要拆除的,作业完毕后,必须立即恢复。19、井字架吊篮、料斗不准乘人。20、酒后不准上班作业.21、作业前应对相关的作业人员进行安全技术交底。22、在高空以及施工现场作业,如配管放配线,设备安装及开通调试中,必须要严格执行安全技术规程,顺利进行作业严禁违章操作,造成不应发生的事故。23、在整个施工过程中,必须严格执行国家、省市、各部委关于工程消防法规和有关条款。24、经常配齐、保养消防器材,

13、做到会保养、会使用。认真贯彻逐级消防责任制,做好消防工作。25、现场人工断料,所用工具必须牢固,掌饕子和打锤要站成斜角,注意扔锤区域内的人和物体。切断小于30Cm的短钢筋,应用钳子夹牢,禁止用手把扶,并在外侧设置防护箱笼罩或朝向无人区。26、多人合运钢筋,起、落、转、停动作要一致,人工上下传送不得在同一直线上.钢筋堆放要分散、稳当、防止倾倒和塌落。27、在高空、深坑绑扎钢筋和安装骨架,须搭设脚手架和马道。28、绑扎立柱、墙体钢筋,不得站在钢筋骨架上和攀登骨架上下。柱筋在4m以内,重量不大,可在地面或楼面上绑扎,整体竖起;柱筋在4m以上,应搭设工作台。柱梁骨架应用临时支撑拉牢,以防倾倒。29、绑扎基础钢筋时,应按施工设计规定摆放钢筋支架或马凳架起上部钢筋,不得任意减少支架或马凳。30、绑扎高层建筑的圈梁、挑檐、外墙、边柱钢筋,应搭设外架或安全网。绑扎时挂好安全带。31、起吊钢筋骨架,下方禁止站人,必须待骨架降落到离地Im以下始准靠近,就位支撑好方可摘钩。32、吊运短钢筋应使用吊笼,吊运超长钢筋应加横担,捆绑钢筋应使用钢丝绳千斤头,双条绑扎,禁止用单条千斤头或绳索绑吊。33、吊运在楼层搬运、绑扎钢筋,应注意不要靠近和碰撞电线。并注意与裸体电线的安全距离(IkV以下4m,1IokV6m).34、夜间施工灯光要充足,不准把灯具挂在竖起的钢筋上或其他金属构件上,导线应架空.

展开阅读全文
相关资源
猜你喜欢
相关搜索

当前位置:首页 > 建筑/环境 > 施工组织

copyright@ 2008-2023 1wenmi网站版权所有

经营许可证编号:宁ICP备2022001189号-1

本站为文档C2C交易模式,即用户上传的文档直接被用户下载,本站只是中间服务平台,本站所有文档下载所得的收益归上传人(含作者)所有。第壹文秘仅提供信息存储空间,仅对用户上传内容的表现方式做保护处理,对上载内容本身不做任何修改或编辑。若文档所含内容侵犯了您的版权或隐私,请立即通知第壹文秘网,我们立即给予删除!