常用特种混凝土施工技术.docx

上传人:p** 文档编号:1261533 上传时间:2024-12-24 格式:DOCX 页数:43 大小:147.15KB
下载 相关 举报
常用特种混凝土施工技术.docx_第1页
第1页 / 共43页
常用特种混凝土施工技术.docx_第2页
第2页 / 共43页
常用特种混凝土施工技术.docx_第3页
第3页 / 共43页
常用特种混凝土施工技术.docx_第4页
第4页 / 共43页
常用特种混凝土施工技术.docx_第5页
第5页 / 共43页
常用特种混凝土施工技术.docx_第6页
第6页 / 共43页
常用特种混凝土施工技术.docx_第7页
第7页 / 共43页
常用特种混凝土施工技术.docx_第8页
第8页 / 共43页
常用特种混凝土施工技术.docx_第9页
第9页 / 共43页
常用特种混凝土施工技术.docx_第10页
第10页 / 共43页
亲,该文档总共43页,到这儿已超出免费预览范围,如果喜欢就下载吧!
资源描述

《常用特种混凝土施工技术.docx》由会员分享,可在线阅读,更多相关《常用特种混凝土施工技术.docx(43页珍藏版)》请在第壹文秘上搜索。

1、10-9常用特种混凝土10-9-1纤维混凝土目前发展起来的纤维增强混凝土,应用最广的是指钢纤维增强混凝土、玻璃纤维增强混凝土和聚丙烯类纤维增强混凝匕前者在国内己经制成高强纤维混凝土,抗压强度100-I1.OMPa,抗弯强度也接近15MPa,抗冲击强度为普通混凝土的3.66.3倍。纤维混凝土与普通混凝上相比,虽有许多优点,但毕竟代替不了钢筋混凝土。人们开始在配有钢筋的混凝土中掺加纤维,使其成为钢筋-纤维更合混凝土,这又为纤维混凝土的应用开发/一条新途径。10-9-1-1钢舒堆混茶土在混凝土拌合物中,掺入适量的制纤维,可配成一种既可浇筑又可喷射的特种混凝土,这就是钢纤维混凝土。与普通混凝土相比,钢

2、纤维混凝土抗拉、抗弯强度及耐磨、耐冲击、耐疲劳、切性和抗裂、抗爆等性能都可得到提高。因为大量很细的钢纤维均匀地分散在混凝土中,与混凝土接触的面积很大,因而,在所有的方向,都使混凝土的强度得到提高,大大改善了混凝土的各项性能。1 .钢纤维的基本要求(1)钢纤维的强度钢纤维混凝土破坏时,发现往往是钢纤维被拉断,这不是因为钢纤维抗拉强度不足,而是因为其韧性不足造成的。因此,要提高其韧性。如果材料通过淬火或其他急冷硬化方法获得,尽管其抗拉强度较高,但质地较脆,在搅拌过程中易被折断,反而会降低强化效果。因此,只要不是易脆断的钢材,通常强度较高的纤维可满足要求。一般钢纤维的抗拉强度不得低于380MPa。当

3、工程有特殊要求时,钢纤维抗拉强度可由需方根据技术与经济条件提出。(2)钢纤维的尺寸和形状钢纤维的尺寸,主要由强化特性和施工难易性决定。钢纤维如太粗或太短,其强化特性差,如过细或过长,则在搅拌时容易结团.为J增强钢纤维同混凝土之间的粘结强度,常采用增大表面积或将纤维表面加工成凹凸形状,按外形可为平直形、波浪形、压痕形、扭曲形、端钩形、大头形等,见图0-46o按横截面可为圆形、矩形、月牙形及不规则形等。=Ou-rAU-J-x-r-r,。QO=QO=Ot3f-Ob-JO=2=OO图10-46钢纤维的外形钢纤维的标称长度指铜纤维两端点之间的直线长度,其尺寸可为1.5-60mm,钢纤维截面的直径或等效直

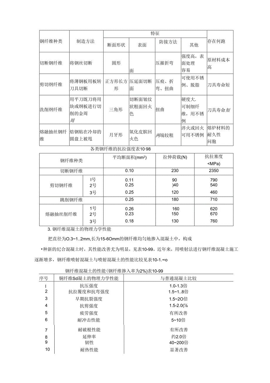
4、径宜在0.37.2mm。钢纤维长径比或标称长径比宜在3()-1.(X)i钢纤维混凝土结构对钢纤维几何尺寸参数的要求宜符合表10-96的规定.钢纤维几何参数采用范围表10-96用纤维银凝土结构类别长度(mm)直径(等效直径mm)长径比-般浇筑成型的结构25-500.34840100抗震框架节点40-500.4.8处100铁跖轨枕20-300.3-0.650-70喷射混凝土20-250.31,540毋0注,铜纤维的等效宜径是指非圆形微面换芽成阴形粒面的直径。2 .钢纤维的种类和特征钢纤维的种类、制造方法及特征见表1097.,钢纤维的抗拉强度见表10-98.从各类钢纤维对混凝土的增强效果来看,则以切

5、断纤维、冷轧钢板剪切纤维和加工硬度较大的跣削纤维比较好。各类钢纤维的制造方法和特征表10-97钢纤维种类制造方法特征存在何跑断面形状表面防接方法其他切断钢纤维将钢丝切断圆形面压摧折弯强度高,表面处理容易原材料成本高剪切纲纤维将薄钢板用板转刀具切断正方形长方形压延面切断面压痕、折弯、扭曲可使用不锈例、脱脂刀具寿命短洗削纲纤维用平刀既刀将用块或纲板进行切削的金周周三角形切断面皱纹状粗面回火色扭曲硬度大.可制细纤维,用不锈例刀具寿命短熔融抽丝钢纤维焙钢粘在冷却的圆盘上被甩月牙形氧化皮膑回火色两端较粗淬火或回火可用不锈例熔炉材料的耐久性问胞各类钢纤维的抗拉强度表1098钢纤维种类平均断面积(mm2)拉

6、伸荷载(N)抗拉塞度MPa)切断钢纤维0.102302350I号0.1190790剪切钢纤维2号0.25)405403号0.25120460跳削钢纤维0.251807101号0.26160620熔融抽丝削纤维2号0.231506703号0.181307603.钢纤维混凝土的物理力学性能把直径为O.31.2mm,长为15-6Omm的钢纤维均匀地掺入混凝土中,构成种新的纪合混凝土时,其性能改善尤为明显,见表10-99。近年来,用喷射法进行钢纤维混凝土施工逐渐增多,钢纤维喷射混凝土与喷射混凝土的性能比较见表10-1.o钢纤维混凝土的性能(钢纤维掺入率为2%)表10-99序号铜纤维Sd凝土的物理力学性

7、能与普通混凝土比较I抗压强度1.0-1.3倍2抗拉覆度和抗弯强度1.51.8倍3早期抗裂强度1.52O倍4抗剪强度1.5-2.0(5疲劳强度有所改善6耐冲击性能510倍7耐破根性能有所改善8延伸率约2.0倍9韧性40200倍10耐热性能显著改善I1.对冻触作用的抵抗旎力显著改善12耐久性容实度高,表面裂窕度不大于0.08mm,有所改善,K干大气中的面层钢纤爆产生锈斑钢纤维喷射混凝土的性能表10-100序号钢纤维喷射混凝土的物埋力学性能与喷射混凝土的比较I抗压强度1.37.5倍2抗拉强度1.51.8倍3抗有覆度1.82Q倍4韧性30-3)倍5耐冲击性860倍6收缩0.50.8倍影响力学性能的因素

8、除钢纤维的掺量直接影响混凝土的物理力学性能外,尚有钢纤维形状尺寸、配制方向及分散程度等因素。4.钢纤维混凝土的配制(I)配制要求为了获得高强度的钢纤维混凝土,必须满足以卜条件:I)具有足够数班和匀质的高强钢纤维:2)在整个工艺过程中,钢纤维仍保持自身的大部分强度:3)纤维同混凝土的粘结力较好,纤维同砂浆接触部分的密实度较高:4)纤维应均匀分布在基体材料的整个体积中:5)基体材料对纤维应是化学悟性的:6)基体材料应具有足够的抗剪强度。(2)组成材料1)水泥:一般使用32.5级、42.5级普通硅酸盐水泥;配制高强钢纤维混凝土,可使用52.5级以上的硅酸盐水泥.采用硅酸盐水泥配制的钢纤维混凝土,可掺

9、用矿物掺合料.2)骨料:砂的粒径为0.155n三;卵石或碎石的极大粒径般不宜大于20mm,对钢纤维喷射混凝十,则不宜大于IOmm.3)外加剂:掺外加剂是为了降低水灰比,从而改善拌合物的和易性。可使用战水剂或高效减水剂。配制钢纤维喷射混凝土,则需掺入适量速凝剂。对抗冻性有要求的钢纤维混凝土,宜用引气型减水剂。4)砂率:保证钢纤维混凝土拌合物的和易性,混凝土的砂率般不应低于45%。水泥用量一般较未掺纤维的混凝土高10%左右。(3)配合比设计钢纤维混凝土.配合比除满足普通混凝土一般要求外,还应满足抗拉强度或抗折强度、韧性及施工时拌合物和易性和钢纤维不结团的要求。在某些条件下还应满足对抗冻性、抗涵性的

10、要求。对有耐腐蚀和耐高温要求时的结构物,应选用不锈钢钢纤维.钢纤维混凝土配合比设计,可按卜述步骤进行:1)根据强度标准值或设计值以及施工配制强度提高系数,确定试配抗压强度与抗拉强度或试配抗压强度与抗折强度,按普通混凝上配合比设计规程(JGJ55-20)的规定采用。2)根据试配抗压强度计算水灰比:3)根据试配抗拉强度或抗折强度或韧性与耐久性要求,按表IO-IOI选用或根据已有资料确定钢纤维体积率:钢纤维体积率采用范围表IO-IOI钢纤维混凝土结构类型钢纤维体积率(%)一般浇筑成型的结构O.5-2.O局部受压构件、桥面、预制柱ISIg.5铁路轨枕、刚性防水屋面0.81.2嘤射钢纤维混肤上i.(M5

11、4)根据施工要求的稠度,通过试验或按已有资料确定单位体积用水量,如掺用外加剂时应考虑外加剂的影响;5)根据稠度和钢纤维体枳率或参照已有工程经验豳定效率:6)按绝对体积法或假定质量密度法计克材料用量,确定初步配合比:7)按初步配合比进行拌合物性能试的,调整单位体积用水量和砂率,确定强度试验用的基准配合比:8)根据强度试验结果调整水灰比和钢纤维体积率,确定施工配合比钢纤维混凝土水灰比宜选用0.45-4).50,每立方米的水泥用量宜为360Y(X)kg:当钢纤维体积率较大时,水泥用量可适当增加,但不应大于50Okg)钢纤维混凝土单位体积用水量可通过试验或根据已有经验确定。钢纤维混凝土坍落度可比相应普

12、通混凝土要求值小20mm;钢纤维混凝土初步配合比确定后,应进行拌合物性能试验,检查其稠度、粘聚性、保水性是否满足施工要求,若不满足,则应在保持水灰比和钢纤维体积率不变的条件卜.,调照单位体枳用水量或砂率,直到满足要求。参考配合比见表I()-102.钢纤维混凝土配合比表IO-102序号ffm三()抗庄强度(MPa)MWf1.1.t(MP.)水鸵2:石*a28dS6d90d10243.23i:1.9t:2.26:0.S奸罐形状(mm):O.2SO.x2S1.1930.27662041.95.9768.2!2.56:2.7:0.5就*上板“2.Mem1.2639.810.19!2.441-2.462

13、.79:0.5303.861.:1.9S:2.26:0.S就餐上板“3.81e1.197.56404.99S9.71.:2.562.78:0.5僦发上板M38IE1.2655.S86.81.2.462.79:0.551.2290.71:2.3S:2.7$假/t板“3.8Iem60221.:2:1.9:0.4$Tftnrn)*O.5250.64524301.0727.241ISO284$53704.01:2.72:1.71:0.S1.fA肝罐,二媒表J00.951.97.781.556.19.2i2.50.850.49Af帔忏It9037.01.:2:2.S:0.52学饨”缗(mm)0.5S01.041.01003.51.:1.8:220.“侑媒JK33%.MSmmX2$mm0.64606.00.951.07.41.27.2110.9SO.46.81.:2.04:0.870.5131%,f如f1.549.67.9121.S51.69.951.:1.95:0.65:0.S酚媒复31%,才9”方1.551.611.25130S4.44峋灯ft(Bn)I

展开阅读全文
相关资源
猜你喜欢
相关搜索

当前位置:首页 > 建筑/环境 > 建筑规范

copyright@ 2008-2023 1wenmi网站版权所有

经营许可证编号:宁ICP备2022001189号-1

本站为文档C2C交易模式,即用户上传的文档直接被用户下载,本站只是中间服务平台,本站所有文档下载所得的收益归上传人(含作者)所有。第壹文秘仅提供信息存储空间,仅对用户上传内容的表现方式做保护处理,对上载内容本身不做任何修改或编辑。若文档所含内容侵犯了您的版权或隐私,请立即通知第壹文秘网,我们立即给予删除!