2023年河北省冷热水用无规共聚聚丙烯(PP-R)管件和管材产品质量监督抽查实施细则.docx

上传人:p** 文档编号:204251 上传时间:2023-04-16 格式:DOCX 页数:3 大小:19.82KB
下载 相关 举报
2023年河北省冷热水用无规共聚聚丙烯(PP-R)管件和管材产品质量监督抽查实施细则.docx_第1页
第1页 / 共3页
2023年河北省冷热水用无规共聚聚丙烯(PP-R)管件和管材产品质量监督抽查实施细则.docx_第2页
第2页 / 共3页
2023年河北省冷热水用无规共聚聚丙烯(PP-R)管件和管材产品质量监督抽查实施细则.docx_第3页
第3页 / 共3页
亲,该文档总共3页,全部预览完了,如果喜欢就下载吧!
资源描述

《2023年河北省冷热水用无规共聚聚丙烯(PP-R)管件和管材产品质量监督抽查实施细则.docx》由会员分享,可在线阅读,更多相关《2023年河北省冷热水用无规共聚聚丙烯(PP-R)管件和管材产品质量监督抽查实施细则.docx(3页珍藏版)》请在第壹文秘上搜索。

1、2023年河北省冷热水用无规共聚聚丙烯(PP-R)管件和管材产品质量监督抽查实施细则1抽样方法以随机抽样的方式抽取检验样品和备用样品。抽样数量见下:冷热水用无规共聚聚丙烯(PP-R)管件同一批次合格产品中抽取3箱,每箱抽取12个,每箱中6个作为检验样品,6个作为备用样品,当不满足基数3箱时,满足同一批次抽取36个管件,18个检验样品,18个备用样品。冷热水用无规共聚聚丙烯(PP-R)管材在同一批次合格产品中抽取8根管材,每根截取4段,每段1m,每根中的2段作为检验样品,2段作为备用样品;如每根管材的长度不足以截取4段,应增加抽取管材的根数,使最终截取的总段数不少于上述要求。2抽查产品名称及执行

2、标准本次抽查的产品名称主要为:冷热水用无规共聚聚丙烯(PP-R)管件、冷热水用无规共聚聚丙烯(PP-R)管材,各产品执行标准见下表1。表1产品名称及执行标准序号产品名称标准编号标准名称1冷热水用无规共聚聚丙烯(PP-R)管件GB/T18742.3-2017冷热水用聚丙烯管道系统第3部分:管件2冷热水用无规共聚聚丙烯(PP-R)管材GB/T18742.2-2017冷热水用聚丙烯管道系统第2部分:管材3检验依据表2执行标准为GB/T18742.3-2017的冷热水用无规共聚聚丙烯(PP-R)管件的检验依据分类序号检验项目检验方法重要程度分级是否为环保指标主要性能1熔融温度GB/T19466.3-2

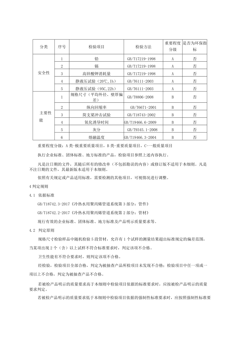
3、004B否2氧化诱导时间GB/T19466.6-2009B否3灰分GB/T9345.1-2008B否表3执行标准为GBT187422-2017的冷热水用无规共聚聚丙烯(PP-R)管材的检验依据分类序号检验项目检验方法重要程度分级是否为环保指标安全性1铅GB/T17219-1998A否2镉GB/T17219-1998A否3高锌酸钾消耗量GB/T17219-1998A否4静液压试验(20,Ih)GB/T6111-2003A否5静液压试验(95C,22h)GB/T6111-2003A否主要性能1规格尺寸(平均外径、壁厚偏差)GB/T8806-2008B否2纵向回缩率GB/T6671-2001B否3简

4、支梁冲击试验GB/T18743-2002B否4氧化诱导时间GB/T19466.6-2009B否5灰分GB/T9345.1-2008B否6熔融温度GB/T19466.3-2004B否重要程度分级:A类-极重要质量项目,B类-重要质量项目,C-一般质量项目执行企业标准、团体标准、地方标准的产品,检验项目参照上述内容执行。凡是注日期的文件,其随后所有的修改单(不包括勘误的内容)或修订版不适用于本细则。凡是不注日期的文件,其最新版本适用于本细则。依照有关规定或产品适用标准,需要检测的其他项目,可视情况进行调整。4判定规则4.1 依据标准GB/T18742.3-2017冷热水用聚丙烯管道系统第3部分:管

5、件GB/T18742.2-2017冷热水用聚丙烯管道系统第2部分:管材现行有效的企业标准、团体标准、地方标准及产品明示质量要求等。4.2 判定原则规格尺寸检验样品中随机检验5段管材,允许有1个试样的测量结果超出标准规定的偏差范围,当某项出现2个(含)以上试样不符合标准要求时,判定该项不合格。卫生性能有不符合要求时,则判定该项不合格。经检验,检验项目全部合格,判定为被抽查产品所检项目未发现不合格;检验项目中任一项或一项以上不合格,判定为被抽查产品不合格。若被检产品明示的质量要求高于本细则中检验项目依据的标准要求时,应按被检产品明示的质量要求判定。若被检产品明示的质量要求低于本细则中检验项目依据的强制性标准要求时,应按照强制性标准要求判定。若被检产品明示的质量要求低于或包含本细则中检验项目依据的推荐性标准要求时,应以被检产品明示的质量要求判定。若被检产品明示的质量要求缺少本细则中检验项目依据的强制性标准要求时,应按照强制性标准要求判定。若被检产品明示的质量要求缺少本细则中检验项目依据的推荐性标准要求时,该项目不参与判定。

展开阅读全文
相关资源
猜你喜欢
相关搜索

当前位置:首页 > 建筑/环境 > 建筑机械

copyright@ 2008-2023 1wenmi网站版权所有

经营许可证编号:宁ICP备2022001189号-1

本站为文档C2C交易模式,即用户上传的文档直接被用户下载,本站只是中间服务平台,本站所有文档下载所得的收益归上传人(含作者)所有。第壹文秘仅提供信息存储空间,仅对用户上传内容的表现方式做保护处理,对上载内容本身不做任何修改或编辑。若文档所含内容侵犯了您的版权或隐私,请立即通知第壹文秘网,我们立即给予删除!