基坑支护冠梁施工方案.docx

上传人:p** 文档编号:222108 上传时间:2023-04-17 格式:DOCX 页数:5 大小:64.41KB
下载 相关 举报
基坑支护冠梁施工方案.docx_第1页
第1页 / 共5页
基坑支护冠梁施工方案.docx_第2页
第2页 / 共5页
基坑支护冠梁施工方案.docx_第3页
第3页 / 共5页
基坑支护冠梁施工方案.docx_第4页
第4页 / 共5页
基坑支护冠梁施工方案.docx_第5页
第5页 / 共5页
亲,该文档总共5页,全部预览完了,如果喜欢就下载吧!
资源描述

《基坑支护冠梁施工方案.docx》由会员分享,可在线阅读,更多相关《基坑支护冠梁施工方案.docx(5页珍藏版)》请在第壹文秘上搜索。

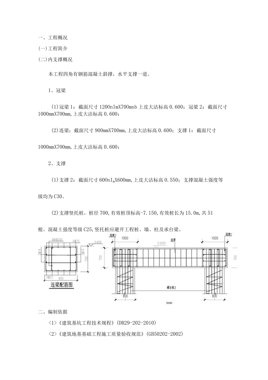
1、一、工程概况(一)工程简介(二)内支撑概况本工程四角有钢筋混凝土斜撑,水平支撑一道。1、冠梁(1)冠梁1:截面尺寸120OnImX70Omnb上皮大沽标高0.600;冠梁2:截面尺寸1000mmX700mm,上皮大沽标高0.600;(2)连梁:截面尺寸900mmX700mm,上皮大沽标高0.600;支撑1:截面尺寸1000mmX700mm,上皮大沽标高0.600;2、支撑(1)支撑2:截面尺寸60OnImX600mm,上皮大沽标高0.550;支撑混凝土强度等级均为C30。(2)支撑竖托桩,桩径700,有效桩顶标高-7.150,有效桩长为15.0m,共51根。混凝土强度等级C25,竖托桩应避开工

2、程桩、墙、柱及承台梁。3600二、编制依据建筑基坑工程技术规程(DB29-202-2010)建筑地基基础工程施工质量验收规范(GB50202-2002)建筑基坑工程监测技术规范(GB50497-2009)建筑机械使用安全技术规程(JGJ33-2012)混凝土结构工程施工质量验收规范(GB50204-2011)建筑地基基础设计规范(GB50007-2011)建筑基坑支护技术规程(JGJI20-2012)工程测量规范(GB50026-2007)建设工程施工现场消防安全技术规范GB50720-2011天津市建设工程施工现场安全管理规程DB29-113-2011三、施工机具挖掘机(1.2m3)1台、空

3、压机2台、钢筋调直机3台、钢筋弯曲机1台、砂轮切割机2台、钢筋切割机1台、风镐3台、铁锹、小线、全站仪、白灰、铁丝、钢筋钩、带扳口的小撬棍,绑扎架。四、材料及其相关标准及要求本工程校采用商品碎,坍落度为18020mm碎自搅拌卸出后,及时运送到浇灌地点。在运输过程中,要防止碎离析,水泥浆的流失,产生初凝等现象。钢筋等材料都具备合格证、性能检测报告,并具有复验报告。五、施工做法(一)施工工艺顺序施工顺序:剔凿支护灌注桩桩头一平整土胎一绑扎钢筋一支设侧模浇筑混凝土f养护至设计要求强度(二)剔凿桩头冠梁施工前需将桩上部的混凝土凿除,桩头凿除采用机械结合人工凿除,为保证凿除过程中不伤到围护桩钢筋,主筋外

4、侧部分采用风镐人工凿除,先将桩四周混凝土凿除露出主筋然后将主筋向外侧拉出,拉动范围以凿开部分的钢筋与混凝土分开为宜,切忌拉出角度过大而将设计桩标高以下钢筋保护层剥落。主筋包围的桩头部位,在钢筋与混凝土分离的位置,四周用风镐向桩内水平凿进,将主筋包围的桩头完全截断,然后用起吊设备将桩头吊走。桩芯顶面的混凝土要凿毛处理,清除桩顶浮渣,清洗、调直桩顶钢筋,采用水泥砂浆将桩头找平。(三)钢筋、模板施工钢筋连接:采用直螺纹连接。支撑梁模板:采用15mm厚木模板组拼,为加强模板整体的刚度,在模板外侧加设50X80的木方子作为背楞。该工程现浇支撑梁采用48双钢管加两道14大纹穿墙螺栓(加塑料管)对拉作为梁模

5、板支撑系统,钢管锚入地下深度不小于30Onlin。自底部起第一道螺栓距地面300mm,第二道螺栓与第一道螺栓间距为300mm,螺栓水平间距为600mmo帽梁、压顶梁模板:采用15mm厚木模板组拼,为加强模板整体的刚度,在模板外侧加设50X80的木方子作为背楞。采用48双钢管加设一道614大纹穿墙螺栓(加塑料管)对拉作为梁模板支撑系统,支顶模板的地锚钢管锚入地下300mm。螺栓设置于梁截面中间位置,螺栓水平间距为600mm。帽梁、连梁提前将超灌部分的混凝土和浮浆剔除至设计标高,并注意扶直探出钢筋,探出筋长度不符合要求时,予以接长,其搭接长度符合设计要求。座落于开挖面的支撑梁模板其基底必须平整,坚

6、实,且地耐力满足支模要求。保证结构各部分形状及尺寸和相互位置的准确,模板的接缝确保不漏浆。(四)碎的浇筑 1碎浇注前对模板、钢筋进行检查,清除模内杂物,隐检合格后才能灌注碎。碎浇注初凝前用振动器振捣好后抹面。在浇筑工序中,应控制混凝土的均匀性和密实性。混凝土拌合物运至浇筑地点后,应立即浇筑入模。在浇筑过程中,如发现混凝土拌合物的均匀性和稠度发生较大的变化,应及时处理。浇筑混凝土时,应注意防止混凝土的分层离析。混凝土由料斗、漏斗内卸出进行浇筑时,其自由倾落高度一般不宜超过2m,否则应采用串筒、斜槽、溜管等下料。浇筑混凝土时,应经常观察模板、支架、钢筋的情况,当发现有变形、移位时,应立即停止浇筑,

7、并应在已浇筑的混凝土凝结前修整完好。混凝土在浇筑及静置过程中,应采取措施防止产生裂缝。混凝土因沉降及干缩产生的非结构性的表面裂缝,应在混凝土终凝前予以修整。6保证冠梁混凝土质量措施如下:a.采用木胶合模板,均匀涂抹脱模剂。b.凿平桩头,并用清水进行清洗,调直钢筋笼立筋,保证立筋锚入梁体长度不小于35doc.混凝土浇注过程中,振捣密实。d.混凝土浇筑一次浇筑长度30m,浇筑高度至设计标高。混凝土浇筑完成12小时后采用洒水养护不少于7天。(五)拆模、养护混凝土达到规定强度时,方可进行模板拆除,拆除模板时,需按程序进行,禁止用大锤敲击,防止混凝土面出现裂纹。应在浇筑完毕后的12h以内对混凝土加以覆盖

8、并保湿养护。六、施工质量要求及保证措施严格按施工方案和技术交底施工,进场钢筋的材质必须符合设计及国家相关规范的规定,有钢筋材质报告书及试验检测报告。钢筋调直宜采用机械方法,弯折90度时,内直径不得小于钢筋直径的5倍。钢筋焊接或绑扎时,焊缝必须饱满,焊缝表面平整,不得有较大的凹陷、焊瘤,接头处不得有裂纹,咬边深度、气孔、加渣等数量与大小,以及接头尺寸偏差符合规范要求,搭接长度符合设计及交底要求。在浇筑彼时安排专人看钢筋,保证钢筋顺直,截面尺寸以及预埋件的尺寸、位置满足设计和规范要求。冠梁基底要坚实、平整,钢筋绑扎前进行砂浆找平,桩头不得有土块及其他杂物存在,可以采用水或高压风进行清理,以保证基底混凝土的质量。模板表面平整,无污染物,拼装的模板连接位置采用ICnl厚的海绵条封堵,相临模板接缝高低差不得大于2mm,模板隔离剂应为无污染材料,涂刷时不得玷污钢筋和混凝土接茬处。模板的支撑体系应牢固、可靠,安装模板时须用相同等级的混凝土垫块或塑料块垫设,以保证钢筋保护层厚度。七、成品保护未达到规定强度时不得在冠梁、连梁上大量堆载或让挖土机、推土机等大型设备在其上面行驶以防使冠梁、连梁断裂等质量问题。

展开阅读全文
相关资源
猜你喜欢
相关搜索

当前位置:首页 > 建筑/环境 > 桩基础

copyright@ 2008-2023 1wenmi网站版权所有

经营许可证编号:宁ICP备2022001189号-1

本站为文档C2C交易模式,即用户上传的文档直接被用户下载,本站只是中间服务平台,本站所有文档下载所得的收益归上传人(含作者)所有。第壹文秘仅提供信息存储空间,仅对用户上传内容的表现方式做保护处理,对上载内容本身不做任何修改或编辑。若文档所含内容侵犯了您的版权或隐私,请立即通知第壹文秘网,我们立即给予删除!