线路保护装置检修规程.docx

上传人:p** 文档编号:279788 上传时间:2023-04-27 格式:DOCX 页数:6 大小:47.61KB
下载 相关 举报
线路保护装置检修规程.docx_第1页
第1页 / 共6页
线路保护装置检修规程.docx_第2页
第2页 / 共6页
线路保护装置检修规程.docx_第3页
第3页 / 共6页
线路保护装置检修规程.docx_第4页
第4页 / 共6页
线路保护装置检修规程.docx_第5页
第5页 / 共6页
线路保护装置检修规程.docx_第6页
第6页 / 共6页
亲,该文档总共6页,全部预览完了,如果喜欢就下载吧!
资源描述

《线路保护装置检修规程.docx》由会员分享,可在线阅读,更多相关《线路保护装置检修规程.docx(6页珍藏版)》请在第壹文秘上搜索。

1、RCS-900系列线路保护装置检修规程1范围本规程规定了XXX水力发电有限责任公司RCS-900系列线路保护装置检修的基本要求、检修项目、方法等内容。本规程适用于XXX水力发电有限责任公司RCS-900系列线路保护装置的检修。2规范性引用文件继电器检验规程GB7261-1987继电器及继电保护装置基本试验方法继电保护和电网安全自动装置现场工作保安规定(87)电生供字第254号继电保护及电网安全自动装置检验条例(87)水电电生字第108号中国南方电网有限责任公司发布的检验条例Q/CSG10008-20043检修周期根据厂家的要求和厂家的说明书,由于该装置有自我检测和自我诊断功能,如果装置有异常情

2、况,应立即通知保护专业人员到现场对装置进行检查。保护专业人员可通过装置的自我测试及自我诊断功能,了解装置的运行状况。根据中国南方电网有限责任公司发布的检验条例要求,原则上,每两年进行一次部分检验,每六年进行一次全部检验,或结合实际情况可根据需要安排对装置检修。4检修要求、方法及质量标准4.1 检修设备及要求4.1.1 用微机式继电保护试验装置微机保护试验仪及微机型高压断路器模拟装置。4.1.2 试验仪表应经检验合格,其精度不低于0.5级。4.1.3 试验回路的接线原则,应使通入保护装置的电气量与实际情况相符合。4.1.4 模拟故障的试验回路,应具备对保护装置进行整组试验条件。4.1.5 为了保

3、证检修质量,对所有特性试验中的每一点,应重复3次,其中的每次试验数值与的误差均满足规定要求。4.1.6 在装置投运情况下,如发生装置直流接地必需对装置进行直流接地查找时,必需退出保护,并适用内阻大于20kQ仪表查找,严禁适用灯泡代替电压表法查找。4.2 试验过程中应注意的事项4.3 2.1断开直流电源后才允许插、拔插件。4.2.2试验过程中如需使用电烙铁进行焊接时,应采用带接地线的电烙铁或电烙铁断电后再焊接.4.2.3试验过程中,注意不要插错插件位置.4.2.4因检验需要临时短接或断开的端子,应逐个记录,并在试验结束后及时恢复.4. 2.5在做联动试验时,由于多次跳开关对于开关不利,如果没有特

4、别必要的要求,只要求跳各断路器一次,其他保护采用微机型高压断路器模拟装置进行模拟。4.3设备主要技术参数见表。4.3.1额定参数1)交流电压Un:100/3V;线路抽取电压Ux:IOOV或100/3V;2)交流电流In:5A,IA(In表示TA二次额定值,下同,由用户订货时选定):3)交流频率:50Hz:4)直流电压:220V,I1.OV(由用户订货时选定)4.3.2交流回路精确工作范囤(10%误差范围内)1)相电压:0.25V70V:2)线路抽取电压:0.4V-120V;3)电流:0.08In30In。1. 3.3电流差动保护1)整定范围:0.IIn30In:级差为0.01A;2)测量误差:

5、不大于2.5%或0.02In04. 3.4距离保护1)整定范围:0.0IQ25Q(5A);0.05Q125。(IA):级差为0.01C:2)测量误差:不大于3%;3)距离I段的行态超越:不大于5%。5. 3.5零序电流保护1)整定范围:0.1In30In;级差为0.01A;2)测量误差:不大于2.5%或0.02In06. 3.6过电流保护1)整定范围:0.1In30In:级差为0.01A;2)测量误差:不大于2.5%或0.02In07. 3.7过负荷保护1)整定范围:0.IIn30In;级差为0.01A:2)整定值误差:不大于2.5%或0.02Ino8. 3.8低周减载CSC-161/162/

6、163系列数字式线路保护装置说明书-7-1)频率整定范围:45Hz49.5Hz,测量误差:0.02Hz;2)频率滑差整定范围:0.520Hzs4.3.9低压减载1)电压定值整定范围:30V-100V(线电压):2)电压突变闭锁定值整定范围:10IOoV/s(线电压)。4.3.10三相一次重合闸1)检同期角度误差:不大于2:2)检同期有压元件误差:0.7Un2V;3)检无压元件误差:0.3Un2V.4.3.11断路器失灵启动元件1)整定范围:0.1In30In;级差为0.01A:2)测量误差:不大于2.5%或0.02In04.3.12整组动作时间(包括继电器固有动作时间)1)差动保护的动作时间:

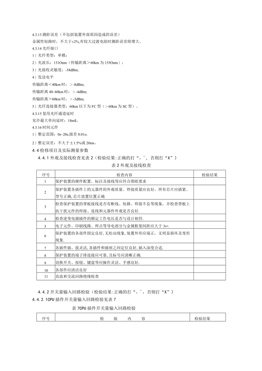
7、2倍整定值时,不大于28ms;2)纵联距离、纵联零序保护的动作时间:20ms30ms;3)相间和接地距离I段的动作时间:0.7倍整定值以内时,不大于25ms;4)零序电流I段的动作时间:1.2倍整定值时,不大于25ms;5)过电流I段的动作时间:1.2倍整定值时,不大于25ms。4.3.13测距误差(不包括装置外部原因造成的误差)金属性短路时,不大于2%,有较大过渡电阻时测距误差将增大。4.3.14光纤接口1)光纤类型:单模;2)光波长:131Onm(传输距离60km为155Onm);3)光接收灵敏度:-38dBm;4)发送电平传输距离40km时:-8dBm;传输距离4060km时:-4dBm

8、;传输距离60km时:-3dBm;5)光纤连接器类型:60km以下为FC型(60km为SC型)。4.3.15复用光纤通道延时允许最大单向延时:18m$。4.3.16时间元件1)整定范围:0s20s,级差0.01s;2)整定误差:不大于1.5%或20ms。4.4检修项目及实际测量参数4.4.1外观及接线检查见表2(检验结果:正确的打“,否则打“X”)表2外观及接线检查序号检查内容检验结果1保护装置的硬件配置、标注及接线等应符合图纸要求2保护装置各插件上的元器件的外观质量、焊接质量应良好,所有芯片应插紧、型号正确,芯片放置位置正确3检查保护装置的背板接线是否有断线、短路、焊接不良等现象,并检查背板

9、上抗干扰元件的焊接、连线和元器件外观是否良好.4检查逆变电源插件的额定工作电压是否与设计相符.5电子元件、印刷线路、焊点等导电部分与金属框架间距应大于3.6保护装置的各部件固定良好,无松动现象,装置外形应端正,无明显损坏及变形现象.7各插件插、拔灵活,各插件和插座之间定位良好,插入深度合适.8保护装置的端子排连接应可靠,且标号应清晰正确.9切换开关、按钮、键盘等应操作灵活、手感良好.10各部件应清洁良好11直流和交流回路绝缘检查4.4.2开关量输入回路检验(检验结果:正确的打“,否则打“X”)4.4.2.1CPU插件开关量输入回路检验见表7表7CPU插件开关量输入回路检验序号检验内容检验结果1

10、差动投入2距离保护投入3零序保护投入4重合闸投入7闭锁远方操作8检修状态投入9启动失灵保护投入10双回线相继加速投入4.4.3整定值检查4.4.3.1打印定值报告与定值整定通知单一致(定值通知单编号:区)4.4.3.2保护功能检查:检验结果:正确的打“J”,否则打“”4.4.3.3光纤差动功能检查。整定值(具体数值见定值通知单)序号定值名称整定范围1突变量电流定值2静稳破坏电流定值3分相差动定值4零序电流差动定值5TA断线后分相差动定值6零序差动时间定值7TA变比补偿系数定值误差不超过5%检验结果:一,4.4.3.4距离保护功能检查见表12(仅投距离压板)接地距离I段:接地距离II段:接地距离

11、III段:相间距离I段:相间距离II段:相间距离In段:距离保护整定值:(具体数值见定值通知单)接地距离I段动作时间:接地距离II段动作时间:接地距离川段动作时间:相间距离I段动作时间:相间距离II段动作时间:相间距离In段动作时间:要求:1.05倍定值不动作,0.95倍定值动作正方向动作,反方向不动表12距离保护功能检查相别ABCABBCCAI段动作时间II段动作时间HI段动作时间I段动作定值II段动作定值III段动作定值定值误差不超过5%检验结果:一,4.4.3.5零序过流后备保护见表13零序过流后备保护整定值:(具体数值见定值通知单)零序过流I段:零序过流段:零序过流IH段:零序过流IV

12、段:零序过流I段动作时间:零序过流II段动作时间:零序过流HI段动作时间:零序过流IV段动作时间:要求:1.05倍定值动作,0.95倍定值不动作正方向动作,反方向不动检验结果:一,4.4. 3. 6 TV断线后过流保护功能检查。TV断线后过流I段定值:TV断线后过流II段定值:定值误差不超过 5%检验结果:4. 4.4过负荷保护过负荷保护定值:定值误差不超过5%检验结果:一,4. 4.5重合闸功能检查。重合闸时间定值:定值误差不超过5%TV断线后过流【段时间定值:TV断线后过流II段时间定值:过负荷保护时间定值:重合闸同期角度定值:表13零序过流后备保护项目TO1.T02T03T04实测时间实

13、测定值定值误差不超过5%检验结果:,4.4.6整组试验4.4.6.1分别模拟各单相故障(I段),检查出口压板,结果:4.4.6.2模拟故障检查中央监控信号指示及录波情况,结果:4.4.7通道检查试验检验结果:,4.4.8断路器传动试验:(检验结果:正确的打,否则打“X”)试验时控制室与开关站要设专人监视,注意观察断路器与保护动作相别是否一致,各种中央信号及有关的声、光信号是否正确。4.4.8.141QF断路器传动试验见表15表15断路器传动试验序号故障类型保护投入情况重合闸方式装置信灯指示断路曙动作情况检验结果1AO相瞬时保护各连接片全投单一重跳AA相单跳单重2BO相瞬时保护各连接片全投1P-

14、1(跳BB相单跳单重3CO相瞬时保护各连接片全投H重跳CC相单跳单重4.4.9负荷试验如一次设备发生改变或电流、电压二次回路发生改变,在带负荷试验前应进行一次升流试验及升压试验以检验电流电压回路的正确及完整性,特别是N线的接线正确性。4.4.10该保护联动试验规定作为停工待检(H点)、现场见证(W点)和文件见证(R点)。4.4.11结论保护装置经检修后应该正常,并可以投入运行。5检修结束5.1 联动试验结束后,把所有回路及装置再检查一次,按照继电保护安全措施票上记录,把在试验中甩开的端子恢复,把所有的压板恢复到检修前的状况,填写检修质量验收卡,三级验收卡通过。在继电保护检修记录本上记录本次检修的情况,交待

展开阅读全文
相关资源
猜你喜欢
相关搜索

当前位置:首页 > 行业资料 > 能源与动力工程

copyright@ 2008-2023 1wenmi网站版权所有

经营许可证编号:宁ICP备2022001189号-1

本站为文档C2C交易模式,即用户上传的文档直接被用户下载,本站只是中间服务平台,本站所有文档下载所得的收益归上传人(含作者)所有。第壹文秘仅提供信息存储空间,仅对用户上传内容的表现方式做保护处理,对上载内容本身不做任何修改或编辑。若文档所含内容侵犯了您的版权或隐私,请立即通知第壹文秘网,我们立即给予删除!