2021年宁波杭州湾新区“匠心前湾”技能大赛暨第一届宁波技能大赛选拔赛“库柏杯”电工技能竞赛.docx

上传人:p** 文档编号:281655 上传时间:2023-04-28 格式:DOCX 页数:8 大小:42.26KB
下载 相关 举报
2021年宁波杭州湾新区“匠心前湾”技能大赛暨第一届宁波技能大赛选拔赛“库柏杯”电工技能竞赛.docx_第1页
第1页 / 共8页
2021年宁波杭州湾新区“匠心前湾”技能大赛暨第一届宁波技能大赛选拔赛“库柏杯”电工技能竞赛.docx_第2页
第2页 / 共8页
2021年宁波杭州湾新区“匠心前湾”技能大赛暨第一届宁波技能大赛选拔赛“库柏杯”电工技能竞赛.docx_第3页
第3页 / 共8页
2021年宁波杭州湾新区“匠心前湾”技能大赛暨第一届宁波技能大赛选拔赛“库柏杯”电工技能竞赛.docx_第4页
第4页 / 共8页
2021年宁波杭州湾新区“匠心前湾”技能大赛暨第一届宁波技能大赛选拔赛“库柏杯”电工技能竞赛.docx_第5页
第5页 / 共8页
2021年宁波杭州湾新区“匠心前湾”技能大赛暨第一届宁波技能大赛选拔赛“库柏杯”电工技能竞赛.docx_第6页
第6页 / 共8页
2021年宁波杭州湾新区“匠心前湾”技能大赛暨第一届宁波技能大赛选拔赛“库柏杯”电工技能竞赛.docx_第7页
第7页 / 共8页
2021年宁波杭州湾新区“匠心前湾”技能大赛暨第一届宁波技能大赛选拔赛“库柏杯”电工技能竞赛.docx_第8页
第8页 / 共8页
亲,该文档总共8页,全部预览完了,如果喜欢就下载吧!
资源描述

《2021年宁波杭州湾新区“匠心前湾”技能大赛暨第一届宁波技能大赛选拔赛“库柏杯”电工技能竞赛.docx》由会员分享,可在线阅读,更多相关《2021年宁波杭州湾新区“匠心前湾”技能大赛暨第一届宁波技能大赛选拔赛“库柏杯”电工技能竞赛.docx(8页珍藏版)》请在第壹文秘上搜索。

1、2021年宁波杭州湾新区“匠心前湾”技能大赛暨第一届宁波技能大赛选拔赛“库柏杯”电工技能竞赛技术文件2021年7月一 .竞赛项目L项目名称:电工2.竞赛方式:本赛项为单人参赛,选手需要在规定的时间内独立完成技能操 作竞赛。二 .竞赛安排1 .竞赛报到时间:2021年8月1日参赛选手携带本人身份证和参赛证参赛,开考后20分钟不得入内。地点:慈溪技师学院(宁波杭州湾新区滨海二路1238号)2 .竞赛时间及地点技能操作竞赛时间:180分钟赛场:4号电工教学楼一楼4117室三 .命题依据本次竞赛以电工国家职业技能标准高级工技能要求为基础,适当增加 部分技师(二级)的内容及相关新知识、新技能。结合该职业

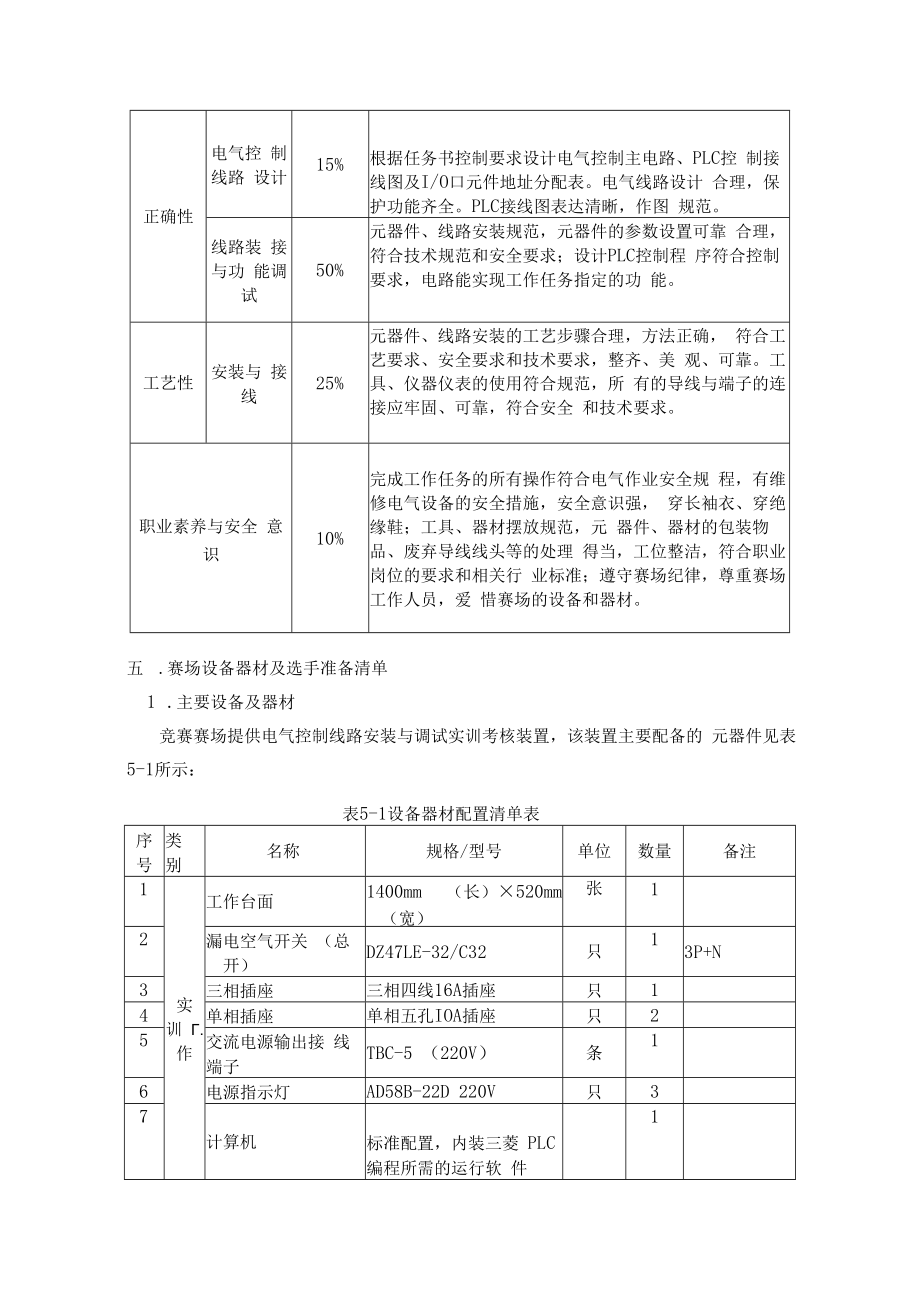
2、的实际情况,注 重基本技能和专业化操作,注重操作过程和质量控制,注重安全生产以及职业 道德和标准规范,体现现代先进控制技术,考核职业综合能力。在命题编制结 构上,针对电工行业领域,按照实操方式进行命题组合,竞赛考核尽可能体现 电工职业综合能力要求,并对电工行业技能人才培养起到示范引导作用。四 .竞赛内容根据命题专家组在试卷中提出的任务和功能要求,参赛选手设计出相应的 电路和PLC控制程序,并按图接线操作,模拟调试达到试题拟定的控制要求和技 术要求。仪器、仪表的规范使用及安全文明生产将在技能竞赛操作过程中进行 考查,满分为100分。具体的竞赛考核项目及分值比例见表4-1所示:表4-1竞赛考核项目

3、及分值比例表考核项目分值比 例内容要求正确性电气控 制线路 设计15%根据任务书控制要求设计电气控制主电路、PLC控 制接线图及I/O口元件地址分配表。电气线路设计 合理,保护功能齐全。PLC接线图表达清晰,作图 规范。线路装 接与功 能调试50%元器件、线路安装规范,元器件的参数设置可靠 合理,符合技术规范和安全要求;设计PLC控制程 序符合控制要求,电路能实现工作任务指定的功 能。工艺性安装与 接线25%元器件、线路安装的工艺步骤合理,方法正确, 符合工艺要求、安全要求和技术要求,整齐、美 观、可靠。工具、仪器仪表的使用符合规范,所 有的导线与端子的连接应牢固、可靠,符合安全 和技术要求。

4、职业素养与安全 意识10%完成工作任务的所有操作符合电气作业安全规 程,有维修电气设备的安全措施,安全意识强, 穿长袖衣、穿绝缘鞋;工具、器材摆放规范,元 器件、器材的包装物品、废弃导线线头等的处理 得当,工位整洁,符合职业岗位的要求和相关行 业标准;遵守赛场纪律,尊重赛场工作人员,爱 惜赛场的设备和器材。五 .赛场设备器材及选手准备清单1 .主要设备及器材竞赛赛场提供电气控制线路安装与调试实训考核装置,该装置主要配备的 元器件见表5-1所示:表5-1设备器材配置清单表序 号类 别名称规格/型号单位数量备注1实 训 .作工作台面1400mm (长)520mm (宽)张12漏电空气开关 (总开)

5、DZ47LE-32/C32只13P+N3三相插座三相四线16A插座只14单相插座单相五孔IOA插座只25交流电源输出接 线端子TBC-5 (220V)条16电源指示灯AD58B-22D 220V只37计算机标准配置,内装三菱 PLC编程所需的运行软 件18电气控制安装器材电气控制装接网 孔板600 X 800 20mm块19PLC三菱FX-3U系列PLC(继电器输出), I/O点数232,以及电 脑专用程序下载线套110交流接触器CJX2-0910/220V只5带辅助触头11保护熔断器RT18-32X只5配2A、 IOA12行程开关LX-19A只613自动空气开关DZ47-32/3P只114自

6、动空气开关DZ47-32/2P只115按钮开关LA4-3H只216紧急停止开关LA68D-11ZS只1红色17选择开关LA68B-ED25只12挡18选择开关LA68B-ED35只13挡19指示灯AD16B红,绿,黄色, 电压220V只620蜂鸣器FMQ2724额定电压 220V只121热继电器NR225只31只先备用22三相电源插头16A三相四线插头护套 线条123单相电源插头220V,带电源线 (L2M 长)条124连接导线BVRTm2红、绿多股铜 芯米若干25号码管导线连接端子编号的 异型管米若干按需要配置26PVe行线槽按比赛需要确定米若干按需要配置27导轨C45金属导轨米若干按需要配

7、置28接线端子JX215条329管型端子(针)VE-1008个若干30三相电动机YS5024(Y-)台131三相电动机YS5024 (Y-ZX)带离心 开关132三相双速电机YS50124, 180W台1竞赛使用PLC型号FX3N-32MRFX2N-32MR2 .选手准备清单选手需要赛前准备的劳保用品、绘图工具和通用电工工具,见表5-2所J O表5-2选手自带工具清单表序号名称型号规格单位数量备注1劳保用品绝缘鞋、工作服套12钢笔或水笔蓝或黑色支13圆珠笔蓝或黑色支1或油性记号笔4铅笔、橡皮HB套15绘图工具三角尺、直尺套16通用电工工具验电笔、尖嘴钳、斜口 钳、剥线钳、欧式管形 压线钳、十字

8、、一字螺 丝刀(大小各1把)等套1具体大小规格自 定,确保绝缘良好。7万用表自定块1说明:本此竞赛,禁止使用电动工具。六.实操技能考核规范及评判标准1.实操技能评判标准本次技能竞赛需要评判的实操技能要求包括:完成工作前准备、PLC电气线 路设计、线路安装、PLC控制程序设计与功能调试、仪表操作使用等。具体要求 见表6-1实操技能要求评判表。表6-1实操技能要求评判表技术描述能力要求相关知识工作前准备在整个竞赛过程中,必须规范穿戴劳保用品。竞赛前后,应保持工位的整洁,设备及仪器仪 表摆放有序。电气安全作业、 仪器仪表使用PLC线路设计熟悉电动机的单向运行、双向运行、星三角起 动和顺序控制等。熟悉

9、电机驱动的基本应用。熟悉常用低压电气的图形符号和文字符号。能规范设计并绘制电气原理图(PLC主/控电路 图)。能正确进行PLC软元件地址的分配使用。电机及电气控制PLC基础知识电气设计CAD电气线路安装能正确选择并使用常用低压电器元件。导线使用选择正确、连接紧固,导线入行线槽。线路安装符合成套低压电器安装工艺规范。低压电器工作理 电气装配工艺PLC程序设计 与功能调试能熟练操作PLC编程软件。能用梯形图或SFC图等方法设计PLC程序,程序 设计规范,功能完善。通电调试,电路功能正确、符合任务要求,且 通电一次成功。PLC编程基础逻辑思维 调试技术仪表操作使用正确使用工量具和仪器仪表。不得损坏设

10、备。仪器仪表使用2.评分办法参照电工国家职业标准技能鉴定(高级工、技师)评分标准、规范要 求进行评判,全面评价参赛选手的职业能力。评价方式采用过程评价与结果评 价相结合,工艺评价与功能评价相结合,能力评价与职业素养评价相结合,满 分为IOO分。3.违规扣分选手有下列情形,需从比赛成绩中扣分:违反比赛规定,提前进行操作或比赛终止仍继续操作的,由现场评委负责 记录并酌情扣1-5分。在竞赛过程中,违反赛场纪律,由评委现场记录参赛选手违纪情节,依 据情节扣1-5分。在完成工作任务的过程中违反操作规程或因操作不当,未造成设备损坏 或影响其他选手比赛的,扣5-10分;造成设备损坏或影响他人比赛情节严重 的

11、,报竞赛执委会批准,由首席评委宣布终止该选手的比赛,竞赛成绩以0分 计算。损坏赛场提供的设备,浪费材料,污染赛场环境,工具遗忘在赛场等不 符合职业规范的行为,视情节扣5T0分。七 .竞赛有关说明L选手应带齐竞赛规定的劳保用品、必需的工具、量具、仪表,不得携带手 机、纸质资料、电子式存贮器等与竞赛无关物品进入赛场,开赛后30分钟内 不得交卷离场,迟到20分钟及以上者,按自动弃权处理。竞赛过程中参赛者 上洗手间须征得监考人员同意,并有人督促,其耗时一律计算在竞赛时间内。2 .竞赛前20分钟选手进入赛场,按抽签工位号就座,准备好工量具。竞赛 前10分钟分拆封竞赛任务书,讲解竞赛考试注意事项,以场地计

12、时器为准计 时进行竞赛。参赛者接到竞赛任务书后检查试题是否清楚,若有异议,及时向 监考人员报告。竞赛过程中不得向监考人员咨询与竞赛技能相关问题,严禁接 受任何形式的场外指导。3 .选手必须把本次竞赛的编程文件保存在指定的文件夹中,文件名为“抽签 号+工位号”,如出现文件不在指定文件夹或文件名无法识别(包含文件后缀) 将不计分。4 .因停电或设备自身故障导致选手中断竞赛,经确认后由赛场裁判长视具体情况做出裁决。5 .参赛者提前结束竞赛的,应向裁判员举手示意,经裁判同意后交卷,按竞 赛任务书要求进行操作演示。6 .竞赛时间到,监考裁判宣布竞赛结束,参赛者一律停止答卷操作,收集自 带物品离开赛场进入

13、候考室等待,叫到工位号时再进入赛场进行设备的通电调 试。选手离开赛场时不得带走试卷、竞赛任务书等资料。7 .其他允许进入赛场的人员,一律不允许与参赛者交谈。任何在竞赛现场的 人员,不得干扰参赛者的正常操作。8 .竞赛期间必须遵守文明生产,尊重裁判裁定。对裁定评分有重大异议的, 可以向竞赛组长和总裁判申诉或举报。不服从裁判裁定喧哗闹事者和故意损坏 竞赛设备者取消竞赛资格,并对损坏设备照价赔偿。9 .竞赛中需要写“姓名”的地方,一律用“抽签号”代替,否则按违规处 理,不计成绩。10 .本竞赛技术文件未尽事宜将在后续资料中予以补充。八 .防疫安全措施全体参赛选手按防疫要求,出示健康码、佩戴口罩,并接受体温检测。2021年7月1日

展开阅读全文
相关资源
猜你喜欢
相关搜索

当前位置:首页 > 管理/人力资源 > 企业文档

copyright@ 2008-2023 1wenmi网站版权所有

经营许可证编号:宁ICP备2022001189号-1

本站为文档C2C交易模式,即用户上传的文档直接被用户下载,本站只是中间服务平台,本站所有文档下载所得的收益归上传人(含作者)所有。第壹文秘仅提供信息存储空间,仅对用户上传内容的表现方式做保护处理,对上载内容本身不做任何修改或编辑。若文档所含内容侵犯了您的版权或隐私,请立即通知第壹文秘网,我们立即给予删除!