PLC实物控制实训——实训二十五 直流电机控制.docx

上传人:p** 文档编号:469352 上传时间:2023-09-09 格式:DOCX 页数:3 大小:54.67KB
下载 相关 举报
PLC实物控制实训——实训二十五 直流电机控制.docx_第1页
第1页 / 共3页
PLC实物控制实训——实训二十五 直流电机控制.docx_第2页
第2页 / 共3页
PLC实物控制实训——实训二十五 直流电机控制.docx_第3页
第3页 / 共3页
亲,该文档总共3页,全部预览完了,如果喜欢就下载吧!
资源描述

《PLC实物控制实训——实训二十五 直流电机控制.docx》由会员分享,可在线阅读,更多相关《PLC实物控制实训——实训二十五 直流电机控制.docx(3页珍藏版)》请在第壹文秘上搜索。

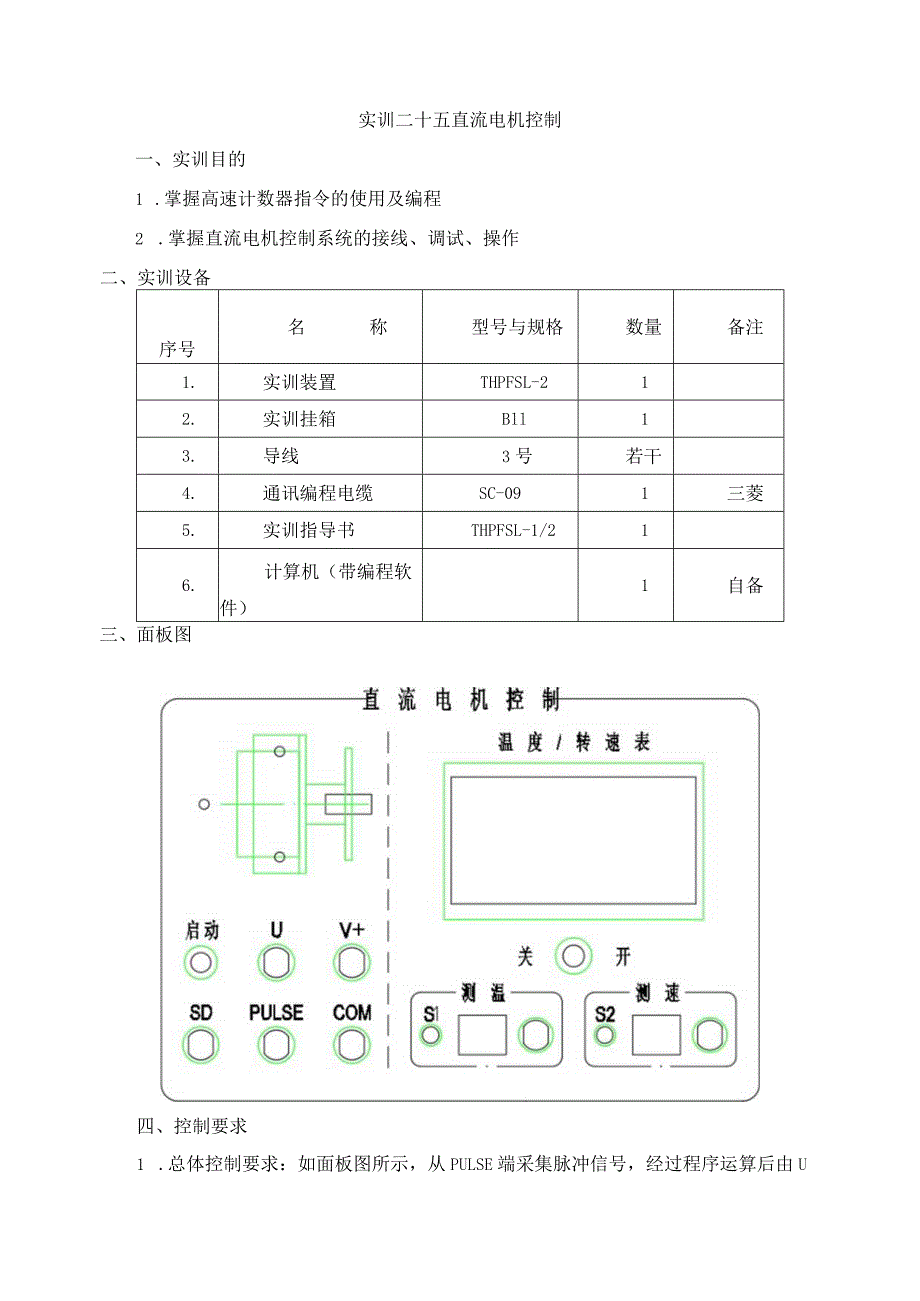
1、实训二十五直流电机控制一、实训目的1 .掌握高速计数器指令的使用及编程2 .掌握直流电机控制系统的接线、调试、操作二、实训设备序号名称型号与规格数量备注1.实训装置THPFSL-212.实训挂箱Bll13.导线3号若干4.通讯编程电缆SC-091三菱5.实训指导书THPFSL-1/216.计算机(带编程软件)1自备三、面板图四、控制要求1 .总体控制要求:如面板图所示,从PULSE端采集脉冲信号,经过程序运算后由U端输出模拟量信号控制电机的转速。2 .打开“SD”启动开关,U端给直流电机输出模拟量信号,电机在转动时输出脉冲信号。3 .PLC从PULSE端采集到脉冲信号后,经程序运算,由U端输出

2、模拟量信号控制电机的转速。五、功能指令使用及程序流程图1 .高速计数器指令使用IM8000DlOOO卜TI235)C235对应PLC数字量输入端XO的计数器,将此数据存放在DlOO寄存器中。2 .程序流程图六、端口分配及接线图1.端口分配及功能表序号PLC地址(PLC端子)电气符号(面板端子)功能说明1XOOSD启动开关2XOlPULSE脉冲反馈信号3VoutU模拟量控制信号4主机CoM、接电源GND电源地端2.PLC外部接线图SDPULSE13q4 限 XHIC0MIXODIXO1FX0N-3A七、操作步骤1 .检查实训设备中器材及调试程序。2 .按照I/O端口分配表或接线图完成PLC与实训模块之间的接线,认真检查,确保正确无误。3 .打开示例程序或用户自己编写的控制程序,进行编译,有错误时根据提示信息修改,直至无误,用SC-09通讯编程电缆连接计算机串口与PLC通讯口,打开PLC主机电源开关,下载程序至PLC中,下载完毕后将PLC的“RUN/STOP”开关拨至“RUN”状态。4 .打开“SD”启动开关,U端给直流电机输出模拟量信号,电机在转动时输出脉冲信号。5 .PLC从PULSE端采集到脉冲信号后,经程序运算,由U端输出模拟量信号控制电机的转速。八、实训总结1 .总结高速计数器指令的使用方法。2 .总结记录PLC与外部设备的接线过程及注意事项。

展开阅读全文
相关资源
猜你喜欢
相关搜索

当前位置:首页 > 通信/电子 > 电子电气自动化

copyright@ 2008-2023 1wenmi网站版权所有

经营许可证编号:宁ICP备2022001189号-1

本站为文档C2C交易模式,即用户上传的文档直接被用户下载,本站只是中间服务平台,本站所有文档下载所得的收益归上传人(含作者)所有。第壹文秘仅提供信息存储空间,仅对用户上传内容的表现方式做保护处理,对上载内容本身不做任何修改或编辑。若文档所含内容侵犯了您的版权或隐私,请立即通知第壹文秘网,我们立即给予删除!