新能源驱动电机控制器测试系统校准规范.docx

上传人:p** 文档编号:492363 上传时间:2023-09-19 格式:DOCX 页数:3 大小:13.49KB
下载 相关 举报
新能源驱动电机控制器测试系统校准规范.docx_第1页
第1页 / 共3页
新能源驱动电机控制器测试系统校准规范.docx_第2页
第2页 / 共3页
新能源驱动电机控制器测试系统校准规范.docx_第3页
第3页 / 共3页
亲,该文档总共3页,全部预览完了,如果喜欢就下载吧!
资源描述

《新能源驱动电机控制器测试系统校准规范.docx》由会员分享,可在线阅读,更多相关《新能源驱动电机控制器测试系统校准规范.docx(3页珍藏版)》请在第壹文秘上搜索。

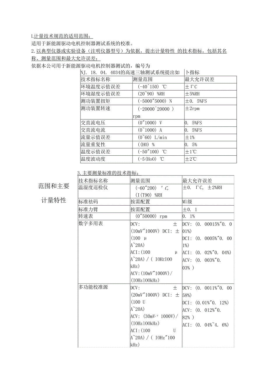
1、附件3:机械汽车行业计量技术规范项目建议书建议项目名称新能源驱动电机控制器测试系统校准规范制定或修订0制定 口修订被修订计量 技术规范号计量技术规范 性质检定规程 0校准规范计量技术规 范类别0重点 口基础主要起草单位中汽研汽车检验中心(天津)有限公司联系人王海军联系电话17622950675任务年限2年申请经费3万参加单位中汽研新能源汽车检验中心(天津)有限公司具备的特点口安全口节能0环保口自主创新其他1.指出该计量技术规范项目编制的目的、意义,描述涉及安全、节能、环保、自主创新等方面的特点和发挥的作用,解决行业、产业目的、意义和 必要性的问题和必要性、迫切性;当前,新能源汽车行业发展迅速,

2、针对新能源汽车的检测也快 速兴起,其中新能源驱动电机控制器测试系统构成复杂,由多轴测 功装置、温湿度环境仓、功率分析仪、电池模拟器、低压电源、水 冷机等设备组成,该系统的校准涉及热学、电学、力学校准领域。 该系统的测功装置转速极高,可达30000rpm,电压电流校准范围大, 可达IOoOV, 1000,超出了常规设备的校准范围,按目前现行的校 准规范与规程来说,没有完全匹配该套测试系统的校准需求。因此 需要深入研究用户的使用需求与各设备间的关联来制定适宜的校 准规范。2.先进性和亮点、社会效益和推广应用前景;通过制定适合新能源驱动电机控制器测试系统的校准规范,将 测试系统里的各个设备联系起来,

3、分析各个设备之间的关系,优化 校准流程,实现符合用户需求的量值溯源,可实现降本增效。3.查新结果(国家、本行业或其他行业是否有相关技术规范);目前国内尚无关于新能源驱动电机控制器测试系统的计量技 术规范。范围和主要计量特性技术指标名称测量范围最大允许误差温湿度巡检仪(-60200) C, (I(T90) %RH0. C, 2%RH标准祛码按需配置Ml级标准力臂按需配置0. 1转速表(050000) rpm0. 1%数字多用表DCV:(10mV1000V) DCI: (100 A20A)ACI:(100A20A)( IOHzIOO kHz)ACV:(10mV1000V)/ (IOHzlOOkHz

4、)DCV: (0. 00015%0. 0 01%)DCI: (0. 0005%0. 00 1%)ACI: (0. 02%0. 04%)ACV: (0. 003%0. 03% )多功能校准源DCV:(20mV1000V) DCI: (100 UA20A)ACV: (30mV,v 1000V)/ (IOHzlOOkHz)ACI:(100UA20A)( IOHz100 kHz)DCV: (0. 0011%0. 00 58%)DCI: (0.01%0. 12%)ACV: (0. 012%0. 82% )ACI: (0. 04%4. 6%)3.主要测量标准的技术指标;L计量技术规范的适用范围;适用于新能

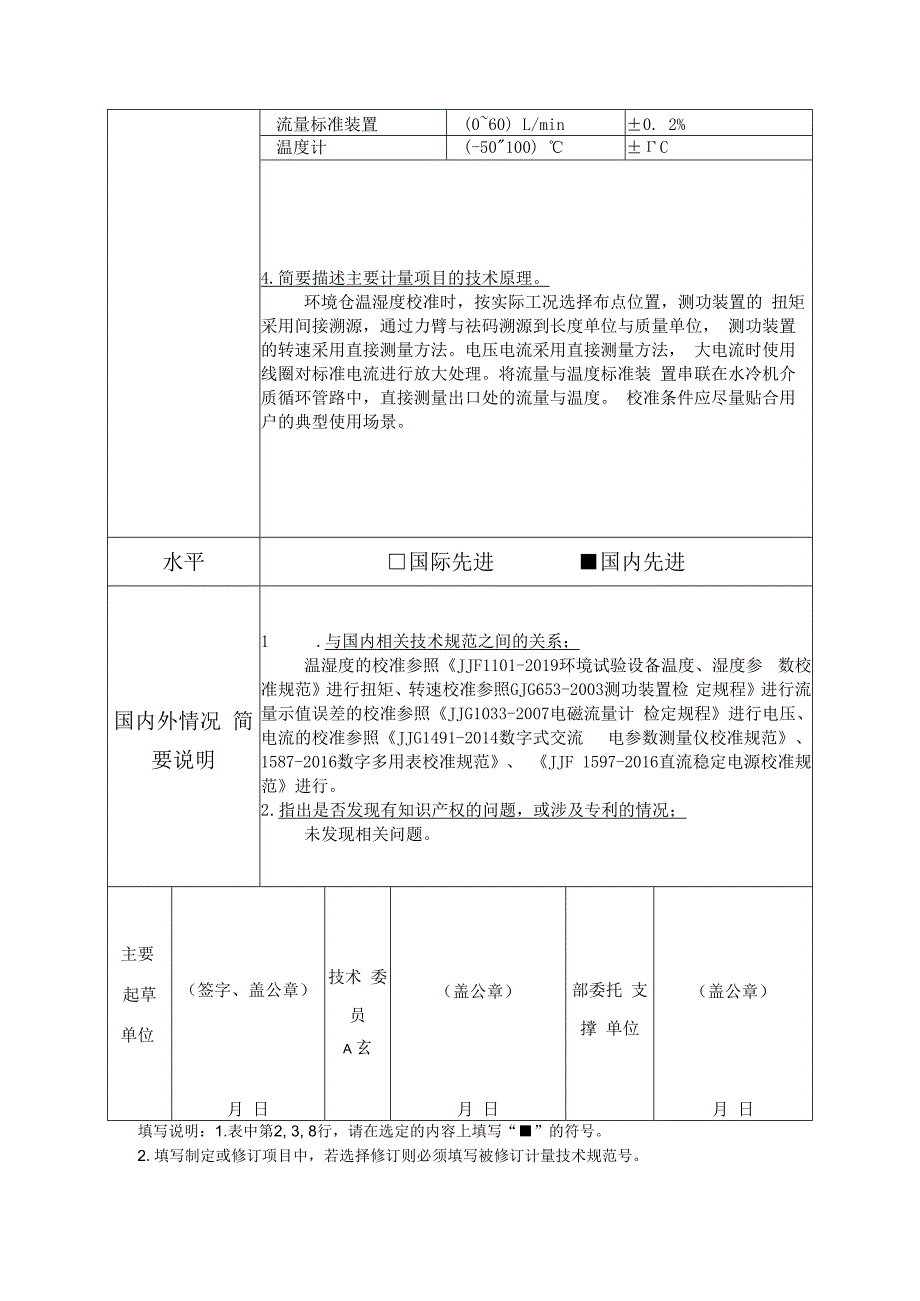
5、源驱动电机控制器测试系统的校准。2.以典型仪器或实验设备(注明仪器型号)为依据,提出计量特性 的技术指标,包括其名称、测量范围和最大允许误差;依据本公司用于新能源驱动电机控制器测试的,编号为NJ. 18. 04. 4034的高速三轴测试系统提出如卜指标技术指标名称测量范围最大允许误差环境温度示值误差(-40150) C环境湿度示值误差(2090) %RH5%RH测功装置扭矩(-50005000) N0. 5%FS测功装置转速(-2000020000 ) rpm2rpm交直流电压(01000) V0. 5%FS交直流电流(01000) A0. 5%FS流量示值误差(060) L/min1%流量重

6、复性(HO) %0. 5%温度示值误差(-50100) 1温度波动度(-5(HoO) 2流量标准装置(060) L/min0. 2%温度计(-50100) C4.简要描述主要计量项目的技术原理。环境仓温湿度校准时,按实际工况选择布点位置,测功装置的 扭矩采用间接溯源,通过力臂与祛码溯源到长度单位与质量单位, 测功装置的转速采用直接测量方法。电压电流采用直接测量方法, 大电流时使用线圈对标准电流进行放大处理。将流量与温度标准装 置串联在水冷机介质循环管路中,直接测量出口处的流量与温度。 校准条件应尽量贴合用户的典型使用场景。水平国际先进国内先进国内外情况 简要说明1 .与国内相关技术规范之间的关

7、系;温湿度的校准参照JJF1101-2019环境试验设备温度、湿度参 数校准规范进行扭矩、转速校准参照GJG653-2003测功装置检 定规程进行流量示值误差的校准参照JJG1033-2007电磁流量计 检定规程进行电压、电流的校准参照JJG1491-2014数字式交流 电参数测量仪校准规范、1587-2016数字多用表校准规范、 JJF 1597-2016直流稳定电源校准规范进行。2 .指出是否发现有知识产权的问题,或涉及专利的情况;未发现相关问题。主要起草单位(签字、盖公章)月 日技术 委员A 玄(盖公章)月 日部委托 支撑 单位(盖公章)月 日填写说明:1.表中第2, 3, 8行,请在选定的内容上填写“”的符号。2.填写制定或修订项目中,若选择修订则必须填写被修订计量技术规范号。

展开阅读全文
相关资源
猜你喜欢
相关搜索

当前位置:首页 > 行业资料 > 国内外标准规范

copyright@ 2008-2023 1wenmi网站版权所有

经营许可证编号:宁ICP备2022001189号-1

本站为文档C2C交易模式,即用户上传的文档直接被用户下载,本站只是中间服务平台,本站所有文档下载所得的收益归上传人(含作者)所有。第壹文秘仅提供信息存储空间,仅对用户上传内容的表现方式做保护处理,对上载内容本身不做任何修改或编辑。若文档所含内容侵犯了您的版权或隐私,请立即通知第壹文秘网,我们立即给予删除!