垭口村等(2)个村土地整理项目 --田间道路设计说明.docx

上传人:p** 文档编号:556217 上传时间:2023-11-01 格式:DOCX 页数:21 大小:130.58KB
下载 相关 举报
垭口村等(2)个村土地整理项目 --田间道路设计说明.docx_第1页
第1页 / 共21页
垭口村等(2)个村土地整理项目 --田间道路设计说明.docx_第2页
第2页 / 共21页
垭口村等(2)个村土地整理项目 --田间道路设计说明.docx_第3页
第3页 / 共21页
垭口村等(2)个村土地整理项目 --田间道路设计说明.docx_第4页
第4页 / 共21页
垭口村等(2)个村土地整理项目 --田间道路设计说明.docx_第5页
第5页 / 共21页
垭口村等(2)个村土地整理项目 --田间道路设计说明.docx_第6页
第6页 / 共21页
垭口村等(2)个村土地整理项目 --田间道路设计说明.docx_第7页
第7页 / 共21页
垭口村等(2)个村土地整理项目 --田间道路设计说明.docx_第8页
第8页 / 共21页
垭口村等(2)个村土地整理项目 --田间道路设计说明.docx_第9页
第9页 / 共21页
垭口村等(2)个村土地整理项目 --田间道路设计说明.docx_第10页
第10页 / 共21页
亲,该文档总共21页,到这儿已超出免费预览范围,如果喜欢就下载吧!
资源描述

《垭口村等(2)个村土地整理项目 --田间道路设计说明.docx》由会员分享,可在线阅读,更多相关《垭口村等(2)个村土地整理项目 --田间道路设计说明.docx(21页珍藏版)》请在第壹文秘上搜索。

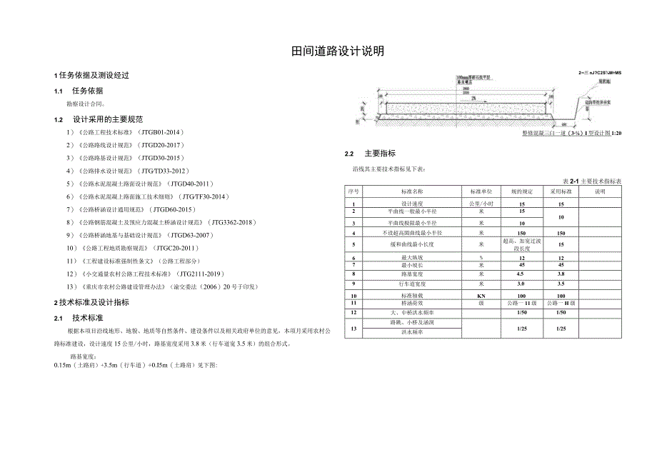
1、田间道路设计说明1任务依据及测设经过1.1 任务依据勘察设计合同。1.2 设计采用的主要规范1)公路工程技术标准(JTGB01-2014)2)公路路线设计规范(JTGD20-2017)3)公路路基设计规范(JTGD30-2015)4)公路排水设计规范(JTGTD33-2012)5)公路水泥混凝土路面设计规范(JTGD40-2011)6)公路水泥混凝上路面施工技术细则(JTGTF30-2014)7)公路桥涵设计通用规范(JTGD60-2015)8)公路钢筋混凝土及预应力混凝土桥涵设计规范(JTG3362-2018)9)公路桥涵地基与基础设计规范(JTGD63-2007)10)公路工程地质勘察规范

2、(JTGC20-2011)11)工程建设标准强制性条文(公路工程部分)12)小交通量农村公路工程技术标准(JTG2111-2019)13)重庆市农村公路建设管理办法(渝交委法(2006)20号于印发)2技术标准及设计指标2.1 技术标准根据本项目沿线地形、地貌、地质等自然条件、建设条件以及相关政府单位的意见,本项月采用农村公路标准建设,设计速度15公里/小时,路基宽度采用3.8米(行车道宽3.5米)的组合形式。路基宽度:2三nJ?C2SMMS整修混凝三臼一道(3)I型设计图1:202.2 主要指标沿线其主要技术指标见下表:表2-1主要技术指标表序号标准名称标准单位规的规定采用标准说明1设计速度

3、公里/小时15152平曲线一般最小半径米15103平曲线极限最小半径米104不设超高圆曲线最小半径米1501505缓和曲线最小长度米超高、加宽过波段长度156最大纵坡%12127最小坡长米45458路基宽度米4.53.89行车道宽度米3.03.510标准轴载KN10010011桥涵荷效级公路一11级公路一H级12大、中桥洪水频率1/501/5013路跳、小桥及涵洞1/251/25洪水频率0.15m(土路肩)+3.5m(行车道)+0.I5m(土路肩)见下图:要采用基本型,按宜线一圆曲线一直线或直线一圆曲线一直线的顺序组。受项目区域地形条件限制,平面线形指标较低。3.2.3路线纵断面布设路线纵断面

4、设计,首先根据既有老路纵断面,结合地形、地质、地物、桥涵、平交、管线、路基土石方平衡、路基稳定等诸因素,合理采用坡率、坡长综合设计,力求指标均衡,力求凸凹曲线设置合理,视觉顺适。路线纵断面设计不仅兼顾老路纵断面线形,同时考虑避免大填大挖,节约工程造价,尽可能做到挖填平衡,减少废弃方,减少对环境的破坏。纵断面设计时,严格按照规范规定的各项技术指标控制设计,设计控制指标情况如下:最大纵坡12%,最小纵坡3.2%,最短坡长45m,最小凸形竖曲线半径200m,最小凹形竖曲线半径300m14沿线地形、地质、气候、水文等自然特征及与公路建设的关系4.1 地形地貌项目区位于安富街道东北部,区内地貌类型以中低

5、山山城缓坡区为主,整体海拔北部高、南部低。由北向南逐级递降,海拔介于278.21米至587.30米之间,最高点位于城口村五社刘家院子,海拔为587.30米:最低点位于通安村十四社田间道上,海拔为278.21米。4.2 气候项目区所处地带属中亚热带湿润季风气候区,气候温和、热量充沛、四季分明,春季回暖早,夏季气温高多伏旱,秋涝,秋季气温下降快,常有连阴雨,冬季暖和无霜期长。年平均气温17.7C,最冷月(一月)平均气温7*C,极低温为-3.8C,年平均日照时数为1282小时,平均移定通过12C的积温5433C:项目区总体光热水条件好,年均温度在17T8C,大于10,C的有效积温5126C,项目区无

6、霜期长,年平均霜期仅5.5天。年均降雨量为1111.3亳米,但是四季降雨不均,其中6-9月达到713.2mm,且多以暴雨形式出现。合理安排气候资源,有利于作物繁育生长。区内气候适宜全年施工。4.3 河流水系路线经过区域地表水山间溪沟和冲沟径流路径短,其流量有限,呈树枝状向马路河径流排泄。由于受地形地貌、地质构造的影响,线路走廊区发育的溪沟般为“v”型沟谷,沟底坡降相对较小,地形坡度一般为515,大部分地段无明显的地表径流以梯田形式由上向下梯3.1 工程概述表3-1主要工程数量表序号工程项目单位施工图数量1路线长度公里3.0352路基土石方挖方千立方米18.773填方8.7503路基排水(土边沟

7、挖方)千立方米0.4194路面千平方米10.2275涵洞道Ij6用工防护千立方米1.07新增占地亩35.38平面交叉处5其中:新建涵洞11道,原涵利用1道。3.2 路线布设3.2.1 路线布设的原则本项目沿线地形、地质豆杂,经仔细研究,并结合业主的要求,在施工图设计路线测量阶段,我们确定了如下设计原则:1)在路线布设时,尽量与原路线型相吻合,为土地利用预留足够空间。2)坚持“以人为本”的原则,避让房屋,降低公路对沿线居民的影响。3)坚持可持续发展观,树立节约资源的理念,利用老路,减少新征土地。4)坚持系统论思想,树立全寿命周期成本理念。在工程量增加不大的前提下,尽量采用较高的平、纵面指标。5)

8、坚持质量第一,树立让公众满意的理念。总之路线布设时“坚持以人为本,树立全面、协调、可持续发展观”,通过灵活设计和创作设计,实现“安全”、“环境优美”、“节约资源”、“质量优良”、“系统最优”的设计目标。3.2.2 路线平面布设根据项目建设要求,本路段设计车速V=15Kmh0路线设计按交通部部颁公路工程技术标准(JTGBO1-2014)、部颁公路路线设计规范(JTGD20-2017)、中华人民共和国工程建设标准强制性条文(公路工程部分)及相关地方条文的规定执行,结合地形、地质、工程量、拆迁赔偿、环境保护等具体问题进行路线平、纵面布设。本路段平面线形要素的组合主路面加宽:单车道路面采用第1类半加宽

9、值加宽。加宽过渡方式应在相应的缓和曲线全长范围内或紧接圆曲线起点或终点的直线段内进行,按其长度成比例增加的方式。当平曲线半径小于或等于250米时,在行车道内侧设置加宽:局部受限路段,为避免拆迁,根据业主要求考虑不加宽。7路基设计、施工工艺、参数、材料要求等说明7.1路基设计洪水频率路基设计洪水频率为1/25。沿河及受水浸淹的路基边缘高程,应高出设计洪水频率的计算水位加壅水高、波浪侵袭高以及0.5m的安全高度之和。7.2路基设计标高路基设计标高采用未超高加宽前的路中线标高。7.3一般填方路基设计填方路堤基底视地形、土质、地下水位、填方边坡高度等不同进行相应处理。一般填方路段应进行清表处理,清除表

10、土厚度按0.30.5m计(应集中堆放,用于绿化或还耕),压实度不小于85%,夯实厚度以IOCm计:如原地面潮湿,采取工程措施,保证压实度:为保证路基边缘部分的压实度,路堤两侧填筑宽各增加50Cm进行填筑,碾压完毕后进行削坡处理。路堤填方路基压实标准采用重型压实标准,填料应逐层摊铺,分层最大松铺厚度:土方路堤小于30cm、填石路堤上路堤小于40cm,下路堤小于60cm。台背及挡墙后的填料应有良好的水稳性和压实性,一般采用碎石土。挡墙基底、涵洞基底换填和涵洞基底回填压实度耍求达到90-95%当地面横坡或沿路线纵向坡度陡于1:5时,填筑前应将原地面挖成宽度不小于2m、向内倾斜2蜴的台阶:当地面横坡陡

11、于1:2.5时,对路堤进行整体性滑移的稳定性验算,视需要采取适当的处理措施。地基表层为松散土(旱地等),厚度不超过30Cln时,可清除杂草后碾压至90S压实度:当松散层厚度大于30cm,应将其翻开,分层压实至90%压实度。水田、堰塘地段,应视具体情况采用排水清淤或晾晒压实。若水塘还保留一部分,则按浸水路堤的要求修筑。填上高度小于路基工作区深度的路基视为低填路基,设计按照低填路基处理。级排泄。5安全设施安全设施说明见相关章节6路基设计原则、路基横断面布置及加宽、超高方案的说明6.1 路基设计原则1)路基设计以安全、稳定为原则,兼顾环境保护和水土保持,充分体现安全、环保、协调、舒适的设计理念。2)

12、路基设计应根据项目区的特点,采取因地制宜、就地取材的原则,充分考虑机械化施工方法,应用新技术、新结构、新材料、新工艺简化施工环节,缩短工期,节省工程造价。3)路基横断面形式和几何形态应与项目区地形、地物、地貌等相适应,与周边人文、自然景观相协调。4)路基设计应根据公路所在地区的自然因素与地质条件,设计完善的排水设施和防护工程,采取经济合理的病害防治措施。5)边坡坡率应根据路基填土高度、填料类型、岩土性状、岩层产状、破碎及松散程度等确定。对于高填土路堤、陡坡路堤、深挖方路堑、顺层边坡等应进行稳定性验算,选择经济合理的治理方案。6)将动态设计理念贯穿于整个工程建设过程中,根据实际情况,及时调整和优

13、化设计方案,以保证设计方案的合理性和可行性,保障工程建设顺利实施。6.2 路基横断面布置1) 一般路段路基横断面:0.15m(土路肩)+3.5m(车行道)+0.15m(土路肩)=3.8n6. 3路基超高平曲线半径小于15Om时均设置超高,超高过渡段应设在紧接圆曲线起点或终点的直线或缓和曲线上。受地形条件或其他特殊情况限制时,可将超高过渡段的一部分插入曲线,但插入曲线内的长度不得超过超高过渡段长度的半。超高渐变率采用1/100,超高旋转轴为路基中线。为利于路面排水,行车道单向横坡采用2%o超高旋转方式:先将外侧车道绕路中线旋转,待达到与内侧车道构成单向横坡后,整个断面再分别绕路中线旋转,直至超高

14、横坡值。6.4路基加宽c、地基表层应碾压密实,在般土质地段,一二级公路基底压实度不小于90%,三四级公路压实度不小于85%。当路基高度小于路面与路床总厚度时,清表后,地面高程仍然位于路床部分,应进行超挖井分层填筑压实,其处理深度不低于路ifif和路床的总厚度。7.6陡坡路堤及填挖交界处理7 .6.1陡坡路堤陡坡路堤应从填方坡脚起向上设置向内倾斜的台阶,台阶宽度不小于2.0m,当陡坡路堤稳定性较好时,采取土工格栅、开挖台阶等措施处治:当路堤不稳定或其坡脚为软弱土基时,应采取反压、插板、换填、碎石桩、挡土墙、抗滑桩板墙等措施强化处理。8 .6.2纵、横向填挖交界半填半挖应从填方坡脚起向上设置向内倾斜的台阶,台阶宽度不小于2.Onu应优先采用渗水性好的材料填筑,对挖方区路床08m范围内进行超挖回填碾压,并在填挖交界处路床范围内铺设三层土工格栅。对于原地面松散风化层,应先消除再按设计开凿台阶。路基纵向填挖交界处,路床范围挖方段土工合成材料铺设长度不宜小于8m,填方段上工合成材料长度要覆盖过渡区(23m),延伸至一般填方区的长度不宜小于5m。岩石路段的路基填挖交界处,宜采用高强格栅,且应采用级配较好的砾类土、砂类上或砂岩片碎屑填筑。当路基范围内有地下水时,为避免地下水渗入填方区软化路堤,填挖交界处应酌情设置排水盲沟,并于适当位置引出。土工格栅采用双向型,极限抗拉强度250KNm,2研巾长率

展开阅读全文
相关资源
猜你喜欢
相关搜索

当前位置:首页 > 建筑/环境 > 设计及方案

copyright@ 2008-2023 1wenmi网站版权所有

经营许可证编号:宁ICP备2022001189号-1

本站为文档C2C交易模式,即用户上传的文档直接被用户下载,本站只是中间服务平台,本站所有文档下载所得的收益归上传人(含作者)所有。第壹文秘仅提供信息存储空间,仅对用户上传内容的表现方式做保护处理,对上载内容本身不做任何修改或编辑。若文档所含内容侵犯了您的版权或隐私,请立即通知第壹文秘网,我们立即给予删除!