人防防护防化设备检查表(北京市人防工程).docx

上传人:p** 文档编号:627793 上传时间:2023-12-14 格式:DOCX 页数:2 大小:19.56KB
下载 相关 举报
人防防护防化设备检查表(北京市人防工程).docx_第1页
第1页 / 共2页
人防防护防化设备检查表(北京市人防工程).docx_第2页
第2页 / 共2页
亲,该文档总共2页,全部预览完了,如果喜欢就下载吧!
资源描述

《人防防护防化设备检查表(北京市人防工程).docx》由会员分享,可在线阅读,更多相关《人防防护防化设备检查表(北京市人防工程).docx(2页珍藏版)》请在第壹文秘上搜索。

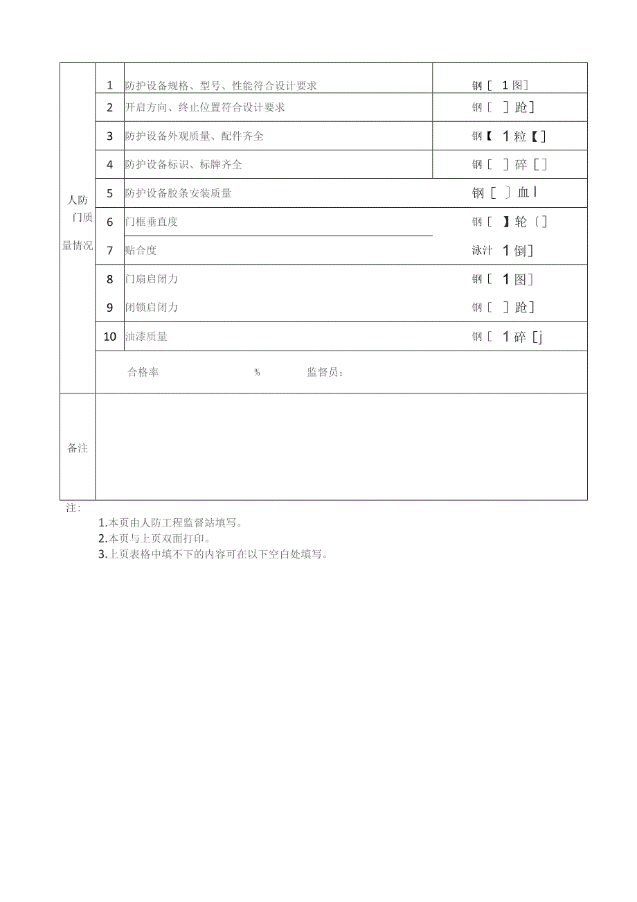
人防防护防化设备检查表工程名称监督编号通风分包人防门生产厂家混凝土构件数量钢制构件数量人防门人防门安装单位悬板活门悬板活门挡窗板过滤吸收器生产厂家供货单位RFP旧300型台500型台1000型台合格证号:手动密闭阀双单生产厂家供货单位数辅DN200台DN300台DN400台DN500台DN600台DN800台DNlOOO台产品编号:自动排气活门生产厂家数量YF150一一台YF200,_超压排气活门生产厂家数量PS-D250台防爆超压排气活门生产厂家数量FCH150台FCH200台FCH250台FCH300台填表人年月日注:1.本页由施工单位填写。2.过滤吸收器、手动密闭阀应把每台设备的批号填写在表中相应位置。3.如安装LX,77-2型过滤吸收器或单连杆手动密闭的工程需在备注中填写合同备案编号。1防护设备规格、型号、性能符合设计要求钢1图2开启方向、终止位置符合设计要求钢跄3防护设备外观质量、配件齐全钢【1粒【人防4防护设备标识、标牌齐全钢碎5防护设备胶条安装质量钢血I门质6门框垂直度钢】轮量情况7贴合度泳汁1倒8门扇启闭力钢1图9闭锁启闭力钢跄10油漆质量钢1碎j合格率%监督员:备注注:1.本页由人防工程监督站填写。2.本页与上页双面打印。3.上页表格中填不下的内容可在以下空白处填写。

展开阅读全文
相关资源
猜你喜欢
相关搜索

当前位置:首页 > 建筑/环境 > 人防工程

copyright@ 2008-2023 1wenmi网站版权所有

经营许可证编号:宁ICP备2022001189号-1

本站为文档C2C交易模式,即用户上传的文档直接被用户下载,本站只是中间服务平台,本站所有文档下载所得的收益归上传人(含作者)所有。第壹文秘仅提供信息存储空间,仅对用户上传内容的表现方式做保护处理,对上载内容本身不做任何修改或编辑。若文档所含内容侵犯了您的版权或隐私,请立即通知第壹文秘网,我们立即给予删除!