工字钢简支梁静力荷载试验张婧银.docx

上传人:p** 文档编号:766830 上传时间:2024-02-26 格式:DOCX 页数:8 大小:80.53KB
下载 相关 举报
工字钢简支梁静力荷载试验张婧银.docx_第1页
第1页 / 共8页
工字钢简支梁静力荷载试验张婧银.docx_第2页
第2页 / 共8页
工字钢简支梁静力荷载试验张婧银.docx_第3页
第3页 / 共8页
工字钢简支梁静力荷载试验张婧银.docx_第4页
第4页 / 共8页
工字钢简支梁静力荷载试验张婧银.docx_第5页
第5页 / 共8页
工字钢简支梁静力荷载试验张婧银.docx_第6页
第6页 / 共8页
工字钢简支梁静力荷载试验张婧银.docx_第7页
第7页 / 共8页
工字钢简支梁静力荷载试验张婧银.docx_第8页
第8页 / 共8页
亲,该文档总共8页,全部预览完了,如果喜欢就下载吧!
资源描述

《工字钢简支梁静力荷载试验张婧银.docx》由会员分享,可在线阅读,更多相关《工字钢简支梁静力荷载试验张婧银.docx(8页珍藏版)》请在第壹文秘上搜索。

1、工字钢简支梁静力荷载试验学院专业年级姓名学号指导老师一、试验目的1.掌握工字钢简支梁构件的静荷载试验的设计方法和计算原理;2 .学会结构试验组织计划的设计方法和步骤;3 .掌握简支梁试件的安装就位技术;4 .巩固百分表,应变片,裂缝综合测试仪的实验原理和操作方法;5 .研究工字钢简支梁的力学性能,以及各受力阶段应变(应力)分布和变形特征;6 .对实验数据的总结和分析,并对结构性能进行评定。二、试验原理和方法1.百分表(1)原理:测杆上下运动时,侧杆上的齿条就带动齿轮,使指针按一定比例关系转动,从而表示出侧杆相对于表壳的唯一值。(2)使用方法:使用时,将位移计安装在磁性表架上,用表架横杆上的颈箍

2、夹夹住位移计的颈轴,并将测杆顶住测点,使测杆与测面保持垂直。表架的表座应放置在一个不动点上,打开表座上的磁性开关以固定表座。7 .电阻应变片(1)原理:电阻丝具有应变效应,当构件受力变形时,金属丝的长度和横截面积也随着构件一起变化,进而发生电阻变化。并通过电阻应变仪把试件的应变信号转换成电阻的变化,再经转化求得试件的应变。(2)使用方法:将应变片牢固粘贴于试件上,再用导线将应变片与无线电阻应变仪焊接,将无线通讯控制器和电脑连接,在实验开始后通过无线接收和信号转换在电脑上直接观测。三、仪表设备1 .电阻应变片一技术指标:电阻:120。灵敏度系数:2.082 .静态应变测试仪:配置导线,十字螺丝刀

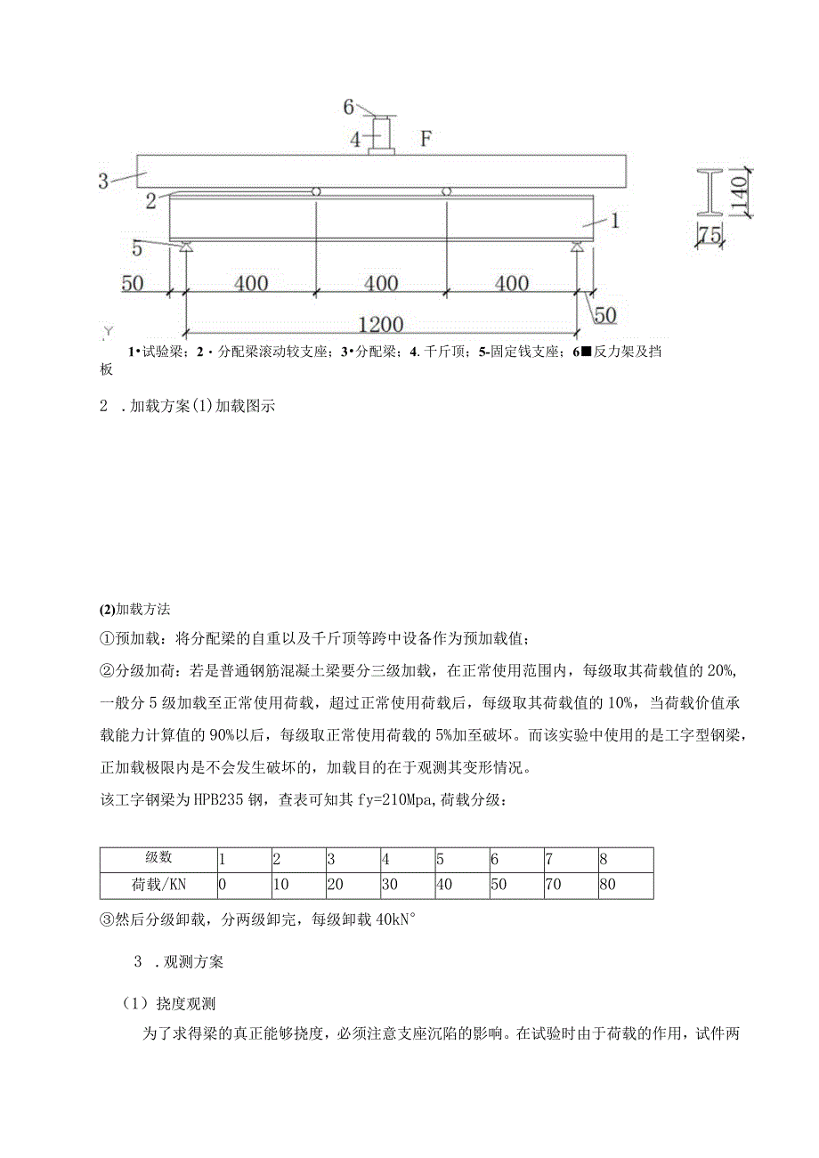
3、,电烙铁;3 .百分表一技术指标:刻度值:0.01mm最大量程:10mm测量精度:0.01mm;4 .工字型钢梁,分配梁(钢梁),反力架(带挡板);5 .液压千斤顶(加载极限为100kN)四、试验方案设计1 .试验试件(实测尺寸)1试验梁;2分配梁滚动较支座;3分配梁;4.千斤顶;5-固定钱支座;6反力架及挡板2 .加载方案(1)加载图示(2)加载方法预加载:将分配梁的自重以及千斤顶等跨中设备作为预加载值;分级加荷:若是普通钢筋混凝土梁要分三级加载,在正常使用范围内,每级取其荷载值的20%,一般分5级加载至正常使用荷载,超过正常使用荷载后,每级取其荷载值的10%,当荷载价值承载能力计算值的90

4、%以后,每级取正常使用荷载的5%加至破坏。而该实验中使用的是工字型钢梁,正加载极限内是不会发生破坏的,加载目的在于观测其变形情况。该工字钢梁为HPB235钢,查表可知其fy=210Mpa,荷载分级:级数12345678荷载/KN010203040507080然后分级卸载,分两级卸完,每级卸载40kN3 .观测方案(1)挠度观测为了求得梁的真正能够挠度,必须注意支座沉陷的影响。在试验时由于荷载的作用,试件两个端点处支座常常会有沉陷,以致使试件产生刚性位移,因此,如果跨中的挠度是相对地面进行测量的话,则同时还必须测定梁两端支承面相对同一地面的沉降值,所以最少要布置三个测点。测点布置在梁两端支座处和

5、跨中位置,正位安置百分表,跨中处安放在腹板边缘,即下翼缘板的上表面,以变影响应变片的粘贴。(2)应变测量设计进行受弯构件试验时要测量由于弯曲产生的应变,在梁承受正负弯矩最大的截面或弯矩有突变的截面上布置测点。如果只要求测量弯矩引起的最大应力,则只在该截面上下边缘纤维处布置测点,为了减少误差,上下纤维上的仪表均应设在梁截面的对称位置上或在对称轴的两侧各设一个仪表,以求取它们的平均应变。该实验中,五个应变片皆粘贴在跨中,上翼缘板和下翼缘板各两片,腹板上粘贴一片。翼缘板上的应变片离梁边缘20mm,腹板上的应变片要贴在其正中。如图:翼缘处应变片布置腹板处应变片布置4 .注意事项(1)反力架上要有挡板以

6、作为保护措施;(2)应变片的粘贴要符合要求;(3)百分表要能正常工作;(4)导线连接是要正确,不可出现短路;(5)焊接和加载过程要注意安全。五、试验步骤(I)安装试件,试件在压力机上就位,要求试件垂直、稳定、荷载着力点的位置正确、接触良好,并要做到试件为偏心受力而对试验机本身是中心受力,以保护试验机,并标好测点位置,用砂纸打磨,保证表面的清洁;(2)安装仪器仪表,在跨中下翼缘板上表面和两支座处安放百分表支架和百分表,在跨中的上下翼缘板和腹板上粘贴应变片,并焊接线路,联线调试;(3)做好调试和检查工作确保线路的通路后,进行预加载,观察所有仪器是否能正常工作;(4)按加载方案和观测方案进行正式试验

7、加载和观察并记录实验数据和实验现象;(5)处理实验数据,分析实验结果,对实验的工作情况作出评价。六、试验结果整理和分析本实验中所用工字钢为HPB235,14号钢,其相关参数为h=140mm,b=80mm,d=5.5mm,t=9.lmm,r=7.5mm,r=3.8mm,截面尺寸二21.516c/,=712w4,v=102c,E=2.llNmm21.计算各级荷载作用下的理论挠值f=FI?/243EI2 .计算各级荷载作用下的理论应变值=Fl/3WxE(T=Pll3vv,=(71E)级数12345678荷载/KN010203040507080理论挠度mm00.04760.09510.14270.19

8、020.23780.33290.3805理论应变以0187373560747934130714943 .分析计算值与实测值得符合程度,分析差异原因测挠度时支座下沉,应进行修正:fx=(x)=(x)+(-2)x/1应变修正七、实际实验过程(根据实际实验条件对原设计方案进行了调整)1 .加载方案加载一次,分三级加载,分别加载至5kN、7.5kNIOkN卸载时,一次卸载2 .观测方案应变片的布置采用1/4桥电路;在工字梁跨中布置两个应变片,上翼缘板表面和跨中腹板处。3 .实验步骤(1)在静态应变测试仪上按照要求输入电阻应变片的灵敏度系数,阻值,及其他参数;(2)根据观测方案确定的加载点位置,在距简支

9、梁一端65Omm处划定应变片黏贴位置,打磨工字钢,并粘贴应变片,在另一金属棒上粘贴温度补偿片;(3)等应变片粘结剂风干后,用电烙铁将三电阻应变片的导线与静态应变测试仪器的导线焊接起来;(4)布置支座,支座中心对准刻度尺60Omm处,沿着支座中心线位置,在支座长边的中间位置放置滚动钱支座,使得跨间距为120Onln1;(5)架设简支梁,与滚动支座搭接长度50mm,保证与支座长边方向垂直,固定不动;(6)在距工字钢简支梁两端45Omm处放置分配梁滚动支座,固定滚动支座,安装分配梁,使分配梁与工字梁对称;(7)将百分表架设到预定位置,连接测力计,将电阻应变片导线连接到静态应变测量仪上;(8)安装好挡

10、板,卸载后重新施加一较小的力,打开测力计以及静力测试仪,调试仪器使各数值为零;(9)进行加载,记录数据,处理结果并分析。4.数据处理荷载/KN百分表左mm百分表中un百分表右mm跨中挠度mm理论应变跨中/实测应变跨中/理论值实验值01.523.951.9054.470.742.710.8510.02130.323-83-626.930.492.360.6150.03300.430-123-969.580.231.990.370.04560.1605-179-13301.283.661.7450.095.实验分析(一)数据主要分析(1)实验结果中理论应变和实际应变基本吻合,但是但是挠度偏差甚远;(2)对于挠度测量过程进行反思,读数和操作都严格按规定来进行,但是理论值和实验值确实对不上,分析原因可能是支座是橡胶支座,而梁是钢梁,受力后,胶支座变形较大,而梁变形较小,以至于百分表读数较大;(3)在本实验中操作不够熟稔,对实验仪表认识不够,仪表读数单位理解不透测,应变单位是修,挠度单位是O.OImnb数据处理过程要清楚分辨;(4)腹板应变值分别是-2,-2,-3,在误差范围内。(二)其他可能原因(1)胶水的黏贴时间;(2)在布置试验时,滚动支座位置发生滑动;(3)分配梁不在正中;

展开阅读全文
相关资源
猜你喜欢
相关搜索

当前位置:首页 > 管理/人力资源 > 销售管理

copyright@ 2008-2023 1wenmi网站版权所有

经营许可证编号:宁ICP备2022001189号-1

本站为文档C2C交易模式,即用户上传的文档直接被用户下载,本站只是中间服务平台,本站所有文档下载所得的收益归上传人(含作者)所有。第壹文秘仅提供信息存储空间,仅对用户上传内容的表现方式做保护处理,对上载内容本身不做任何修改或编辑。若文档所含内容侵犯了您的版权或隐私,请立即通知第壹文秘网,我们立即给予删除!