多路led驱动芯片型号大全及SM16704PK详解.docx

上传人:p** 文档编号:774454 上传时间:2024-02-26 格式:DOCX 页数:3 大小:52.25KB
下载 相关 举报
多路led驱动芯片型号大全及SM16704PK详解.docx_第1页
第1页 / 共3页
多路led驱动芯片型号大全及SM16704PK详解.docx_第2页
第2页 / 共3页
多路led驱动芯片型号大全及SM16704PK详解.docx_第3页
第3页 / 共3页
亲,该文档总共3页,全部预览完了,如果喜欢就下载吧!
资源描述

《多路led驱动芯片型号大全及SM16704PK详解.docx》由会员分享,可在线阅读,更多相关《多路led驱动芯片型号大全及SM16704PK详解.docx(3页珍藏版)》请在第壹文秘上搜索。

1、多路Ied驱动芯片型号大全及SM16704PK详解多路LED驱动芯片是一种专门用于驱动多路LED的集成电路。它通常具有多个LED通道,每个通道都可以独立控制,从而实现对多路LED的精确控制。多路LED驱动芯片具有多种优点,例如高效率、高可靠性、低功耗、易于集成等。它们通常采用先进的电路设计和制造工艺,以确保在各种应用场景下都能稳定工作。此外,多路LED驱动芯片还具有多种应用场景,例如LED显示屏、LED照明、LED指示器等。它们可以驱动多路LED,使得显示更加清晰、照明更加均匀、指示更加准确。在选择多路LED驱动芯片时,需要考虑芯片的规格、性能、功耗、价格等因素,以确保选择到最适合自己应用的芯

2、片。PartNumberProtocolChannelsGrayLevelBVOUTIoutCurrentGainFosc_outInitialStatePackageApplicationSM62AP2SID325640V12mA无4KHz关闭S0P8建筑外观/情景照明SM6602AP3SID32S64017mA无4KHz关闭SOPS建筑外加情景照明SM166O3PlSID32S64079mA无IKHZ关闭S0P8建筑外观/情景照明SM16703PSID325630V17mA无IKHZ50%S0P8建筑外出情景照明SM16703PMSID325615V12mA无4KHz关闭SOPS建筑外如情

3、景型明SMl6703THSID325630V8mA无IKHz关闭SOT238建筑外处情景照明SM167O3PBSID32S63017mA无1KH2关闭S0P8建筑外观情景照明SM16703PBHSID325630V17mA无IKHZ关闭S0P8建筑外加情景照明SM16713THSID325626V2540f11A32级IKHz关闭SOT238建筑外观/情景思明SM16803PSID36553626V1.7*60mA1战4KHz关闭SOPa建筑外观/情块Rl明SM16813PSID365536ISV1.7-19mA16侬4KH2关闭S0P8建筑外蜕/怆景照明SM16813PHSID3655363

4、0Vl.T191nA164KHZ美闭S0P8隹筑外&/情景照明SM16823ESID36553626V6O35Of11A询4KHZ关用ES0P8建筑外观/情景照明SM167O4PBSID425630V17mA无IKHz关闭S0P8建筑外观/情景!S明SM167O4PKSID425630V17mA无IKHz关闭SOPS建筑外加情景照明SM16714PSID425615V2.5-MmA32级IKHz关闭S0P8建筑外蜕/情景照明SM16714PHTSID425626V2,-38mA32级1KH2关闭S0P8建筑外观/情景照明SM168O4PBSID46553626V1.7-19mA164KHz关闭

5、S0P8建筑外观/情景照明SM168O4EBSID46SS3626V1.7*60mA164KHz关闭EsOp8装饰照明建筑外加情景照明SM16824ESID46553626V60*3SomA164KHz关闭ESOP8装饰照明、建筑外必情景腾明SM167OSPOSID56553630V无4KHZ关闭ES0P8装饰照明、建筑外加情及照明SM1682SESID56SS3640V10-300mA32S4KHz关闭ES0P8装饰照明、建筑外孙情景照明SM16709PSID6/925630V17mA无IKHZ白光SOP14装饰照明、建筑外如情景照明SM16712PSID1225630V17mA无IKHz白

6、光SOP16装饰照明、建筑外切情景照明SM16712PDSID1225630V恒压无IKHz白光SOP16奘饰照明.建筑外皮/情景照明SM16712TSSID1225626V17mA无1.2KHz亮白光TSSOP16装饰照明、建筑外蜕/情景照明SM16212NSID12655368Vl-18mA3218KH2关闭QFN16IfMJ条屏/透明屏燃明灯具SM16212NHSID126SS368Vl*18mA32级18KHZ关闭QFN16LEDw条屏/透明屏明灯其SM16212EHSID126SS368Vl-18mA32级18KHZ关闭ETSSOP16LEDff条屏/透明屏/Ml明灯具其中SMl67

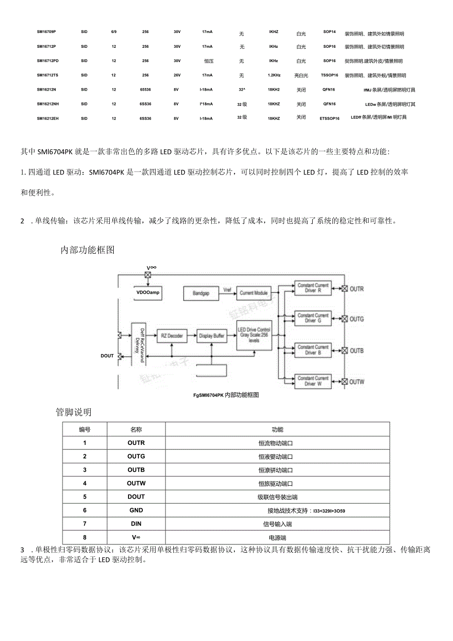
7、04PK就是一款非常出色的多路LED驱动芯片,具有许多优点。以下是该芯片的一些主要特点和功能:1.四通道LED驱动:SMl6704PK是一款四通道LED驱动控制芯片,可以同时控制四个LED灯,提高了LED控制的效率和便利性。2 .单线传输:该芯片采用单线传输,减少了线路的更杂性,降低了成本,同时也提高了系统的稳定性和可靠性。内部功能框图vDOUTVDOOampDeff ReCeVarand DekvwyFgSMI6704PK内部功能框图管脚说明编号名称功能1OUTR恒流物动端口2OUTG恒液嬖动端口3OUTB恒潦骈幼端口4OUTW恒旅驱动端口5DOUT级联信号装出端6GND接地战技术支持:I3

8、33O597DIN信号输入端8V电源端3 .单极性归零码数据协议:该芯片采用单极性归零码数据协议,这种协议具有数据传输速度快、抗干扰能力强、传输距离远等优点,非常适合于LED驱动控制。4 .内部包含多个模块:SMI6704PK内部包含电源钳位模块、信号解码模块、振荡模块、数据再生模块、输出电流驱动模块等,这些模块协同工作,实现了芯片的多种功能。5 .数据再生模块:该芯片的数据再生模块可以在接受完本芯片的数据后,自动将级联输出的数据整形转发,保证数据串联传输过程中不衰减,提高了数据传输的稳定性和可靠性。6 .无需外接电阻:SMI6704PK无需外接电阻,简化了外围电路的设计,减少了元器件的数量,降低了成本。7 .默认输出电流17mA:该芯片的OUTR/G/B/W端口默认输出电流为17mA,可以满足大多数LED灯的要求,同时也保证了LED灯的亮度和寿命。eSMI6704PKBAZB9XID5G34多路LED驱动芯片SMI6704PK是款功能强大、性能稳定、外围元器件少、简单可靠的LED驱动控制芯片,适用于各种LED灯的驱动控制。

展开阅读全文
相关资源
猜你喜欢
相关搜索

当前位置:首页 > 高等教育 > 工学

copyright@ 2008-2023 1wenmi网站版权所有

经营许可证编号:宁ICP备2022001189号-1

本站为文档C2C交易模式,即用户上传的文档直接被用户下载,本站只是中间服务平台,本站所有文档下载所得的收益归上传人(含作者)所有。第壹文秘仅提供信息存储空间,仅对用户上传内容的表现方式做保护处理,对上载内容本身不做任何修改或编辑。若文档所含内容侵犯了您的版权或隐私,请立即通知第壹文秘网,我们立即给予删除!