02-中频伺服焊钳原理.docx

上传人:p** 文档编号:1044883 上传时间:2024-06-18 格式:DOCX 页数:6 大小:56.80KB
下载 相关 举报
02-中频伺服焊钳原理.docx_第1页
第1页 / 共6页
02-中频伺服焊钳原理.docx_第2页
第2页 / 共6页
02-中频伺服焊钳原理.docx_第3页
第3页 / 共6页
02-中频伺服焊钳原理.docx_第4页
第4页 / 共6页
02-中频伺服焊钳原理.docx_第5页
第5页 / 共6页
02-中频伺服焊钳原理.docx_第6页
第6页 / 共6页
亲,该文档总共6页,全部预览完了,如果喜欢就下载吧!
资源描述

《02-中频伺服焊钳原理.docx》由会员分享,可在线阅读,更多相关《02-中频伺服焊钳原理.docx(6页珍藏版)》请在第壹文秘上搜索。

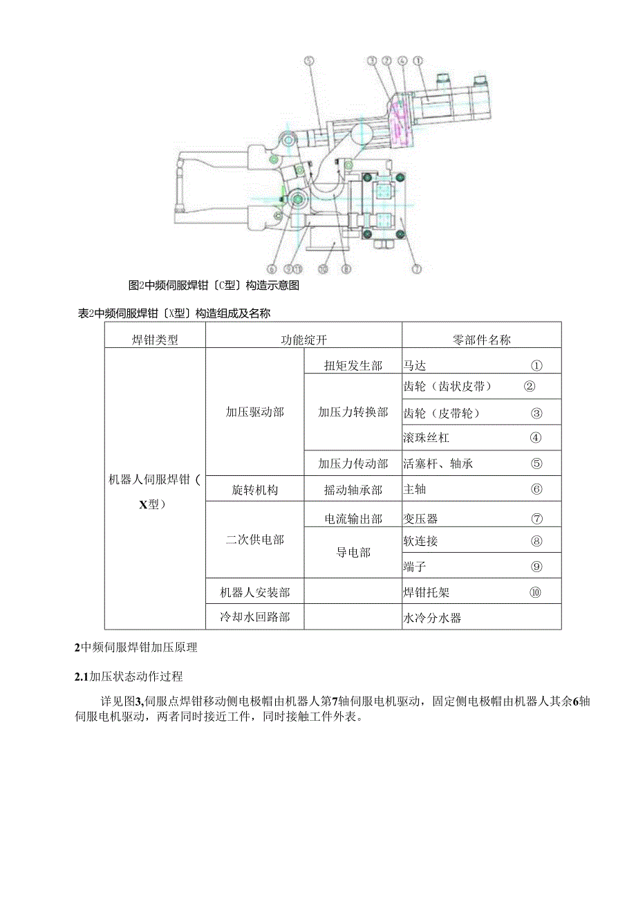
1、中频伺服焊钳构造&原理1伺服机器人焊钳构造1.1C型伺服点焊钳构造C型伺服焊钳构造如图1和表1所示。图1中频伺服焊钳C型构造示意图表1中频伺服焊钳C型构造组成及名称焊钳类型功能绽开零部件名称中频伺服焊钳(C型)加压驱动部扭矩发生部马达加压力转换部齿轮(齿状皮带)齿轮(皮带轮)滚珠丝杠加压力传动部活塞杆、轴承前侧自动轴承后侧自动轴承二次供电部电流输出部变压器导电部软连接端子机器人安装部焊钳托架冷却水回路部水冷分水器1. 2X型伺服点焊钳构造X型伺服焊钳构造如图2和表2所示。图2中频伺服焊钳C型构造示意图表2中频伺服焊钳X型构造组成及名称焊钳类型功能绽开零部件名称机器人伺服焊钳(X型)加压驱动部扭

2、矩发生部马达加压力转换部齿轮(齿状皮带)齿轮(皮带轮)滚珠丝杠加压力传动部活塞杆、轴承旋转机构摇动轴承部主轴二次供电部电流输出部变压器导电部软连接端子机器人安装部焊钳托架冷却水回路部水冷分水器2中频伺服焊钳加压原理2.1加压状态动作过程详见图3,伺服点焊钳移动侧电极帽由机器人第7轴伺服电机驱动,固定侧电极帽由机器人其余6轴伺服电机驱动,两者同时接近工件,同时接触工件外表。口口翻开状态移动侧和固定侧电极同时接近工件移动侧和固定侧电极同时接触工件图3中频伺服焊钳双侧电极同时接触工件的加压过程2. 2翻开状态动作过程详见图4,伺服点焊钳移动侧电极帽由机器人第7轴伺服电机驱动,固定侧电极帽由机器人其余

3、6轴伺服电机驱动,两者同时远离工件。口口翻开状态移动侧和固定侧电极同时远离工件加压状态图4中频伺服焊钳焊接完成翻开过程伺服点焊钳移动侧电极帽由机器人第7轴伺服电机驱动,固定侧电极帽由机器人其余6轴伺服电机驱动,两者都由限制器精确限制,能够实现同时运动,同时接近工件,同时接触工件外表。这就是机器人伺动点焊钳优越性能的来源。伺服点焊钳可以进展全方向的平衡处理,伺服点焊钳的平衡动作由机器人主体轴进展限制(6轴),因此不须要向气动点焊钳那样须要弹簧等平衡装置。2. 3电极修磨焊钳电极外表简单氧化形成氧化膜,并且在运用中也会随着打点次数增加而有所损耗,影响焊接质量,所以须要对电极进展修磨以防止产生不合格

4、焊点。自动线电极修磨方式一般分为整线修磨和计点修磨两种,并且在修磨后由于电极截面增大,须要焊接限制器逐级增大焊接电流以保证焊接质量。整线修磨:整线的机器人完成肯定量的台车数量后,完毕循环,统一进展修磨;计点修模:由焊接限制器计打点数,当步增电流到达最终一步,且本次递增后的焊接点数也已经完成,在机器人完成当前循环之后,进展单台机器人焊钳的修磨,待修磨完成后,焊接限制器打点数量及步增电流复位。电极修磨后的磨损量:在焊钳修模后,须要通过焊钳空打以及焊钳打板两个步骤让机器人自己计算出两侧电极的磨损量。空打可以知晓固定电极与移动电极的共同修磨量,打板那么可以知道移动侧电极的修模量,并计算固定侧的修磨量。

5、3伺服点焊钳相对于气动点焊钳优点2.1 能大幅缩短工作周期时间能使电极行程限制在最小限度之内、打点间移动距离为最短。工作周期时间大为削减。可在工作行程范围之内随意设定电极行程(不含电极消耗局部)。2.2 能随意设定电极加压力伺服点焊钳通过限制伺服电机输入电流,从而限制伺服电机输出扭矩,进而限制点焊钳加压力,即可以依据工件的厚度和材质的改变选择最相宜的压力已到达良好的焊接品质。留意加压力是在规定的点焊钳允许加压力范围内随意设定的。2.3 电极与被焊接物接触平缓电极在接触工件前减速,因此可以温柔的接触工件。可以延长电机和电极的寿命,形成很好的焊核;可以防止工件变形;因接触平缓,降低夹具刚性,削减夹

6、具压紧点和压紧力,所以能简化夹具。2.4 点焊可在全方位内打点对于水平面(F1.)而言,点焊的打点作业姿态可在全方位内进展。出电图53. 5噪音小、环境好、省能源因能平缓接触焊接物,所以消退了加压时的冲击音及排气音。与气动点焊钳相比,工作噪音大为减低,噪音水平约为7dB以下;因无排气,使工场内环境得以爱护;无压力损失,空压机奢侈,可节约动力能源达60%以上。3.1 可检测电极的消耗状况能自动检测电极长度,消耗状况。一般通过电极修磨时检测。3.2 可检测电极与工件间的熔焊粘连检测电极的移动量,可检测电极同工件是否熔焊粘连(单面或两面)。3.3 可检测电极的脱落如电极脱落,在下一电极加压动作时可测

7、出。因为电极帽脱落,会引起管道回水流量急剧降低,所以也可以通过冷却循环水流量低来检测。4运用寿命:表3中频伺服焊钳各局部运用寿命分类零件名称特定零件保证寿命(万次)更换的基准次易损件电极柄30-50漏水,打点偏离接头30-50握杆30-50软连接30-1001/4-1/3以上破损断裂各类密封件300-500其它更换零件驱动单元C型TYPE”500驱动单兀内的密封件的更换,请委托我公司承办C型TYPE2500C型TYPE3300X型500电极臂类铝300托架类铁500焊钳主体C型C型TYPEI4,2500但是,当电极臂类使用铝质材料时,适用电极臂的保证寿命。C型TYPE-3300X型.5005技术参数&评价指标焊接变压器:容量(KVA)、重量(kg),频率(Hz),匝数比;焊钳钳体:加压压力(N)、最大短路电流(八)、焊钳整体重量(kg);焊钳驱动单元的构造及组成形式。6备件焊钳包含局部易耗品,出现故障的解决措施根本都是以更换零部件为主。易损件:1、握杆;2、电极接头;3、电极柄;4、电极帽;常用备件:1、软连接;2、伺服电机;3.滚轴丝杠;4.变压器;

展开阅读全文
相关资源
猜你喜欢
相关搜索

当前位置:首页 > IT计算机 > 人工智能

copyright@ 2008-2023 1wenmi网站版权所有

经营许可证编号:宁ICP备2022001189号-1

本站为文档C2C交易模式,即用户上传的文档直接被用户下载,本站只是中间服务平台,本站所有文档下载所得的收益归上传人(含作者)所有。第壹文秘仅提供信息存储空间,仅对用户上传内容的表现方式做保护处理,对上载内容本身不做任何修改或编辑。若文档所含内容侵犯了您的版权或隐私,请立即通知第壹文秘网,我们立即给予删除!