质子治疗实施系统检查内容及要求.docx

上传人:p** 文档编号:195990 上传时间:2023-04-16 格式:DOCX 页数:6 大小:39.64KB
下载 相关 举报
质子治疗实施系统检查内容及要求.docx_第1页
第1页 / 共6页
质子治疗实施系统检查内容及要求.docx_第2页
第2页 / 共6页
质子治疗实施系统检查内容及要求.docx_第3页
第3页 / 共6页
质子治疗实施系统检查内容及要求.docx_第4页
第4页 / 共6页
质子治疗实施系统检查内容及要求.docx_第5页
第5页 / 共6页
质子治疗实施系统检查内容及要求.docx_第6页
第6页 / 共6页
亲,该文档总共6页,全部预览完了,如果喜欢就下载吧!
资源描述

《质子治疗实施系统检查内容及要求.docx》由会员分享,可在线阅读,更多相关《质子治疗实施系统检查内容及要求.docx(6页珍藏版)》请在第壹文秘上搜索。

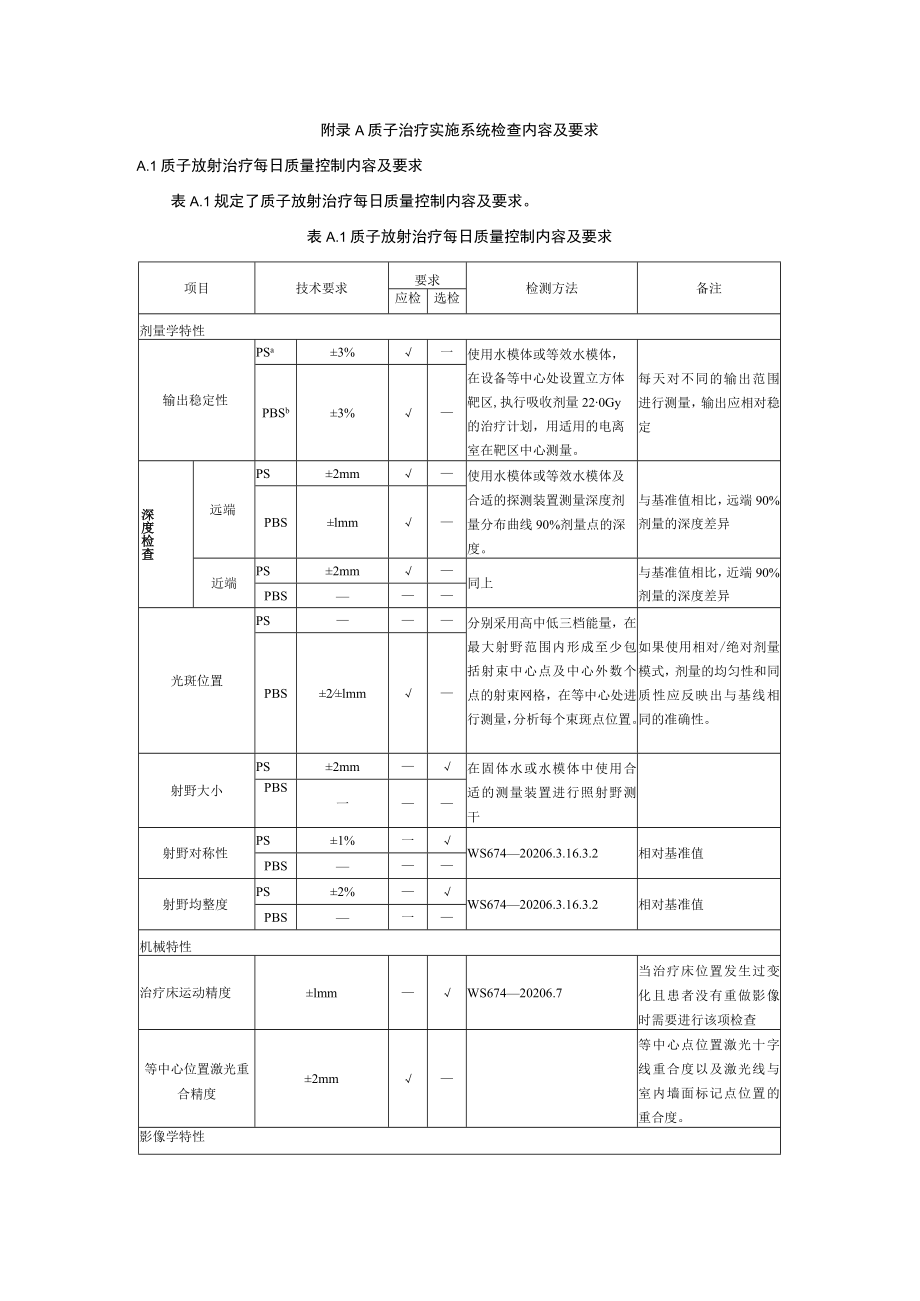
1、附录A质子治疗实施系统检查内容及要求A.1质子放射治疗每日质量控制内容及要求表A.1规定了质子放射治疗每日质量控制内容及要求。表A.1质子放射治疗每日质量控制内容及要求项目技术要求要求检测方法备注应检选检剂量学特性输出稳定性PSa3%一使用水模体或等效水模体,在设备等中心处设置立方体靶区,执行吸收剂量220Gy的治疗计划,用适用的电离室在靶区中心测量。每天对不同的输出范围进行测量,输出应相对稳定PBSb3%深度检查远端PS2mm使用水模体或等效水模体及合适的探测装置测量深度剂量分布曲线90%剂量点的深度。与基准值相比,远端90%剂量的深度差异PBSlmm近端PS2mm同上与基准值相比,近端90

2、%剂量的深度差异PBS光斑位置PS分别采用高中低三档能量,在最大射野范围内形成至少包括射束中心点及中心外数个点的射束网格,在等中心处进行测量,分析每个束斑点位置。如果使用相对/绝对剂量模式,剂量的均匀性和同质性应反映出与基线相同的准确性。PBS2lmm射野大小PS2mm在固体水或水模体中使用合适的测量装置进行照射野测干PBS一射野对称性PS1%一WS67420206.3.16.3.2相对基准值PBS射野均整度PS2%WS67420206.3.16.3.2相对基准值PBS一机械特性治疗床运动精度lmmWS67420206.7当治疗床位置发生过变化且患者没有重做影像时需要进行该项检查等中心位置激光

3、重合精度2mm等中心点位置激光十字线重合度以及激光线与室内墙面标记点位置的重合度。影像学特性项目技术要求要求检测方法备注应检选检X射线和激光束等中心重合2mm使用中心固定有金属球体的立方体模体,模体表面有I-字刻度线标记中心点位置。将立方体模体放在治疗床上,使激光线与模体表面刻度线重合。进行X射线拍片一,利用软件分析X射线成像中心和立方体金属球中心的重合度。影像采集和通信功能正常WS5192019第4章YY/T079820109.3.2应按照WS5192019的要求进行质量控制安全联锁门联锁功能正常监听器功能正常监视器功能正常出束状态指示器功能正常X射线开启指示器功能正常搜索/清空按钮功能正常

4、暂停出束按钮功能正常紧急制动按钮功能正常监控单元联锁功能正常碰撞联锁功能正常辐射检测仪功能正常7一注:“4”表示应进行对应项目的检测,“一”表示不进行对应项目的检测。aPS:被动散射,PassiveScatteringbPBS:笔形束扫描,PencilBeamScanningA.2质子放射治疗每月质量控制内容及要求表A.2规定了质子放射治疗每月质量控制内容及要求。表A.2质子放射治疗每月质量控制内容及要求项目技术要求要求检测方法备注应检选检剂量学特性输出稳定性PS+2%使用水模体或等效水模体,在设备等中心处设置立方体靶区,执行吸收剂量N2.0Gy的治疗计划,用适用电离室在靶区中心测量。针对不同

5、的机架角度。(相对基准值)PBS2%射野对称性PS1%WS67420206.3.163.2针对不同的机架角度。(相对基准值)PBS1%项目技术要求要求检测方法备注应检选检射野均整度PS2%WS67420206.3.2针对不同的机架角度。(相对基准值)PBS2%射程验证PSlmm选取几档临床常用能量档,在水模体中出束并用合适的探测装置测量深度剂量分布曲线。几种与临床相关的能量PBSlmmSe)BPb宽度PS3%使用合适的测量设备对不同调制宽度的SoBP照射计划进行测量。近端和远端90%剂量点的深度之间的宽度PBS光斑尺寸PS使用合适探测装置在等中心处测量束斑在X和丫方向的半高宽,并与基线值比较针

6、对不同的机架角度PBS10%机械特性机架等中心度W2mm使用合适的测量设备测量不同机架角度下的中心轴射束路径与等中心点的位置偏差,计算所有偏差点的圆球直径大小。对应圆直径的偏差机架角度1WS674-20206.6治疗床等中心度2mmWS67420206.9NCCZT-RT0012019对应圆直径的偏差治疗床平移精度WlmmWS67420206.7.2所有轴线方向治疗床旋转精度IoWS67420206.6治疗床垂直精度ImmWS67420206.8.1垂直于治疗床平面的方向治疗头喷嘴精度lmm将治疗头移动到距离等中心1OCm、20cm和30cm的预设距离,测量其距等中心的实际距离安全联锁紧急制动

7、按钮功能正常治疗室内外长期激活暴露2.0Gy和4.0Gy的治疗计划,每组条件下连续测量5次,求各测量点平均值及标准偏差,利用最小二乘法拟合预设值与测量值的线性关系方程,各组条件下测量平均值与预设值的相对偏差PBS1%重复性PS2%执行等中心处照射剂量为0.5Gy、1.0Gy、2.0Gy和4.0Gy的治疗计划,每组条件下连续测量5次统计其重复性偏差。PBS2%每束斑的最小/最大剂量PS功能正常执行测试计划,计划中包含MU值在计划系统中预设下限和上限范闱之外的束斑,检查治疗系统是否能够识别。最小值和最大值由制造商决定PBS功能正常每日使用的质控设备核查PS1%且/或土Imm与经过国家计量校准机构校

8、准后的设备比较PBS1%且/或土Imm电离室交叉验证PS2%与经过国家计量校准机构校准后的电离室进行比较。PBS2%机械特性机架角度准确性1NCC/T-RT001-20195.18机架等中心度W2mm同每月质控内容考察圆直径机架X射线等中心度2mm将中心固定有金属球体的立方体模体放在治疗床上,使考察圆直径项目技术要求要求检测方法备注应检推荐激光线与模体表面刻度线市合。进行一组正交X射线拍片,利用治疗床将立方模体金属球至于等中心位置,测试其他角度处X射线中心的位置偏差。治疗床下垂幅度lmmWS67420206.8.1根据制造商规定的重量限制和下垂幅度治疗头延展精度IOmm同上,需注意精度影像学特性图像系统性能和剂量符合要求YY16502019

展开阅读全文
相关资源
猜你喜欢
相关搜索

当前位置:首页 > 医学/心理学 > 骨科学

copyright@ 2008-2023 1wenmi网站版权所有

经营许可证编号:宁ICP备2022001189号-1

本站为文档C2C交易模式,即用户上传的文档直接被用户下载,本站只是中间服务平台,本站所有文档下载所得的收益归上传人(含作者)所有。第壹文秘仅提供信息存储空间,仅对用户上传内容的表现方式做保护处理,对上载内容本身不做任何修改或编辑。若文档所含内容侵犯了您的版权或隐私,请立即通知第壹文秘网,我们立即给予删除!