3.5m预埋件计算书.docx

上传人:p** 文档编号:200584 上传时间:2023-04-16 格式:DOCX 页数:2 大小:27.05KB
下载 相关 举报
3.5m预埋件计算书.docx_第1页
第1页 / 共2页
3.5m预埋件计算书.docx_第2页
第2页 / 共2页
亲,该文档总共2页,全部预览完了,如果喜欢就下载吧!
资源描述

《3.5m预埋件计算书.docx》由会员分享,可在线阅读,更多相关《3.5m预埋件计算书.docx(2页珍藏版)》请在第壹文秘上搜索。

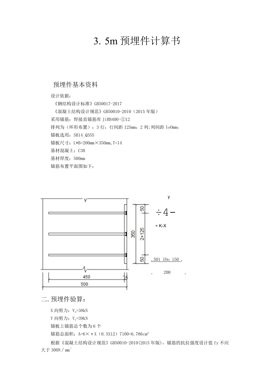
1、3. 5m预埋件计算书预埋件基本资料设计依据:钢结构设计标准GB50017-2017混凝土结构设计规范GB50010-2010(2015年版)采用锚筋:焊接直锚筋库JiRB400-12排列为(环形布置):3行;行间距125mm;2列;列间距IoOmm;锚板选用:SB14_Q355锚板尺寸:L*B=200mm350mm,T=14基材混凝土:C30基材厚度:500mm锚筋布置平面图如下:y4- K-X,501 IOo 150 ,200,二.预埋件验算:X向剪力:Vx=38kNY向剪力:Vy=39kN锚板上锚筋总个数为6个锚筋总面积:A=6X(0.5X12)7100=6.786cm2根据混凝土结构设

2、计规范GB50010-2010(2015年版),锚筋的抗拉强度设计值fy不应大于300Nmm锚筋抗拉强度设计值:fy=300Nmm2X方向锚筋排数的影响系数:l=lY方向锚筋排数的影响系数:,y=0.9锚筋的受剪承载力系数av=(4.0-0.O8*d)*(fcfy)os=(4.0-0.08X12)X(14.3/300)o=O.664锚板的弯曲变形折减系数a1,=0.6+0.25X14/12=0.892沿X向最外层锚筋中心间距Zx=IOOmm沿Y向最外层锚筋中心间距Zy=250mm按混凝土结构设计规范GB50010-2010(2015年版)公式9.7.27计算:Alnitl=V(arx*av*f

3、y)+V(ar,*av*fy)=38(l0.664300)10+39/(0.90.664300)10=4.085cm2按混凝土结构设计规范GB50010-2010(2015年版)公式9.7.2-2计算:Asnin=N/(O.8*ab*fy)=Ocm2故取锚筋截面面积为:Ax=max(Anl,A2,*i)=4.085cm2则截面承载力为:F=As*fy=4.085102X300=122542.745N=122.543kN实际允许承载力值为:Fu=A*fy=6.786IO2X300=203.575103N=203.575kN则有:FFu,满足!.预埋件构造验算:锚固长度限值计算:根据混凝土结构设计

4、规范GB50010-2010(2015年版)8.3.1钢筋的外形系数:a=0.14钢筋的抗拉强度设计值:fy=360Nmm2钢筋的公称直径d=12mm混凝土轴心抗拉强度设计值:ft=l.43Nun2基本锚固长度:U=a*fyfl*d=0.14X360/1.43X12=422.937mm根据混凝土结构设计规范GB50010-2010(2015年版)8.3.1、8.3.2、8.3.3,对锚固长度进行修正当前锚固条件无需修正锚固长度:Ia=Iab=422.937mm实际锚固长度450,最小限值为422.937,满足!锚板厚度限值计算:根据混凝土结构设计规范GB50010-2010(2015年版)9.7.1锚板厚度不宜小于锚筋直径的0.6倍,受拉和受弯预埋件的锚板厚度尚宜大于锚筋间距的1/8锚筋间距b取列间距,b=100mm锚板厚度限值:T=max(0.6cl,b8)=max(0.612,100/8)=max(7.2,12.5)=12.5mm实际锚板厚度14,最小限值为12.5,满足!行间距为125,最小限值为72,满足!列边距为100,最小限值为45,满足!行边距为50,最小限值为24,满足!列边距为50,最小限值为24,满足!

展开阅读全文
相关资源
猜你喜欢
相关搜索

当前位置:首页 > 建筑/环境 > 建筑图集

copyright@ 2008-2023 1wenmi网站版权所有

经营许可证编号:宁ICP备2022001189号-1

本站为文档C2C交易模式,即用户上传的文档直接被用户下载,本站只是中间服务平台,本站所有文档下载所得的收益归上传人(含作者)所有。第壹文秘仅提供信息存储空间,仅对用户上传内容的表现方式做保护处理,对上载内容本身不做任何修改或编辑。若文档所含内容侵犯了您的版权或隐私,请立即通知第壹文秘网,我们立即给予删除!