厂房建最耐火等级安全隐患检查表.docx

上传人:p** 文档编号:219011 上传时间:2023-04-17 格式:DOCX 页数:1 大小:13.74KB
下载 相关 举报
厂房建最耐火等级安全隐患检查表.docx_第1页
第1页 / 共1页
亲,该文档总共1页,全部预览完了,如果喜欢就下载吧!
资源描述

《厂房建最耐火等级安全隐患检查表.docx》由会员分享,可在线阅读,更多相关《厂房建最耐火等级安全隐患检查表.docx(1页珍藏版)》请在第壹文秘上搜索。

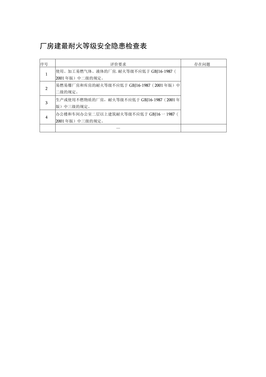
厂房建最耐火等级安全隐患检查表序号评价要求存在问题1使用、加工易燃气体、液体的厂房.耐火等级不应低于GBJ16-1987(2001年版)中二级的规定。2易燃易爆厂房和库房的耐火等级不应低于GBJ16-1987(2001年版)中二级的规定。3生产或使用不燃物质的厂房,耐火等级不应低于GBJ16-1987(2001年版)中三级的规定。4办公楼和车间办公室二层以上建筑耐火等级不应低于GBJ16一1987(2001年版)中三级的规定。

展开阅读全文
相关资源
猜你喜欢
相关搜索

当前位置:首页 > 建筑/环境 > 钢结构

copyright@ 2008-2023 1wenmi网站版权所有

经营许可证编号:宁ICP备2022001189号-1

本站为文档C2C交易模式,即用户上传的文档直接被用户下载,本站只是中间服务平台,本站所有文档下载所得的收益归上传人(含作者)所有。第壹文秘仅提供信息存储空间,仅对用户上传内容的表现方式做保护处理,对上载内容本身不做任何修改或编辑。若文档所含内容侵犯了您的版权或隐私,请立即通知第壹文秘网,我们立即给予删除!