福建省制造业单项冠军申报书福建省工业和信息化厅2023年制.docx

上传人:p** 文档编号:264774 上传时间:2023-04-20 格式:DOCX 页数:5 大小:19.06KB
下载 相关 举报
福建省制造业单项冠军申报书福建省工业和信息化厅2023年制.docx_第1页
第1页 / 共5页
福建省制造业单项冠军申报书福建省工业和信息化厅2023年制.docx_第2页
第2页 / 共5页
福建省制造业单项冠军申报书福建省工业和信息化厅2023年制.docx_第3页
第3页 / 共5页
福建省制造业单项冠军申报书福建省工业和信息化厅2023年制.docx_第4页
第4页 / 共5页
福建省制造业单项冠军申报书福建省工业和信息化厅2023年制.docx_第5页
第5页 / 共5页
亲,该文档总共5页,全部预览完了,如果喜欢就下载吧!
资源描述

《福建省制造业单项冠军申报书福建省工业和信息化厅2023年制.docx》由会员分享,可在线阅读,更多相关《福建省制造业单项冠军申报书福建省工业和信息化厅2023年制.docx(5页珍藏版)》请在第壹文秘上搜索。

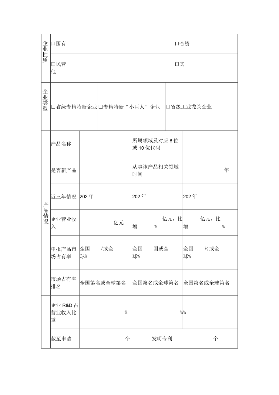
1、福建省制造业单项冠军申报书福建省工业和信息化厅2023年制申请类别(四选)单项冠军企业申报单项冠军产品申报单项冠军企业复核口单项冠军产品复核企业名称注册资本统一社会信用代码企也地址银行信用等级联系人联系电话企业性质口国有口合资民营口其他企业类型省级专精特新企业专精特新“小巨人”企业省级工业龙头企业产品情况产品名称所属领域及对应8位或10位代码是否新产品从事该产品相关领域时间年近三年情况202年202年202年企业营业收入亿元亿元,比增%亿元,比增%申报产品市场占有率全国/或全球%全国国或全球%全国或全球%市场占有率排名全国第名或全球第名全国第名或全球第名全国第名或全球第名企业R&D占营业收入比

2、重%截至申请个发明专利个持续研发能力时间企业拥有专利数量其中实用新型专利个外观设计专利个软件著作权个截至申请时间企业拥有市级及以上研发机构数量个截至申请时间企业主导或参与制定相关业务领域技术标准数量项企业详细情况介绍包括但不限于以下内容:(此项可另附页)一、企业经营管理情况,包括:企业所从事的细分领域,专注细分领域时间,企业在从事细分领域的地位,企业经营战略,管理团队等。二、企业主营产品情况,包括:产品在相关产业链地位,近3年产品销售情况,主要客户群及销售地,企业主要竞争对手及对比情况,产品关键性能指标及与国际国内领先水平对比情况,产品主要加工工艺、技术及与国际国内领先水平对比情况等。三、企业

3、研发创新基本情况,包括:企业技术研发机构建设情况,研发经费的保障和使用情况,知识产权积累和运用情况,参与或主导相关产品领域国际国内相关技术、工艺等标准的制定情况等。四、企业制度建设基本情况,包括:企业品牌培育相关制度、财务管理制度、产品质量保障相关制度、知识产权保障制度、生产安全保障等相关制度建设情况,应对各类风险体制机制等。材料真实性承我单位郑重承诺:1、本申报书中所填写的内容真实、合法、有效。2、提供的申报资料和文件内容真实、准确、完整,事实存在。3、提供的佐证材料内容真实可靠、来源正当合法。诺4、涉及的知识产权(商业秘密)明晰完整,归属本单位或技术来源正当合法,未剽窃他人成果,未侵犯他人的知识产权或商业秘密。若发生与上述承诺相违背的事实,由本单位承担由此产生的所有责任。企业法定代表人(签字):(申报企业公章)年月日设区市工信局、平潭综合实验区经发局、省属控股集团公司推荐意见(包含企业近三年是否发生重大安全和环境事故,有无严重违法行为,是否被列入经营异常名录或严重失信主体名单等。)经办人(签字):审批人(签字):(推荐单位公章)年月日省工信厅意见

展开阅读全文
相关资源
猜你喜欢
相关搜索

当前位置:首页 > 管理/人力资源 > 企业信息化

copyright@ 2008-2023 1wenmi网站版权所有

经营许可证编号:宁ICP备2022001189号-1

本站为文档C2C交易模式,即用户上传的文档直接被用户下载,本站只是中间服务平台,本站所有文档下载所得的收益归上传人(含作者)所有。第壹文秘仅提供信息存储空间,仅对用户上传内容的表现方式做保护处理,对上载内容本身不做任何修改或编辑。若文档所含内容侵犯了您的版权或隐私,请立即通知第壹文秘网,我们立即给予删除!