施工项目部项目部中高度风险清单 .docx

上传人:p** 文档编号:606447 上传时间:2023-12-01 格式:DOCX 页数:7 大小:30.07KB
下载 相关 举报
施工项目部项目部中高度风险清单 .docx_第1页
第1页 / 共7页
施工项目部项目部中高度风险清单 .docx_第2页
第2页 / 共7页
施工项目部项目部中高度风险清单 .docx_第3页
第3页 / 共7页
施工项目部项目部中高度风险清单 .docx_第4页
第4页 / 共7页
施工项目部项目部中高度风险清单 .docx_第5页
第5页 / 共7页
施工项目部项目部中高度风险清单 .docx_第6页
第6页 / 共7页
施工项目部项目部中高度风险清单 .docx_第7页
第7页 / 共7页
亲,该文档总共7页,全部预览完了,如果喜欢就下载吧!
资源描述

《施工项目部项目部中高度风险清单 .docx》由会员分享,可在线阅读,更多相关《施工项目部项目部中高度风险清单 .docx(7页珍藏版)》请在第壹文秘上搜索。

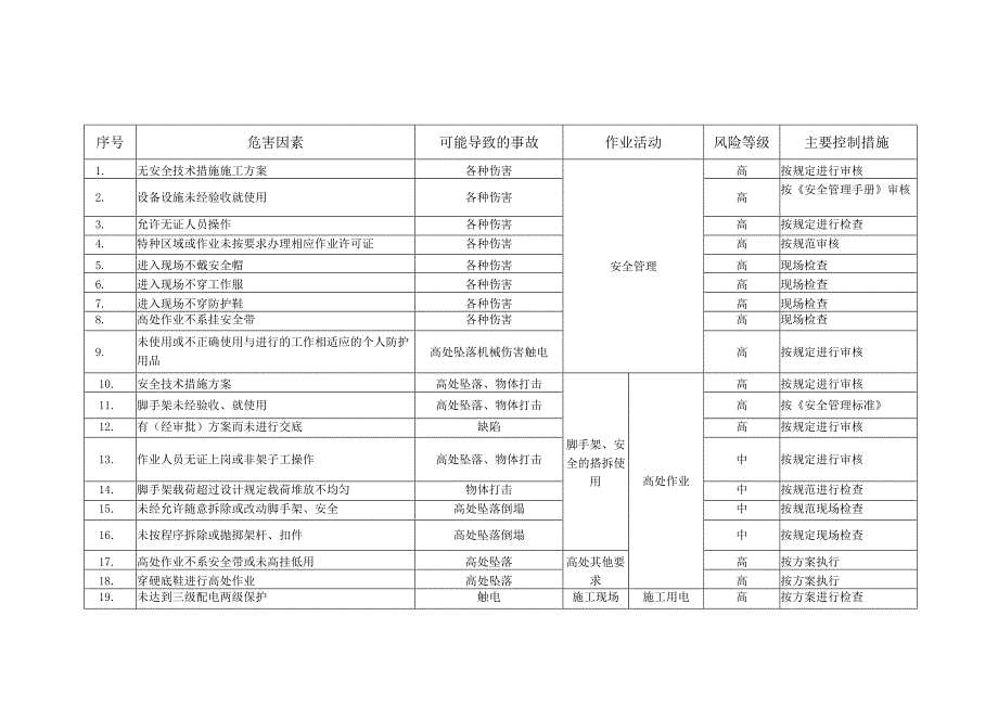
1、序号危害因素可能导致的事故作业活动风险等级主要控制措施1.无安全技术措施施工方案各种伤害安全管理高按规定进行审核2.设备设施未经验收就使用各种伤害高按安全管理手册审核3.允许无证人员操作各种伤害高按规定进行检查4.特种区域或作业未按要求办理相应作业许可证各种伤害高按规范审核5.进入现场不戴安全帽各种伤害高现场检查6.进入现场不穿工作服各种伤害高现场检查7.进入现场不穿防护鞋各种伤害高现场检查8.高处作业不系挂安全带各种伤害高现场检查9.未使用或不正确使用与进行的工作相适应的个人防护用品高处坠落机械伤害触电高按规定进行审核10.安全技术措施方案高处坠落、物体打击脚手架、安全的搭拆使用高处作业高按

2、规定进行审核11.脚手架未经验收、就使用高处坠落、物体打击高按安全管理标准12.有(经审批)方案而未进行交底缺陷高按规定进行审核13.作业人员无证上岗或非架子工操作高处坠落、物体打击中按规定进行审核14.脚手架载荷超过设计规定载荷堆放不均匀物体打击中按规范进行检查15.未经允许随意拆除或改动脚手架、安全高处坠落倒塌中按规范现场检查16.未按程序拆除或抛掷架杆、扣件高处坠落倒塌中按规定现场检查17.高处作业不系安全带或未高挂低用高处坠落高处其他要求高按方案执行18.穿硬底鞋进行高处作业高处坠落高按方案执行19.未达到三级配电两级保护触电施工现场施工用电高按方案进行检查序号危害因素可能导致的事故作

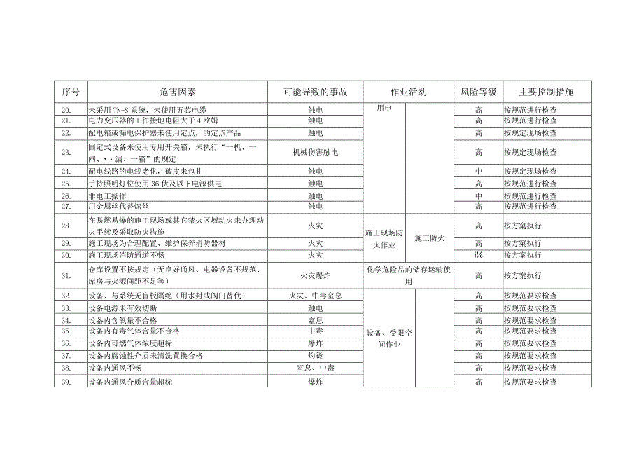
3、业活动风险等级主要控制措施20.未采用TN-S系统,未使用五芯电缆触电用电高按规范进行检查21.电力变压器的工作接地电阻大于4欧姆触电高按规范进行检查22.配电箱或漏电保护器未使用定点厂的定点产品触电高按规定现场检查23.固定式设备未使用专用开关箱,未执行“一机、一闸、漏、一箱”的规定机械伤害触电高按规定现场检查24.配电线路的电线老化,破皮未包扎触电中按规定现场检查25.手持照明灯位使用36伏及以下电源供电触电高按规范进行检查26.非电工操作触电中按规范进行检查27.用金属丝代替熔丝触电高按规范进行检查28.在易燃易爆的施工现场或其它禁火区域动火未办理动火手续及采取防火措施火灾施工现场防火作

4、业施工防火高按方窠执行29.施工现场为合理配置、维护保养消防器材火灾高按方窠执行30.施工现场消防通道不畅火灾i按方案执行31.仓库设置不按规定(无良好通风、电器设备不规范、库房与火源间距不足等)火灾爆炸化学危险品的储存运输使用高按方案执行32.设备、与系统无盲板隔绝(用水封或阀门替代)火灾、中毒窒息设备、受限空间作业高按规范要求检查33.设备电源未有效切断触电高按规范要求检查34.设备内含氧量不合格窒息高按规范要求检查35.设备内有毒气体含量不合格中毒高按规范要求检查36.设备内可燃气体浓度超标爆炸高按规范要求检查37.设备内腐蚀性介质未清洗置换合格灼烫高按规范要求检查38.设备内通风不畅窒

5、息、中毒高按规范要求检查39.设备内通风介质含量超标爆炸高按规范要求检查40.设备作业未办理设备内作业许可证火灾、爆炸窒息、中毒高按规范要求检查序号危害因素可能导致的事故作业活动风险等级主要控制措施41.采样分析时间在作业前30分钟以外火灾、中毒爆炸、窒息高按规范要求检查42.采样点不具备代表性火灾、中毒爆炸、窒息高按规范要求检查43.连续作业2小时以上未再次分析火灾、中毒爆炸、窒息高按规范要求检查44.涂刷具有挥发性溶剂,未连续分析爆炸高按规范要求检查45.在酸碱等腐蚀环境中未穿防酸服灼烫i按规范要求检查46.在易燃易爆环境中穿化纤服灼烫高按规范要求检查47.在缺氧、有毒环境中未佩戴隔离或防

6、毒面具中毒、窒息高按规范要求检查48.设备内作业照明不足高空坠落中按规范要求检查49.设备内照明电压高于36V触电高按规范要求检查50.潮湿、狭小的容器内照明电压高于12V触电高按规范要求检查51.手持电动工具进容器内,未配备漏电保护器触电高按规范要求检查52.条件发生变化,再次进入设备内未办理手续中毒爆炸窒息高按规范要求检查53.设备内作业未搭设安全梯中毒、窒息中按规范要求检查54.设备内作业未配备救护绳中毒、窒息中按规范要求检查55.设备内作业违反高空作业规定高空坠落高按规范要求检查56.设备内作业违反动火作业规定火灾、爆炸高按规范要求检查57.设备内交叉作业未采取相互保护措施物体打击中按

7、规范要求检查58.设备外无空气呼吸器、消防、清水等器材火灾、窒息高按规范要求检查59.设备外无急救设备中毒、窒息中按规范要求检查60.设备内作业无监护人中毒、窒息火灾高按规范要求检查61.高空设备内作业上、下无可靠的通讯联系方式中毒、窒息火灾中按规范要求检查62.监护人与作业人联系信号不统一中毒、窒息火灾中按规范要求检查63.监护人员脱岗中毒、窒息火灾i按规范要求检查64.设备内事故抢救时,救护人员防护能力不足中毒、窒息中按规范要求检查序号危害因素可能导致的事故作业活动风险等级主要控制措施65.作业人员离开时,工具等杂物留在设备内生产事故高按规范要求检查66.检修完毕后未经单位、生产单位、监理

8、单位共同检查验收生产事故高按规范要求检查67.检修完毕未立即封闭生产事故高按规范要求检查68.无吊装方案或吊装方案未经批准起重伤害起重作业高按规定进行体检69.有方案但未进行交底起重伤害高按规定进行体检70.未使用或正确佩戴劳动防护用品用具起重伤害中按规定进行体检71.信号位置不当、信号不清、信号显示不准起重伤害高按规定进行体检72.吊运物长时间空中停留且下方有人起重伤害中按规定进行体检73.在桥架、槽盒放电缆不系安全带高处坠落中按规定现场检查把关74.高压线路停电后不挂接地线触电高按规定现场检查把关75.立杆时吊车不按规定打退物体打击i按规定现场检查把关76.带压拆装仪表一次元件物体打击中按

9、规定现场检查把关77.在易燃、易爆场所安装作业未采取安全措施爆炸高按规定现场检查把关78.在高处作业不系安全带高处坠落高按规定现场检查把关79.无证操作起重伤害通用因素起重机械高管理制度与现场检查80.超负荷起吊起重伤害中安全教育与检查把关81.使用不合格吊索具起重伤害中按规定现场检查把关82.起重钢丝绳及绳卡不符合要求起重伤害中按规定现场检查把关83.地锚和基座未安装平稳和牢固起重伤害电动卷扬机中按方案执行安全生产注意事项:1、施工人员进入施工现场前,必须要进行施工安全、消防知识的教育和考核工作,对考核不合格的职工,禁止进入施工现场参加施工。2、施工作业时必须正确穿戴个人防护用品,进入施工现场必须戴安全帽。不许私自用火,严禁酒后操作。3、穿拖鞋、高跟鞋、赤脚或赤膊不准进入施工现场。4、现场用电,一定要有专人管理,同时设专用配电箱,严禁乱接乱拉,采取用电挂牌制度,尤其杜绝违章作业,防止人身、线路,设备事故的发生。5、进入施工现场必须戴好安全帽,系好帽带,并正确使用个人劳动防护用品。6、在高空、钢筋、结构上作业时,一定要穿防滑鞋。7、从事高空作业人员要定期体验。凡患有高血压、心脏病、贫血症、癫痫病以及不适于高空作业的人员,不得从事高空作业。

展开阅读全文
相关资源
猜你喜欢
相关搜索

当前位置:首页 > 建筑/环境 > 房地产

copyright@ 2008-2023 1wenmi网站版权所有

经营许可证编号:宁ICP备2022001189号-1

本站为文档C2C交易模式,即用户上传的文档直接被用户下载,本站只是中间服务平台,本站所有文档下载所得的收益归上传人(含作者)所有。第壹文秘仅提供信息存储空间,仅对用户上传内容的表现方式做保护处理,对上载内容本身不做任何修改或编辑。若文档所含内容侵犯了您的版权或隐私,请立即通知第壹文秘网,我们立即给予删除!