程序文件产品实现更改控制程序.docx

上传人:p** 文档编号:710653 上传时间:2024-01-20 格式:DOCX 页数:2 大小:19.20KB
下载 相关 举报
程序文件产品实现更改控制程序.docx_第1页
第1页 / 共2页
程序文件产品实现更改控制程序.docx_第2页
第2页 / 共2页
亲,该文档总共2页,全部预览完了,如果喜欢就下载吧!
资源描述

《程序文件产品实现更改控制程序.docx》由会员分享,可在线阅读,更多相关《程序文件产品实现更改控制程序.docx(2页珍藏版)》请在第壹文秘上搜索。

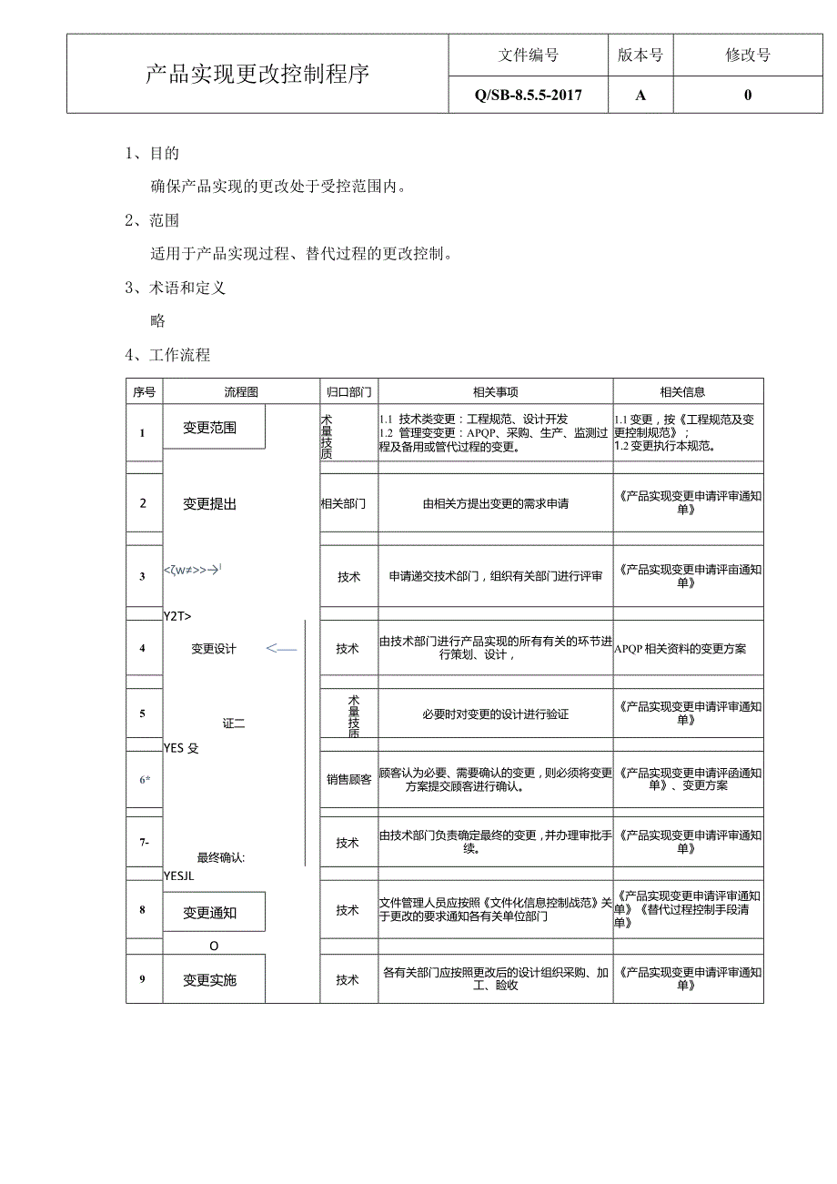
1、产品实现更改控制程序文件编号版本号修改号Q/SB-8.5.5-2017A01、目的确保产品实现的更改处于受控范围内。2、范围适用于产品实现过程、替代过程的更改控制。3、术语和定义略4、工作流程序号流程图归口部门相关事项相关信息1变更范围术量技质1.1 技术类变更:工程规范、设计开发1.2 管理变变更:APQP、采购、生产、监测过程及备用或管代过程的变更。1.1变更,按工程规范及变更控制规范;1.2变更执行本规范。2变更提出相关部门由相关方提出变更的需求申请产品实现变更申请评审通知单l3技术申请递交技术郃门,组织有关部门进行评审产品实现变更申请评亩通知单Y2T4变更设计技术由技术部门进行产品实现

2、的所有有关的环节进行策划、设计,APQP相关资料的变更方案证二YES殳最终确认:5术量技质必要时对变更的设计进行验证产品实现变更申请评审通知单6*销售顾客顾客认为必要、需要确认的变更,则必须将变更方案提交顾客进行确认。产品实现变更申请评函通知单、变更方案7-技术由技术部门负责确定最终的变更,并办理审批手续。产品实现变更申请评审通知单YESJL8技术文件管理人员应按照文件化信息控制战范关于更改的要求通知各有关单位部门产品实现变更申请评审通知单替代过程控制手段清单变更通知O9变更实施技术各有关部门应按照更改后的设计组织采购、加工、睑收产品实现变更申请评审通知单5相关文件化信息5.1Q/SB-6.3.1-2017质量体系变更策划程序5.2Q/SB-8.3.2-2017工程规范及变更控制程序5.2QR8.5.6-01产品实现变更申请评审通知单5.3QR8.5.6-02替代过程控制手段清单5.4QR8.5.6-03替代过程控制评审单

展开阅读全文
相关资源
猜你喜欢
相关搜索

当前位置:首页 > 管理/人力资源 > 质量管理

copyright@ 2008-2023 1wenmi网站版权所有

经营许可证编号:宁ICP备2022001189号-1

本站为文档C2C交易模式,即用户上传的文档直接被用户下载,本站只是中间服务平台,本站所有文档下载所得的收益归上传人(含作者)所有。第壹文秘仅提供信息存储空间,仅对用户上传内容的表现方式做保护处理,对上载内容本身不做任何修改或编辑。若文档所含内容侵犯了您的版权或隐私,请立即通知第壹文秘网,我们立即给予删除!