LED泛光照明灯具接地工艺标准.docx

上传人:p** 文档编号:200710 上传时间:2023-04-16 格式:DOCX 页数:3 大小:19.25KB
下载 相关 举报
LED泛光照明灯具接地工艺标准.docx_第1页
第1页 / 共3页
LED泛光照明灯具接地工艺标准.docx_第2页
第2页 / 共3页
LED泛光照明灯具接地工艺标准.docx_第3页
第3页 / 共3页
亲,该文档总共3页,全部预览完了,如果喜欢就下载吧!
资源描述

《LED泛光照明灯具接地工艺标准.docx》由会员分享,可在线阅读,更多相关《LED泛光照明灯具接地工艺标准.docx(3页珍藏版)》请在第壹文秘上搜索。

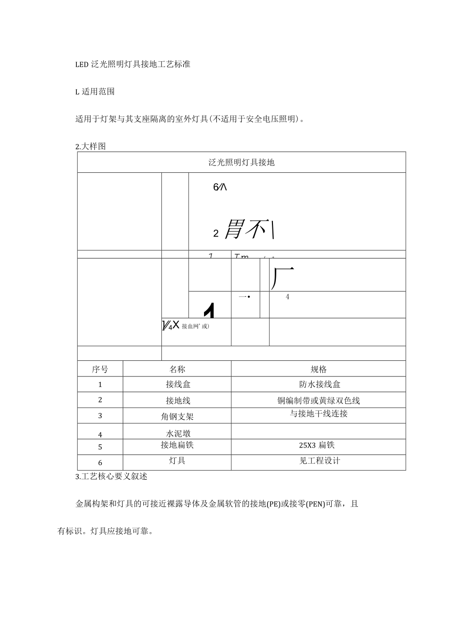
LED泛光照明灯具接地工艺标准L适用范围适用于灯架与其支座隔离的室外灯具(不适用于安全电压照明)。2.大样图泛光照明灯具接地62胃不1Im/-1厂1一44X接血网或)序号名称规格1接线盒防水接线盒2接地线铜编制带或黄绿双色线3角钢支架与接地干线连接4水泥墩5接地扁铁25X3扁铁6灯具见工程设计3.工艺核心要义叙述金属构架和灯具的可接近裸露导体及金属软管的接地(PE)或接零(PEN)可靠,且有标识。灯具应接地可靠。(九)局部等电位安装工艺标准L适用范围适用于带淋浴或浴盆的卫生间等电位接地。2.大样图局部等电位安装543F抹灰层/L3钢筋网、3,力/八,7/77/力/7/力/LEB端子箱大样图6/7Zo)(U)05(H)18序号名称规格1LEB端子箱见工程设计2接地线卡3接地扁铁25义3扁铁4接地线Gm/黄绿双色线55暗敷给水管道见工程设计6螺栓7接地扁铁25X3扁铁8LEB端子板3.工艺核心要义叙述LEB与各个金属器具之间的线路敷设采用直接埋线暗敷的方式进行。安装高度H见工程设计。独立金属件(如毛巾架)和采用金属管道的卫生器具不需要做等电位联结。4.注意事项连接范围及连接方法应由设计决定。一般情况下只有带淋浴和浴盆的卫生间需要设置局部等电位。

展开阅读全文
相关资源
猜你喜欢
相关搜索

当前位置:首页 > 行业资料 > 室内设计

copyright@ 2008-2023 1wenmi网站版权所有

经营许可证编号:宁ICP备2022001189号-1

本站为文档C2C交易模式,即用户上传的文档直接被用户下载,本站只是中间服务平台,本站所有文档下载所得的收益归上传人(含作者)所有。第壹文秘仅提供信息存储空间,仅对用户上传内容的表现方式做保护处理,对上载内容本身不做任何修改或编辑。若文档所含内容侵犯了您的版权或隐私,请立即通知第壹文秘网,我们立即给予删除!