木材表面施涂溶剂型混色涂料施工分项工程质量管理技术交底模板.docx

上传人:p** 文档编号:243834 上传时间:2023-04-19 格式:DOCX 页数:5 大小:27.02KB
下载 相关 举报
木材表面施涂溶剂型混色涂料施工分项工程质量管理技术交底模板.docx_第1页
第1页 / 共5页
木材表面施涂溶剂型混色涂料施工分项工程质量管理技术交底模板.docx_第2页
第2页 / 共5页
木材表面施涂溶剂型混色涂料施工分项工程质量管理技术交底模板.docx_第3页
第3页 / 共5页
木材表面施涂溶剂型混色涂料施工分项工程质量管理技术交底模板.docx_第4页
第4页 / 共5页
木材表面施涂溶剂型混色涂料施工分项工程质量管理技术交底模板.docx_第5页
第5页 / 共5页
亲,该文档总共5页,全部预览完了,如果喜欢就下载吧!
资源描述

《木材表面施涂溶剂型混色涂料施工分项工程质量管理技术交底模板.docx》由会员分享,可在线阅读,更多相关《木材表面施涂溶剂型混色涂料施工分项工程质量管理技术交底模板.docx(5页珍藏版)》请在第壹文秘上搜索。

1、木材表面施涂溶剂型混色涂料施工工程质量管理1、依据标准:建筑工程施工质量验收统一标准GB50300-2001建筑装饰装修工程施工质量验收规范GB50210-20012、施工准备2.1材料要求:2.1.1涂料:光油、清油、铅油、调合漆(磁性调合漆、油性调合漆)、漆片等。2.1.2填充料:石膏、大白、地板黄、红土子、黑烟子、纤维素等。2.1.3稀释剂:汽油、煤油、醇酸稀料、松香水、酒精等。2.1.4催干剂:钻催干剂等液体料。2. 2主要机具:2.2. 1油刷、开刀、牛角板、油画笔、掏子(掏刷门窗扇上下口不易涂刷部位的工具)、铜丝梦、砂纸、砂布、腻子板、钢皮刮板、橡皮刮板、小油桶、油勺、半截大桶、水

2、桶、钢丝钳子、小锤子、钢丝刷、高凳和脚手板、安全带等。2. 3作业条件:2.3. 1施工环境应通风良好,湿作业已完并具备一定的强度,环境比较干燥。2.3.2大面积施工前应事先做样板间,经有关质量部门检查鉴定合格后,方可组织班组进行大面积施工。2.3.3施工前应对木门窗等木材外形进行检查,有变形不合格者,应拆换。木材制品含水率不大于12%o2. 3.4操作应认真进行交接检查工作,并对遗留问题进行妥善处理。2.3.5刷未道油漆前,必须将玻璃全部安装好3、操作工艺3.1工艺流程:基层处理一刷底子油(操清油一抹腻子一磨砂纸)一刷第一遍油漆(刷铅油一抹腻子一磨砂纸一装玻璃)f刷第二遍油漆(刷铅油f擦玻璃

3、、磨砂纸)f刷最后一遍油漆以上是木门窗和木料表面施涂溶剂型混色涂料中级做法的工艺流程。如果是普通级涂料工程,其做法与木工艺流程基本相同,所不同之处,除少刷一遍油漆外,只找补腻子,不满刮腻子。3.2基层处理:清扫、起钉子、除油污、刮灰土,刮时不要刮出木毛并防止刮坏抹灰面层;铲去脂囊,将脂迹刮净,流松香的节疤挖掉,较大的脂囊应用木纹相同的材料用胶镶嵌;磨砂纸,先磨线角后磨四口平面,顺木纹打磨,有小活翘皮用小刀撕掉,有重皮的地方用小钉子钉牢固;点漆片,在木节疤和油迹处,用酒精漆片点刷。3. 3刷底子油:3.3. 1操清油一遍:清油用汽油、光油配制,略加一些红土子(避免漏刷不好区分),先从框上部左边开

4、始顺木纹涂刷,框边涂油不得碰到墙面上,厚薄要均匀,框上部刷好后,再刷亮子。刷窗扇时,如两扇窗应先刷左扇后刷右扇;三扇窗应最后刷中间一扇。窗扇外面全部刷完后,用梃钩勾住不可关闭,然后再刷里面。刷门时先刷亮子再刷门框,门扇的背面刷完后用木楔将门扇固定,最后刷门扇的正面。全部刷完后,检查一下有无遗漏,并注意里外门窗油漆分以是否正确,并将小五金等处沾染的油漆擦净,此道工序亦可在框或扇安装前完成。3 .3.2抹腻子:腻子的重量配合比为石膏粉:熟桐油:水二20:7:50o待操作的清油干透后,将钉孔、裂缝、节疤以及边棱残缺处,用石膏油腻子刮抹平整,腻子要横抹竖起,将腻子刮入钉孔或裂纹内。如接缝或裂纹较宽、孔

5、洞较大时,可用开刀将腻子挤入缝洞内,使腻子嵌入后刮平、收净,表面上的腻子要刮光,无野腻子、残渣。上下冒头、梯头等处均应抹到。4 .3.3磨砂纸:腻子干透后,用1号砂纸打磨,磨法与底层磨砂纸相同,注意不要磨穿油膜并保护好棱角,不留野腻子痕迹。磨完后应打扫干净,并用潮布将磨下粉末擦净。3. 4刷第一遍油漆:3. 4.1刷铅油:先将色铅油、光油、清油、汽油、煤油等(冬季可加入适量催干剂)混合在一起搅拌过梦,其重量配合比为铅油50%,光油10%,清油8%、汽油20%、煤油10%;可使用红、黄、蓝、白、黑铅油调配成各种所需颜色的铅油涂料,其稠度以达到盖底、不流淌、不显刷痕为准。厚薄要均匀。一楼门或窗刷完

6、后,应上下左右观察检查一下,有无漏刷、流坠、裹楞及透底,最后将窗扇打开钩上梃钩;木门扇下口要用木楔固定。3. 4.2抹腻子:待铅油干透后,对于度腻子收缩或残缺处,再用石膏腻子刮抹一次,要求与做法同前。3. 4.3磨砂纸:等腻子干透后,用1号以下的砂纸打磨,要求与做法同前,磨好后用潮布将粉末擦净。3. 4.4装玻璃:详见玻璃安装工艺标准。3. 5刷第二遍油漆:3.5. 1刷铅油:同前。3.5.2擦玻璃、磨砂纸、用潮布将玻璃内外擦干净。注意不得损伤油灰表面和八字角。然后用1号砂纸或旧细砂纸轻磨一遍。方法同前,不要把底油磨穿,要保护好棱角。再用潮布将磨下的粉末擦净。使用新砂纸时,须将两某砂纸对磨,把

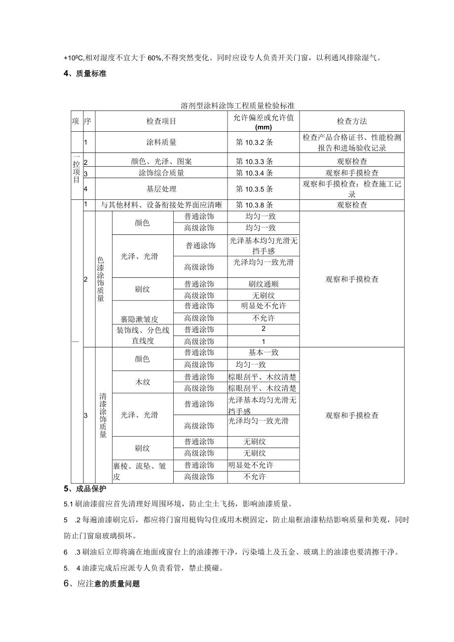
7、粗大砂粒磨掉,防止磨砂纸时把油膜划破。3.6刷最后一遍油漆:刷油方法同前。但由于调合漆粘度较大,涂刷时要多刷多理,要注意刷油饱满,刷油动作要敏捷,不流不坠、光亮均匀、色泽一致。在玻璃油灰上刷油,应等油灰达到一定强度后方可进行。刷完油漆后要立即仔细检查一遍,如发现有毛病应及时修整。最后用梃钩或木楔子将门窗固定好。3.7冬期施工:室内应在采暖条件下进行,室温保持均衡,一般油漆施工的环境温度不宜低于+10C,相对湿度不宜大于60%,不得突然变化。同时应设专人负责开关门窗,以利通风排除湿气。4、质量标准溶剂型涂料涂饰工程质量检验标准项序检查项目允许偏差或允许值(mm)检查方法1涂料质量第10.3.2条

8、检查产品合格证书、性能检测报告和进场验收记录一控项目2颜色、光泽、图案第10.3.3条观察检查3涂饰综合质量第10.3.4条观察和手摸检查4基层处理第10.3.5条观察和手摸检查:检查施工记录1与其他材料、设备衔接处界面应清晰第10.3.8条观察检查2色漆涂饰质量颜色普通涂饰均匀一致观察和手摸检查高级涂饰均匀一致光泽、光滑普通涂饰光泽基本均匀光滑无挡手感高级涂饰光泽均匀一致光滑刷纹普通涂饰刷纹通顺高级涂饰无刷纹裹隐漱皱皮普通涂饰明显处不允许高级涂饰不允许装饰线、分色线直线度普通涂饰2高级涂饰13清漆涂饰质量颜色普通涂饰基本一致观察和手摸检查高级涂饰均匀一致木纹普通涂饰棕眼刮平、木纹清楚高级涂饰

9、棕眼刮平、木纹清楚光泽、光滑普通涂饰光泽基本均匀光滑无挡手感高级涂饰光泽均匀一致光滑刷纹普通涂饰无刷纹高级涂饰无刷纹裹棱、流坠、皱皮普通涂饰明显处不允许高级涂饰不允许5、成品保护5.1刷油漆前应首先清理好周围环境,防止尘土飞扬,影响油漆质量。5 .2每遍油漆刷完后,都应将门窗用梃钩勾住或用木楔固定,防止扇框油漆粘结影响质量和美观,同时防止门窗扇玻璃损坏。6 .3刷油后立即将滴在地面或窗台上的油漆擦干净,污染墙上及五金、玻璃上的油漆也要清擦干净。5. 4油漆完成后应派专人负责看管,禁止摸碰。6、应注意的质量问题5.1 漏刷:一般多发生在门窗的上、下冒头和靠合页小面以及门窗框、压缝条的上、下端。其

10、主要原因是内门扇安装油工与木工不配合,故往往造成下冒头未刷油漆就安装门扇了,事后油工根本刷不了(除非把门扇合页卸下来重刷),其次是纱扇纱门由于加工来料不配套,不能同步完工,甩项后装及把关不严等,往往有少刷一遍油漆的现象。其他漏刷问题主要是操作者不认真所致。6. 2缺腻子、缺砂纸:一般多发生在合页槽、上下冒头、椎头和钉孔、裂缝、节疤以及边棱残缺处等。主要原因是操作者未认真按照规程和工艺标准去操作所致。6.3流坠、裹楞:主要原因有二:一是由于漆料太稀、漆膜太厚或环境温度高,油漆干性慢等原因,都易造成流坠;二是由于操作顺序和手法不当,尤其是门窗边棱分色处,如一旦油量大和操作不注意,就往往容易造成流坠

11、、裹楞等。6.4刷纹明显:主要是油刷子小或油刷未泡开,刷毛发硬所致。应用相应合适的刷子,并把油刷用稀料泡软后使用。6.5皱纹:主要是漆质不好,兑配不均匀,溶剂挥发快或气温高,加催干剂等原因造成。6.6五金污染:除了操作要细和及时将五金等污染处清擦干净处,应尽量把门锁、拉手和插销等后装(但可以事先把位置和门锁孔眼钻好),确保五金洁净美观。6.7倒光:木面吸油快慢不均或木面不平,室内潮湿或底漆未干透、稀释剂过量等原因,都可能产生局部漆面失去光泽的倒光现象。7、质量记录7.1油漆等材料出厂合格证。7.2本分项工程质量验评表。而施工现场安全施工注意事项:1、施工人员进入施工现场前,必须要进行施工安全、

12、消防知识的教育和考核工作,对考核不合格的职工,禁止进入施工现场参加施工。2、进入施工现场必须戴好安全帽,系好帽带,并正确使用个人劳动防护用品.3、严格执行操作规程,不得违章指挥和违章作业,对违章作业的指令有权拒绝并有责任制止他人违章作业。4、施工作业时必须正确穿戴个人防护用品,进入施工现场必须戴安全帽。不许私自用火,严禁酒后操作。5、穿拖鞋、高跟鞋、赤脚或赤膊不准进入施工现场。6、穿硬底鞋不得进行登高作业。7、在高空、钢筋、结构上作业时,一定要穿防滑鞋.8、现场用电,一定要有专人管理,同时设专用配电箱,严禁乱接乱拉,采取用电挂牌制度,尤其杜绝违章作业,防止人身、线路,设备事故的发生。9、电钻、

13、电锤、电焊机等电动机具用电、配电箱必须要有漏电保护装置和良好的接地保护地线,所有电动机具和线缆必须定期检查,保证绝缘良好,使用电动机具时应穿绝缘鞋,戴绝缘手套。10、工地施工照明用电,必须使用36伏以下安全电压,所有电器机具在不使用时,必须随时切断电源,防止烧坏设备.11、在用喷灯、电焊机以及必要生火的地方,要填写用火申请登记和设专人看管,随带消防器材等,保证消防措施的落实。施焊时,特别注意检查下方有无易燃物,并做好相应的防护,用完后要检查,确认无火后再离开.12、未经安全教育培训合格不得上岗,非操作者严禁进入危险区域;特种作业必须持特种作业资格证上岗。13、凡2m以上的高处作业无安全设施,必须系好安全带;安全带必须先挂牢后再作业。14、高处作业材料和工具等物件不得上抛下掷.15、从事高空作业人员要定期体验。凡患有高血压、心脏病、贫血症、癫痫病以及不适于高空作业的人员,不得从事高空作业。

展开阅读全文
相关资源
猜你喜欢
相关搜索

当前位置:首页 > 行业资料 > 林业

copyright@ 2008-2023 1wenmi网站版权所有

经营许可证编号:宁ICP备2022001189号-1

本站为文档C2C交易模式,即用户上传的文档直接被用户下载,本站只是中间服务平台,本站所有文档下载所得的收益归上传人(含作者)所有。第壹文秘仅提供信息存储空间,仅对用户上传内容的表现方式做保护处理,对上载内容本身不做任何修改或编辑。若文档所含内容侵犯了您的版权或隐私,请立即通知第壹文秘网,我们立即给予删除!